Alternator not charging

Tiny
CALEB414
  • MEMBER
  • 2010 CHEVROLET TRAVERSE
  • 2WD
  • AUTOMATIC
  • 170,700 MILES
I have had this issue twice before and it has always worked itself out for the most part, but I am wanting to know if there a simple trouble shooting fix? Both times the alternator came back on to full power and was able to start working at full capacity again.
Sunday, May 6th, 2018 AT 7:25 PM

1 Reply

Tiny
DANNY L
  • MECHANIC
  • 5,648 POSTS
Hello, I'm Danny.

It sounds like you have a weak or failing alternator that just hasn't finally given up yet. To gain access to the alternator to remove you must first remove the serpentine belt. Here is a tutorial showing what is involved to replace a serpentine belt:

https://www.2carpros.com/articles/replace-serpentine-belt

After you remove the alternator all auto parts stores will test them for free. Here are tutorials showing how to test and replace an alternator:

https://www.2carpros.com/articles/how-to-check-a-car-alternator

https://www.2carpros.com/articles/how-to-replace-an-alternator

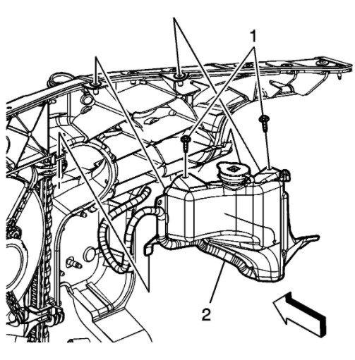
I've attached picture steps below on how to remove and replace both the serpentine belt and alternator on your vehicle. Once you have the alternator tested get back to us with the results and we'll go from there. If the alternator is bad then problem solved. If still good we'll go to the next step. Hope this all helps and thanks for using 2CarPros.
Was this
answer
helpful?
Yes
No
Friday, December 18th, 2020 AT 7:37 PM

Please login or register to post a reply.