Monday, November 15th, 2021 AT 2:28 PM
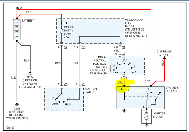
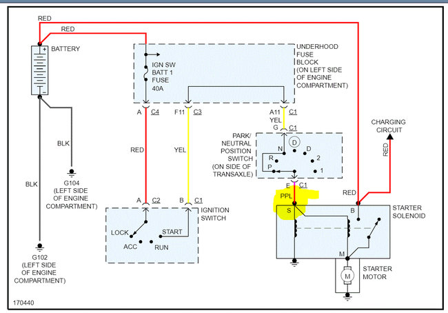
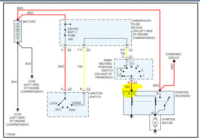
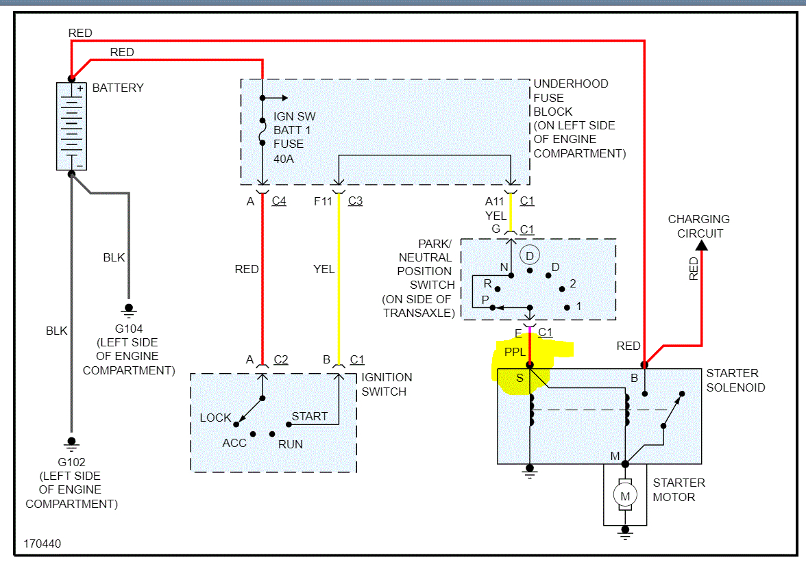
New battery. Turns over then shuts off. Repeatedly clicks turning ignition after. Full power to lights and radio. Starts instantly with a jump. Watched videos explaining this problem for low voltage on 2014 Malibu dual battery power module on the main battery being bad. He shorted the two terminals and it started like a jump start. Unfortunately, 2013 module is different, and I can't short it, so I have to jump. Any tips of you've come across this before?


