OBD2 Trouble code P0603

Tiny
TONYA HUDSON2
  • MEMBER
  • 1999 CADILLAC DEVILLE
  • V8
  • 2WD
  • AUTOMATIC
  • 152,000 MILES
Car cranks will not kick over and not start. What should I do to fix this problem?
Monday, April 25th, 2022 AT 10:13 AM

1 Reply

Tiny
AL514
  • MECHANIC
  • 5,584 POSTS
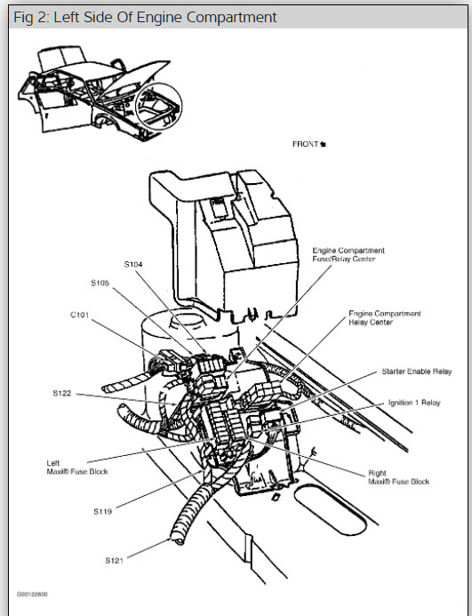
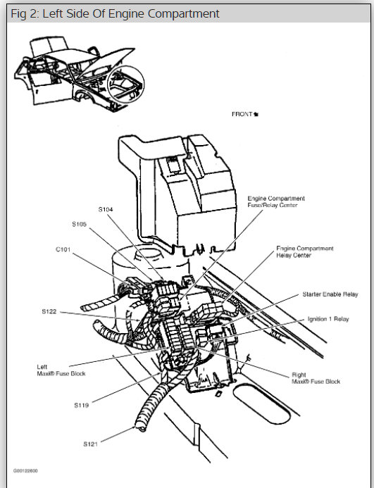
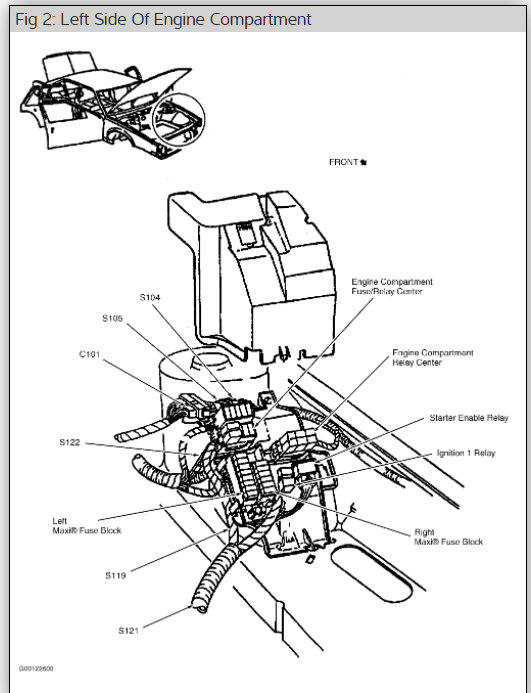
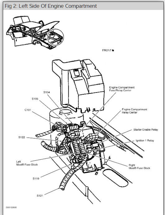
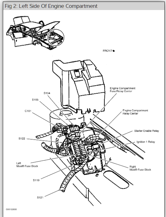
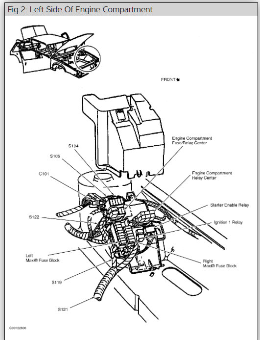
Hello, this code is referring to the engine computer's memory. There is a fuse that keeps constant power to the computer engine (ECM). If the battery is disconnected, or the battery loses its charge, this code will be set. So first check the fuse labeled PCM(BAT) Fuse 10amp. Its location is in the second diagram below. If the fuse is blown, there can either be a short to ground on that wire going to the ECM, or it can also be a failure of the ECM itself and the short to ground is internal to the ECM. If the car cranks over but won't start and this fuse is not blown, the connector where this wire goes into the ECM will need to be checked to see if power is making to the ECM. If it is, then the ECM's other power and ground connections need to be checked. With an older vehicle like this there can be any number of issues with wiring or computer failures. Does the check engine light come on when turning the key to just the On Position? And does it come on while cranking the engine over? It should come on for a few seconds. If not, then the ECM is not being powered up.
Make sure the key is Off before taking the fuse out as well.

https://www.2carpros.com/articles/how-to-check-a-car-fuse

https://www.2carpros.com/articles/how-to-use-a-test-light-circuit-tester
Was this
answer
helpful?
Yes
No
Monday, April 25th, 2022 AT 12:13 PM

Please login or register to post a reply.