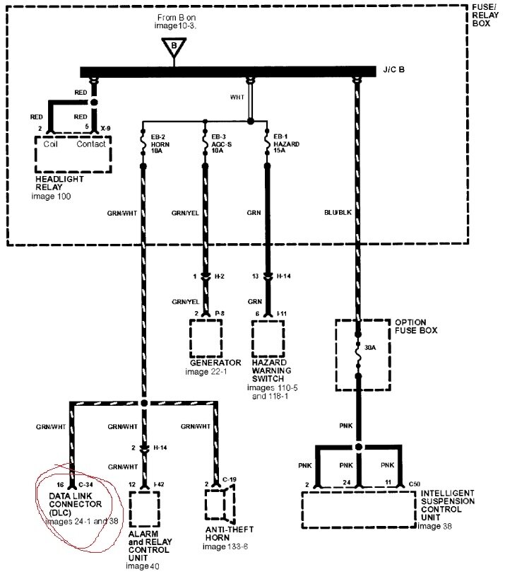
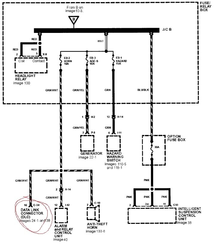
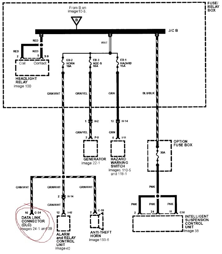
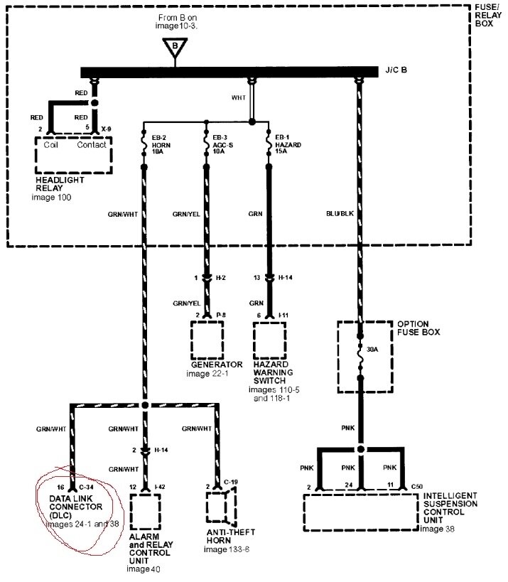
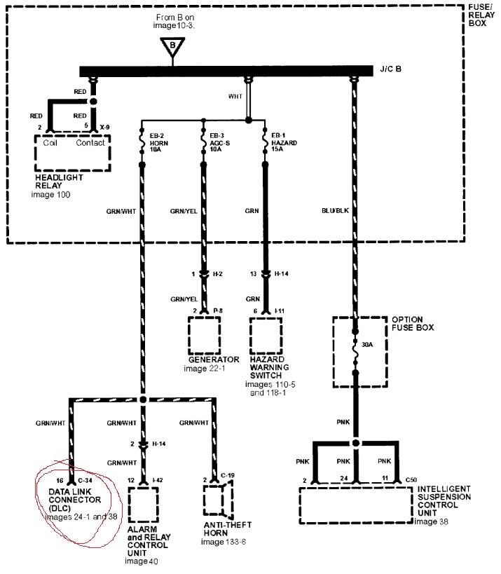
Which fuse should I check and where is the fuse located? Under hood or drivers' side by door?
I initially took my car to O'Reilly's to have them use their OBD2 Code tester on it because "Check Engine" light was on, and my car started hesitating and at one point would not accelerate above 30 MPH and a light lit up on dash "Reduced Power".
I initially took my car to O'Reilly's to have them use their OBD2 Code tester on it because "Check Engine" light was on, and my car started hesitating and at one point would not accelerate above 30 MPH and a light lit up on dash "Reduced Power".
Oct 3, 2023 at 1:48 PM







