OBD2 port

Tiny
MSPAULDING
  • MEMBER
  • 2006 CHEVROLET AVALANCHE
  • 5.3L
  • 2WD
  • AUTOMATIC
  • 224,579 MILES
I have no power at the port.
Monday, March 28th, 2022 AT 5:14 PM

1 Reply

Tiny
KASEKENNY
  • MECHANIC
  • 18,907 POSTS
Sorry for the delay. We were hit by some hackers and just trying to get caught up.

If you have no power, then I assume your scan tool is not powering up?

If that is the case, then we need to start with the fuse.

https://www.2carpros.com/articles/how-to-check-a-car-fuse

This is the same as the cigar lighter so if that is not working then the fuse is the issue.

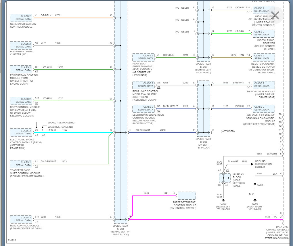
Next, we need to check pin 16 at the DLC and see if you have power.

If so, then check for ground.

The wiring diagram is attached. However, if you have another issue that you are thinking is caused by no power then let us know what that is.

Thanks
Was this
answer
helpful?
Yes
No
Friday, April 1st, 2022 AT 9:47 AM

Please login or register to post a reply.