OBD2 Port not communicating with the with the inspection machine to DMV?

Tiny
ALEXSCRUFF61
  • MEMBER
  • 2006 MAZDA 6
  • 2.3L
  • 4 CYL
  • 2WD
  • AUTOMATIC
  • 158,000 MILES
Obd2 port has power, but won't communicate with the inspection machine to DMV.
Tuesday, September 26th, 2023 AT 2:34 PM

12 Replies

Tiny
AL514
  • MECHANIC
  • 5,584 POSTS
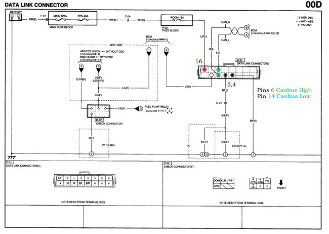
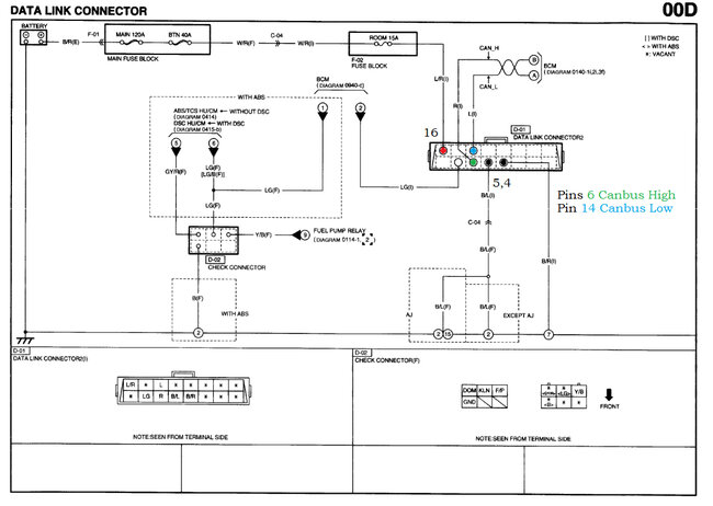
Hello, do you have Ground on pins 4 and 5? Service info here looks a bit different than OEM manufacturers diagrams, but on pretty much every OBD2 system 4 and 5 should both be grounds, one is a chassis ground and the other is usually for sensors or networks. But being very careful I would also check that there are no spread pins in the connector. Some aftermarket scan tools can spread the female pins in the DLC. There have been some Tech Bulletins on this. But verify 4 and 5, I'll post a diagram for you, they should be on the bottom row, pin 1 being on the left, if 16 is above that.
Was this
answer
helpful?
Yes
No
Tuesday, September 26th, 2023 AT 3:06 PM
Tiny
AL514
  • MECHANIC
  • 5,584 POSTS
My fault they have them counting from the opposite side, here is a diagram showing all the pins in the DLC.
If you have an AutoZone or another auto parts store near you, they should be able to scan the engine computer for codes, if they can then there is an issue with either the inspection stations equipment or possibly a pin fitment problem in the connector on your vehicle. I would imagine the inspection station people are not the easiest on these connectors since they do that all day, every day.

https://www.2carpros.com/articles/comprehensive-guide-troubleshooting-your-automotive-obd2-diagnostic-port
Was this
answer
helpful?
Yes
No
Tuesday, September 26th, 2023 AT 3:14 PM
Tiny
ALEXSCRUFF61
  • MEMBER
  • 17 POSTS
Thank you for the quick response.
I did connect a scan tool from AutoZone, it did connect but there were no codes. I called an old school mechanic shop who is going to look at it Friday. I'm thinking it's wiring in the port itself as the port feels loose to me.
How likely do you think that a loose port gas blown my ECM or is it ECU? Is that common? I'm hoping not.
Was this
answer
helpful?
Yes
No
Tuesday, September 26th, 2023 AT 6:51 PM
Tiny
ALEXSCRUFF61
  • MEMBER
  • 17 POSTS
Should read how likely it is that a loose port has blown my car's computer?
Was this
answer
helpful?
Yes
No
Tuesday, September 26th, 2023 AT 6:52 PM
Tiny
AL514
  • MECHANIC
  • 5,584 POSTS
The DLC connector housing may feel loose in its location under the dash, but I'm meaning the actual pins inside the connector. If AutoZone could read codes from the DLC then I don't think there is anything wrong with it. And no, your computer is fine. Your vehicle would have all kinds of trouble codes stored or it wouldn't start if there was a problem with the computer.
If you have a basic multimeter which I assume is what you used to check pin 16 for power? If you are using a multimeter make sure you never push the meter leads into the connector pins, just lightly touch the pins on the outside enough to get a voltage reading. To check pins 4 and 5 for Ground, turn the key On and put the red meter lead on pin 16 (B+) and use pins 4 and then 5 as your Ground for the other meter lead. Each should show 12volts coming from pin 16.
If it happens that either pin 4 or 5 doesn't not act as a ground for measuring pin 16's voltage, then you know there is an issue there. Such as one of those pins is not grounded, but if you're taking your vehicle in to a shop, they will know what to check. Just tell them you're concerned 4 or 5 might not be properly grounded. But the fact that AutoZone was able to communicate with the engine computer is a good sign. If the shop checks it out and they don't find anything wrong, then the inspection station probably has something wrong with their equipment.
Was this
answer
helpful?
Yes
No
Tuesday, September 26th, 2023 AT 8:16 PM
Tiny
ALEXSCRUFF61
  • MEMBER
  • 17 POSTS
Thank you for your quick detailed response.I will keep you posted as to what the outcome is. Thankyou again!
Was this
answer
helpful?
Yes
No
Tuesday, September 26th, 2023 AT 8:56 PM
Tiny
ALEXSCRUFF61
  • MEMBER
  • 17 POSTS
Hi again,

Just wanted to let you know that my port did connect today and the inspection was successful. They told me must have been the other shops reader. I really thought my port was broken. Even a couple of shops I called thought it might be my ECM. Has been a worrisome 5 days. But kept reading your responses which gave me hope. Thank you for That!
Had a few bulbs changes. Side markers and license plate. Now my key fob won't work. Been working great. Hoping it's just a coincidence. Will try putting a new battery in it tomorrow.
Thanks Again and Take care.
Alex
Was this
answer
helpful?
Yes
No
Thursday, September 28th, 2023 AT 7:01 PM
Tiny
AL514
  • MECHANIC
  • 5,584 POSTS
Okay, that's great. Don't let shops try to sell you parts like an ECM without fully diagnosing the issue. Too many shops these days are throwing parts at vehicles trying to fix anything and everything. If that happens, before they make any repairs tell them you want to know exactly why they know a part needs to be changed. If they are guessing, then they don't know what they're doing. ECMs can be a thousand dollars sometimes. Glad you took it to a different inspection station.
As for the key fob, is it just not unlocking the doors remotely? The vehicle is starting ok though correct? If you have never changed the batteries in it, or had it replaced then try a battery first. If that doesn't work and it's the original fob, you may need to replace it.
There is a TSB on replacing the battery in the key fob posted below. Just some precautions to take. I will see if there is any other information or replacing it if the battery doesn't work.
If this is the type of card key, you have this is the battery replacement.
Also, the other key Transmitter type battery replacement- diagrams 5-7.
Was this
answer
helpful?
Yes
No
Friday, September 29th, 2023 AT 7:20 AM
Tiny
ALEXSCRUFF61
  • MEMBER
  • 17 POSTS
Gotcha! . So glad it wasn't the computer
My key fob is the 2nd diagram you sent me. I opened it up, replaced the battery, no change. So, it unlocks the car okay. But when I try to lock it, nothing, no beep, no lights, nada.
Just seems bizarre as it was working fine before I dropped the car off.
I even tried reprogramming it and it went through the steps just fine. Still nothing.
Was this
answer
helpful?
Yes
No
Friday, September 29th, 2023 AT 7:58 PM
Tiny
AL514
  • MECHANIC
  • 5,584 POSTS
Do you mean the fob was working before you dropped the vehicle off for inspection? Or at a repair shop? It's possible someone dropped it or maybe got it too close to a magnet. You may need to order a couple of new ones, they don't last forever. They wear out like everything else. You could take it apart again and look really close for any damage. They are just a small circuit board with an antenna on it. So, anything could have happened to it. I had to get a couple new ones for my truck, since you know how to program them, try getting a couple new ones so you have a spare. It sounds like the lock button circuit might have a broken solder joint on it. They shouldn't cost too much. I think I even just ordered mine on amazon, not that I would ever recommend buying important parts from them, but a couple of cheap key fobs was okay.
Was this
answer
helpful?
Yes
No
Saturday, September 30th, 2023 AT 7:30 AM
Tiny
ALEXSCRUFF61
  • MEMBER
  • 17 POSTS
Yeah, the fob was working fine same day I dropped off my car at the shop. They handed it back to me. Only unlock button now working, crazy!
Was looking online.30 bucks for one
So if I separate the key from the for. Then put my key on the new fob. Then go thru the program protocol. That should work right. Providing it is my fob. Just didnt know if there is a specific fuse I should check. Not sure what fuse if any I could check. As I dont know when you press the fob. How the signal connects. To where exactly?
Was this
answer
helpful?
Yes
No
Saturday, September 30th, 2023 AT 11:34 AM
Tiny
AL514
  • MECHANIC
  • 5,584 POSTS
For the transponder inside the key itself, there is a coil that the key goes through when putting it into the Ignition Switch. The Transmitter (fob) is what locks and unlocks the doors wirelessly. I'm looking up as much info on the system I can find here. The D Lock Fuse 30Amp and the Room Fuse 15Amp go to the Body Control Module is what actually controls the door locks. These are the wiring diagrams for all the locks, the 2nd diagram is the Top and the 3rd is the Bottom section. I'll post the rest of the information on the key transponder and fob. Most of the information I'm finding is if certain components such as new keys, new steering lock unit, new PCM etc.
I don't think you should have any issues with just replacing the Fob.
Really the shop is responsible if the system does lock now with the remote. So they should pay for a new Fob, whatever they happen to do. If I gave a customer back their vehicle and something was not working correctly, or I broke something while the vehicle was in my possession I'd be responsible to make the situation right.
You have the right to bring it back and say something.
Was this
answer
helpful?
Yes
No
Saturday, September 30th, 2023 AT 4:11 PM

Please login or register to post a reply.