Obd2 not communicating

1999 ISUZU NPR
279,000 MILES • 5.7L • V8 • 2WD • AUTOMATIC
Avatar
JOSE4465
  • MEMBER
  • 1 POST
OBD2 not communicating with the computer. it has power and grounds just to communicating wire not working.
Feb 16, 2019 at 10:43 AM
Repair Safety Notice: This information is for general instructional purposes only. Vehicle repair can be dangerous. Verify all information, follow manufacturer service procedures, use proper tools and safety equipment, and consult a qualified repair shop when needed.
Advertisement
Avatar
STRAILER
  • CAR REPAIR CONTRIBUTOR
  • 54,223 POSTS
Hello,

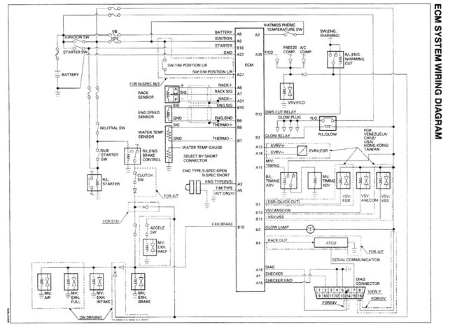
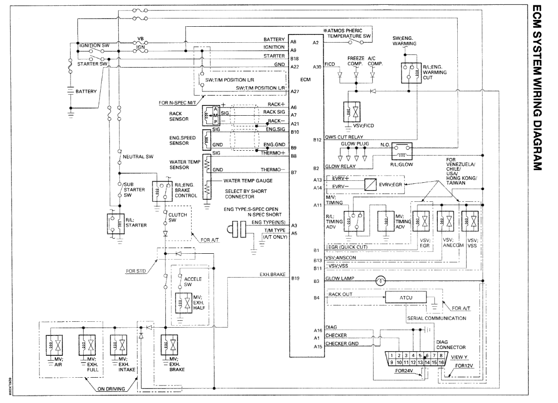
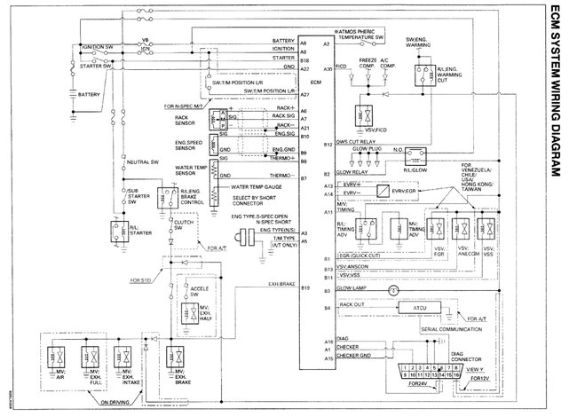
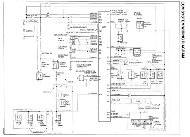
Can you make sure #16 terminal has power? Here is a guide to help and the engine wiring diagrams below so you can see how the system works. Does the scanner work on other cars?

https://www.2carpros.com/articles/how-to-use-a-test-light-circuit-tester

Check out the diagrams (below). Please let us know what you find.
Feb 18, 2019 at 11:30 AM
Advertisement