OBD II system not readying, code P0401

Tiny
JRBLADH
  • MEMBER
  • 1999 SATURN SL1
  • 4 CYL
  • 2WD
  • AUTOMATIC
  • 165,513 MILES
I parked this car for about 4 months. Before I parked the car it had two codes, one had to do with the O2 sensor, and I can't remember what the other one was. While the car was parked the battery died and the computer reset. I replaced the battery and started driving the car again. I've been driving around town, on the freeway, and purposefully putting the car through a Saturn drive cycle 10-15 times. I've got most of the sensors to ready except for 3: the Catalyst monitor, EVAP system monitor, and Oxygen sensor monitor.
A buddy of mine thought that maybe my car has been having a hard time going into a closed loop. So recently I replaced the coolant temperature sensor and took the car on a 70-80 mile drive on the freeway (after driving around town to warm up the catalytic converter). The drive didn't ready these systems, but at the end the code: P0401 showed up. This code has to do with the EGR which is mostly used during open loop which makes me wonder if the car is still stuck in open loop. Especially if it only spat out that code at the very end of my super long drive.
Wednesday, January 29th, 2020 AT 6:38 PM

6 Replies

Tiny
JACOBANDNICKOLAS
  • MECHANIC
  • 110,192 POSTS
Hi,

The EGR doesn't put the vehicle into closed loop. That is done via the O2 sensor. Whenever the vehicle is first started the PCM operates in open loop fuel control. When the PCM determines that the engine oxygen sensor voltage is varying, it will go into closed loop fuel control operation. The reason I mention this is because you indicated there was originally an o2 sensor code.

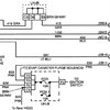
You are correct about the EGR. What I have done is provide a diagnostic flow chart below related to a P0401. This code indicates there is a restriction in the EGR flow. You could simply have carbon built up causing a restriction. In most cases it is carbon causing the issue around the pintle. Check for that.

Regardless, here is info related to the code and pic 1 below is the flow chart and pic 2 is the schematic of the system.

Let me know if this helps. Also, if you do have a live data scanner, pay attention to the O2 sensor voltages. When the vehicle is warm, they should be changing. If they don't, replace the affected sensor. I would need the code you got to determine which sensor it would be.

_______________________

Let me know what you find or if you have other questions.

Take care,
Joe
Was this
answer
helpful?
Yes
No
Wednesday, January 29th, 2020 AT 7:39 PM
Tiny
SCGRANTURISMO
  • MECHANIC
  • 4,897 POSTS
Hello,

Open loop happens because the upstream O2 sensors, the O2 sensors that are closer to the engine in the exhaust tract, are not sufficiently warmed up to start reading. The Power-train Control Module[PCM], or "computer", operates from a pre programmed ignition and fuel map. When the upstream O2 sensors are warmed up and start reading, around 1500 degrees Fahrenheit, then the PCM switches to these sensors along with all the other input sensors to fine tune the ignition and fuel maps. This is what is known as closed loop operation. If there is a problem with your vehicle's upstream O2 sensors, then there is a possibility that your vehicle is stuck in open loop operation. You can quickly check this with a code reader that shows live PIDS. Simply select the HO2S11 PID and wait for it to start showing voltage. If it does then your vehicle is in closed loop operation and if after a couple of minutes at the latest, it doesn't, then it isn't. Please get back to us with what you find out, and we can go from there.

Thanks,
Alex
2CarPros
Was this
answer
helpful?
Yes
No
Wednesday, January 29th, 2020 AT 7:44 PM
Tiny
JRBLADH
  • MEMBER
  • 3 POSTS
Hey thanks for the responses. I appreciate the feed back a lot. I do want to clarify a couple things, and then I will test out your suggestions and get back to you with what I find.

First, I do know that the EGR doesn't cause the PCM to go into closed loop (although I did think it was the coolant temperature sensor, not the o2 sensor that tells the PCM to go into closed loop). My understanding is just that the exhaust is cycled through the EGR more during open loop than during closed loop in an effort to burn some of the fuel that did not burn because the engine was still cold. But might be wrong. So I hypothesized in my earlier post that perhaps my car is over working the EGR (causing extra build up or something) because it is stuck in open loop. But I am open to any more sure ways of determining if I am stuck in open loop than my hypothesis based on limited understanding.

Second, I forgot to mention that when I first noticed the o2 sensor code (before parking the car) I did replace the o2 sensor. I think it was the upstream one, whichever one has only two wires and is accessible from the front of the car, under the hood, and it looks like it plugs into the front of the engine. But the code didn't go away in the 2-3 months that I drove it between replacing the sensor and parking the car. Part of me wonders if I should have replaced the downstream o2 sensor (although I was looking at that yesterday and it looks like a real pain to replace because mine looks rusted in place).

Finally, I've got a really simple code reader. Both of you suggested using a smarter one. Any suggestions on a cheap but effective option to get more info out of my PCM than the simple code reader I've got? Also, I was reading somewhere about gathering live data from the OBDII port and it sounded like not all vehicles can do live data, even if they have the OBDII system. My car is a '99 so it barely even has OBDII. I would hate to purchase an expensive diagnostic tool and find out it can't deliver live data. Should I be worried about that?

Again, thanks for the prompt responses. I'll try to get back to you on my progress fixing the EGR code.

-Josh Bladh
Was this
answer
helpful?
Yes
No
Sunday, February 2nd, 2020 AT 8:18 PM
Tiny
SCGRANTURISMO
  • MECHANIC
  • 4,897 POSTS
Hello again,

Okay, so open loop only happens when the vehicle is warming up. A lot of times your vehicle is idling when warming up and the only air that is entering the engine is through your idle air control[IAC] valve or similar, and just enough to keep the engine running, so opening the EGR valve and reburning exhaust would cause the engine to stall. The PCM opens the EGR valve to reburn the exhaust when your vehicle is in closed loop operation and during times like when you are cruising down the freeway. The O2 sensor that you changed is the upstream one that the PCM uses to control the fuel trim and is the important one for vehicle drivability. The downstream O2 sensor, or the one after the catalytic converter, has only one job. It is put there to see if the catalytic converter is working or not and has nothing to do with engine performance. All vehicle's from 1996 and newer have the ability to have their PIDs read by a code reader through the Data Link Connector[DLC] or "obd2 port". As far as purchasing a good cheaper code reader with the ability to read PIDS and live data here is a link below for you to go to:

https://www.2carpros.com/articles/checking-a-service-engine-soon-or-check-engine-light-on-or-flashing

Please go through this guide and get back to us with what you find out.

Thanks,
Alex
2CarPros
Was this
answer
helpful?
Yes
No
Sunday, February 2nd, 2020 AT 8:48 PM
Tiny
JRBLADH
  • MEMBER
  • 3 POSTS
Okay, sorry this took so long to figure out. I finally got a OBDII sensor that can read live data. I'm using the BAFS Products BlueTooth OBDII Reader and the Torque (lite) app. I just experimented with it hooking it up to my car and phone and it looks like everything is connecting and reading correctly. I am able to read live data from the OBD II system as well as error codes and emissions readiness. Now I just need to figure out why my Catalyst, Evaporative System, and 02 sensor status are still incomplete despite doing several drive cycles and normal driving hundreds of miles.

Does anyone have any suggestions on what data I should pull from the reader to diagnose these three systems?
Was this
answer
helpful?
Yes
No
Tuesday, February 25th, 2020 AT 7:13 AM
Tiny
SCGRANTURISMO
  • MECHANIC
  • 4,897 POSTS
Hello again,

In the diagrams down below I have included the OBD2 drive cycles to run monitors for your vehicle. These diagrams will explain how and when the I/M readiness are read by your vehicle. Please go through them and keep us informed. I hope that this helps.

Thanks,
Alex
2CarPros
Was this
answer
helpful?
Yes
No
Tuesday, February 25th, 2020 AT 8:45 AM

Please login or register to post a reply.