Blows OBD fuse after a few cycles?

Tiny
TTOKAR
  • MEMBER
  • 2004 PONTIAC VIBE
  • 1.8L
  • 4 CYL
  • 2WD
  • AUTOMATIC
  • 213,000 MILES
Blows OBD fuse after a few cycles -- new cat and both 02's are new. I have a Haynes buy it does not
cover emission wiring schematic.
Thursday, January 8th, 2026 AT 12:33 PM

13 Replies

Tiny
KEN L
  • MASTER CERTIFIED MECHANIC
  • 55,420 POSTS
So to confirm the OBD fuse 7.5 amp located at the fuse panel at the left side of the dash correct? If so, this fuse only feeds the OBD2 connector there is nothing else on this circuit. So, it must be the wiring to the connector or there is heavy corrosion on the connector. Please inspect the wire color (red/blk) to make sure no one has tapped into the wire for an aftermarket accessory. Please check it out and let me know what you find.
Was this
answer
helpful?
Yes
No
+1
Friday, January 9th, 2026 AT 9:37 AM
Tiny
TTOKAR
  • MEMBER
  • 7 POSTS
Ken, thank you -- yes -- 7.5 in fuse under the dash. You and I both know that wires (especially hot wires) begin and finalize somewhere. The DAC is on the left side under the afore mentioned fuse panel -- I'm assuming (because I do not have a schematic) that the other DAC wires go to various places including the ECM which is on the right side behind the glove box. Replacing the 7.5 amp fuse allows a code reader to power up, check for DCT's and eliminate the check engine light for several start stop cycles but eventually pops the fuse again. Something is causing it -- a color coded schematic would sure help.
Thanks again.
Was this
answer
helpful?
Yes
No
Friday, January 9th, 2026 AT 12:19 PM
Tiny
KEN L
  • MASTER CERTIFIED MECHANIC
  • 55,420 POSTS
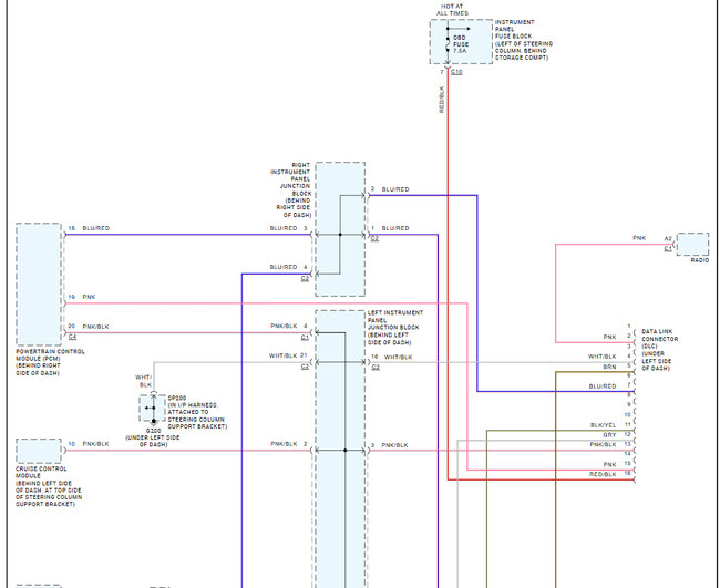
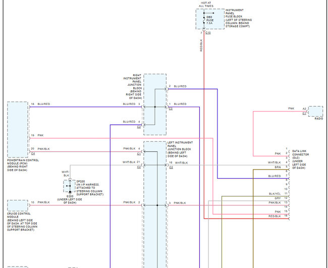
How is the engine running? I have seen a shorted fuel injector or ignition coil cause this problem. Also, can you plug the scanner into another car to see if it blows the fuse? It can be the scanner itself. Here are the wiring diagrams for the OBD2 connector as requested. Please let us know what you find. Check out the images (below).
Was this
answer
helpful?
Yes
No
+1
Saturday, January 10th, 2026 AT 9:07 AM
Tiny
TTOKAR
  • MEMBER
  • 7 POSTS
Thanks Ken -- much better schematic than Haynes -- Yes, I have a Foxwell scanner that works on other cars and a wireless OBD2 Car pro -- no where can I find wire schematic (there is vacuum line schematics) to the much confused vent valve (under hood) and vent solenoid (charcoal canister) behind drivers tire. Both have two wires going to them.
Also, your site will only allow one picture up loaded -- I wanted to follow the red/blk
wire on picture one but again, only one hot wire to the DLC I guess I can run a jumper and by-pass any harness problems. The car runs and idles fine -- it seems slightly better when the CEL lite is out -- not really limp mode but noticeable. I've only pot 3000 miles of the 213,000 on it -- fuel injectors couldn't hurt but the have their own power and relay -- coils should show a miss fire but they get replaced at my first tune up. I've owned Toyota's
since the early 70's and many Corolla's, Matrix and this my fourth Vibe --- tis a mystery.
Yes, I will share if and when I figure this out.
Was this
answer
helpful?
Yes
No
Saturday, January 10th, 2026 AT 12:14 PM
Tiny
KEN L
  • MASTER CERTIFIED MECHANIC
  • 55,420 POSTS
That would be great if you could tell us why the fuse blows, also please start new questions of each of the other problems you are having, I don't know why the site only let you upload one image, we have not had that problem before, it might have been a glitch. I like the idea for running a new wire that should take care of the problem, please let me know, Ken
Was this
answer
helpful?
Yes
No
+1
Sunday, January 11th, 2026 AT 9:45 AM
Tiny
TTOKAR
  • MEMBER
  • 7 POSTS
Ken sure will if I fix it -- here is the second picture but it does not show the origin of the red-black wire before the fuse. It's going to be more parts cannon I guess -- I'll change a few relays because they're cheap -- the car is 24 years old -- could have moisture I'm not familiar with but everything seems to work.
Was this
answer
helpful?
Yes
No
Sunday, January 11th, 2026 AT 11:01 AM
Tiny
KEN L
  • MASTER CERTIFIED MECHANIC
  • 55,420 POSTS
Yep, the fuse gets its power from the power feed to the fuse panel. To be clear the engine runs okay? Because shorted coils, sensors or injectors can cause this condition as well.
Was this
answer
helpful?
Yes
No
+1
Monday, January 12th, 2026 AT 10:48 AM
Tiny
TTOKAR
  • MEMBER
  • 7 POSTS
Ken, thanks -- it runs ok for the mileage but when the fuse is put in (before it pops) it seems slightly smoother and accepts dead stop, easy acceleration. When it pops and CEL on dash it seems ever so slightly rougher at idle -- no engine miss -- but jack rabbits from a dead stop -- no feather of pedal. It's mechanical throttle body so I figure the ECM prefers an operational fuse.
Was this
answer
helpful?
Yes
No
Monday, January 12th, 2026 AT 11:20 AM
Tiny
KEN L
  • MASTER CERTIFIED MECHANIC
  • 55,420 POSTS
Hmm, the fuse only runs the OBD port so it will not effect the PCM at all until the scanner is plugged in.
Was this
answer
helpful?
Yes
No
Monday, January 12th, 2026 AT 11:47 AM
Tiny
TTOKAR
  • MEMBER
  • 7 POSTS
Ken, thanks -- I can't swear to that -- it initially appears so but I have yet to see what feeds the red-blk wire prior to the fuse -- it's 7.5 so it's not initially getting power from 12 volts - the origin is not on either schematic page you provided -- is it pulling power off a sensor somewhere -- lots of sensors have 5 volts to function -- fuse pops and CEL appears -- how? Why? The PCM does not issue CEL lights. It's cold in Ohio and unfortunately I work outside (no garage) so I try to noodle stuff out before I actually try things -- I will tap into the red-black wire at the OBD port and secure it to some benign 10 amp (cig liter?) And see what happens. I'm two days older than dirt, don't bend or see well any more but I've replaced plugs and coils before in the dark --- where there is will there are ways!
Was this
answer
helpful?
Yes
No
Monday, January 12th, 2026 AT 2:03 PM
Tiny
KEN L
  • MASTER CERTIFIED MECHANIC
  • 55,420 POSTS
The OBD fuse only goes to the data port, that's it, if the fuse blows with the scanner connected, then it is got to be the scanner or one of the accessories it is connected to which you can see by the wiring diagrams above. I would try unplugging them one at a time to see if the fuse lives.
Was this
answer
helpful?
Yes
No
+1
Tuesday, January 13th, 2026 AT 5:09 PM
Tiny
TTOKAR
  • MEMBER
  • 7 POSTS
Thanks Ken, yes, multiple scanners work on other vehicles and they do not pop a good fuse during testing. I'll take your advice, thanks.
Was this
answer
helpful?
Yes
No
Wednesday, January 14th, 2026 AT 5:20 AM
Tiny
KEN L
  • MASTER CERTIFIED MECHANIC
  • 55,420 POSTS
You are welcome.
Was this
answer
helpful?
Yes
No
Wednesday, January 14th, 2026 AT 7:37 AM

Please login or register to post a reply.