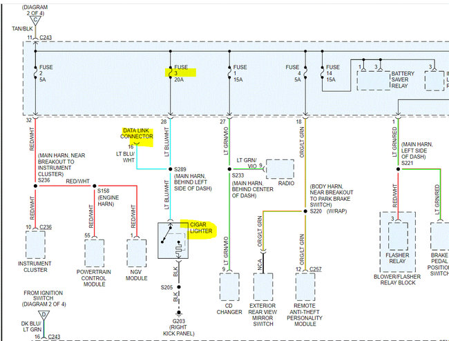
First question, why would this #3 fuse blow if I have not used the cigarette lighter or the Scan port?
Second question, is there another link under my hood in the distribution box?
I downloaded the orientation of both fuse boxes, but neither one shows me that the side by side cigarette lighter and auxiliary port are separate from one another running on separate fuses. You see I’ve never not had power to my auxiliary port where I charge my phone and flashlights.
Thursday, July 1st, 2021 AT 7:02 PM





