Sunday, July 10th, 2022 AT 6:26 PM
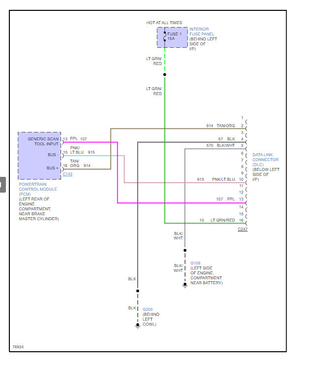
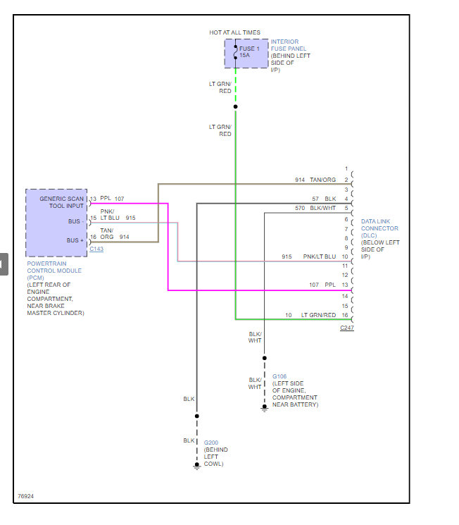
Van (E350) has ports for OBD1 and OBD 2. Neither work. Car will not start cold without starting fluid. Once started, it will run but when you start to give it gas it stalls. A slow push on the gas will get it to rev to about 3000 before the rpm stabilizes and won't go higher. If you just mash the gas it shuts off. It will normally restart when warm. I have a ford OBD1 tool and an OBD2 tool and the computer will not connect with either. I tried using a test lite/VOMeter and using the check engine lite and could not get the vehicle into the test mode. The check engine lite is on and it was not on prior to this problem. The problem started when this spring I put the battery on trickle charge and after the battery was charged, I forgot to close the hood after I removed the charger and it rained.





