Where can I find the fuse that controls my OBD?

Tiny
RICH2FLY
  • MEMBER
  • 2019 KIA OPTIMA
  • 2WD
  • AUTOMATIC
  • 95,000 MILES
I’m not getting power to it.
Thursday, July 21st, 2022 AT 6:50 AM

1 Reply

Tiny
AL514
  • MECHANIC
  • 5,584 POSTS
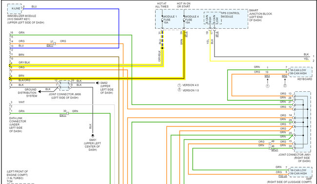
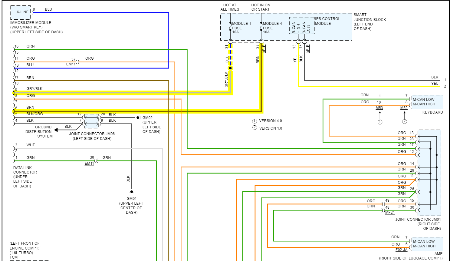
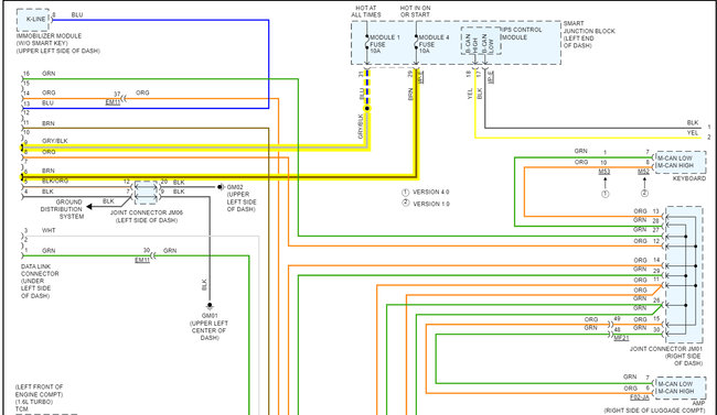
Hello, what model is this and what engine size? It's not a Hybrid I assume, and which pin are you checking for power at the Data Link Connector? This diagram is for a 1.6 Liter Turbo, non-Hybrid model. The highlighted wires are the power to the DLC and also remember pins 4 and 5 are still Ground, so if you have a no communications error, when checking for power, check the two power pins using the two ground pins and make sure all four are working. Pin 16 is no longer the power pin, it's part of the medium speed CAN bus now. Just don't spread the females pins in the DLC, there have been some aftermarket scan tools causing an issue with this.
Was this
answer
helpful?
Yes
No
Thursday, July 21st, 2022 AT 1:29 PM

Please login or register to post a reply.