OBD 2 scan tool not connecting

Tiny
JEEPLYFE
  • MEMBER
  • 2002 MITSUBISHI MONTERO
  • 3.5L
  • V6
  • 4WD
  • AUTOMATIC
  • 185,000 MILES
OBD 2 scan tool gets power to device, but does not connect. The same scan tool use to work a few months ago now it states that it "fails to connect".

Also, I just recently noticed engine jerking and the neutral light flashing when I put the SUV into the drive position (also maybe even in reverse). Also with engine hesitation at lower RPM speed. Does the Oxygen Sensor cause engine hesitation?
Monday, June 28th, 2021 AT 5:24 AM

8 Replies

Tiny
KASEKENNY
  • MECHANIC
  • 18,907 POSTS
You have a dedicated bus communication network that the scan tool uses to talk to the PCM. So unless you have a wiring issue, the likely problem is a PCM issue.

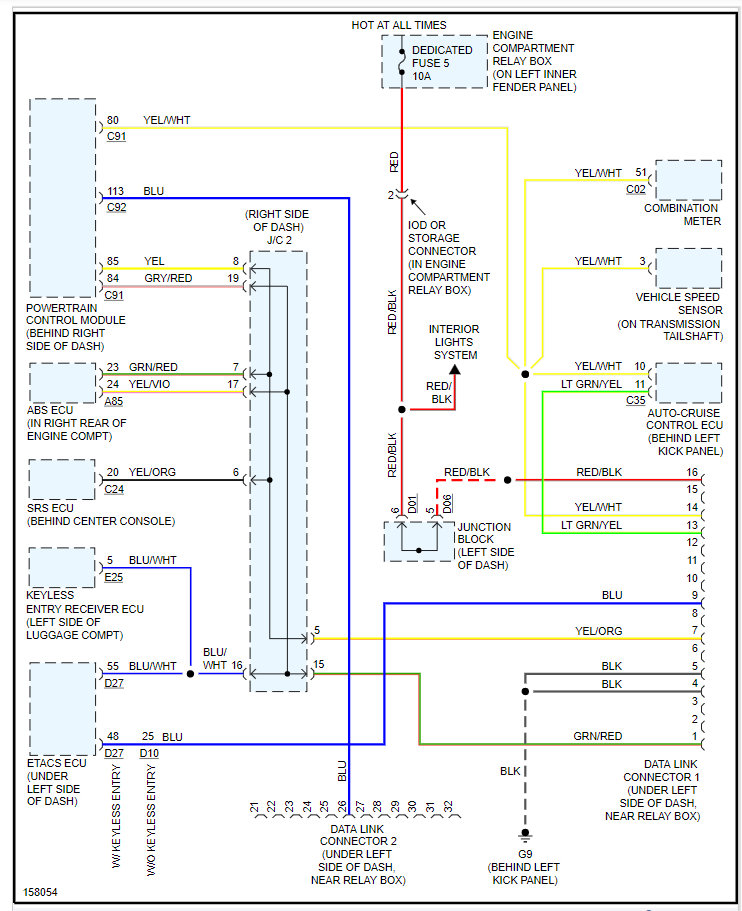
However, we need to check the fuse shown below in this wiring diagram:

https://www.2carpros.com/articles/how-to-check-a-car-fuse

If the fuse is blown then you will not be able to communicate. Normally the scan tool gets power from this fuse as well so if it turns on then it is likely ok but we need to check it.

Lastly it would be a good idea to stop by a parts store and see if they can communicate with the PCM. This will just eliminate your scan tool as an issue.

Next as for the hesitation we need to run through this guide that gives the likely causes of hesitations:

https://www.2carpros.com/articles/engine-hesitates

Please run through all this material and let us know what you find.
Was this
answer
helpful?
Yes
No
Tuesday, June 29th, 2021 AT 6:24 PM
Tiny
JEEPLYFE
  • MEMBER
  • 11 POSTS
I just finally replaced the ECM (Electronic Control Module) on the 2002 Montero Sport around Sept. 8th 2021. The scan tool does now again communicate with the OBD II and I received the error code P1610. Manufacturer Control. Is that code saying that this used ECM/ PCM is "bad"?
Was this
answer
helpful?
Yes
No
Monday, September 13th, 2021 AT 3:01 PM
Tiny
JEEPLYFE
  • MEMBER
  • 11 POSTS
About the ECM one of the brackets is bent and not screwed into. The other screw that has a wire on it is screwed in. Could that unscrewed part of the bracket keep the ECM from communicating properly or cranking the vehicle?
Was this
answer
helpful?
Yes
No
Monday, September 13th, 2021 AT 3:03 PM
Tiny
KASEKENNY
  • MECHANIC
  • 18,907 POSTS
That is progress.

That is what it is telling you. Basically you need to clear the code and if it comes back then you need to replace the PCM. So you know that the first PCM was the issue with no communicating but unfortunately it appears you got another one with a circuit board issue.

Please see the info below on this code. Thanks
Was this
answer
helpful?
Yes
No
+1
Monday, September 13th, 2021 AT 6:17 PM
Tiny
JEEPLYFE
  • MEMBER
  • 11 POSTS
I will try clearing the code to see if it returns in the Mitsubishi. Back in July, a mechanic stated that my old ECM may need to be flashed/reprogrammed for the Montero Sport. Do you think that these ECM would need to be reprogrammed (or is the P1610 Code a direct indicator that the ECM is probably bad?

Also, I have a question about an issue with a 2000 Mercedes E430 Base model V8. After I noticed the car Air Condition blowing warm air and the Cooling Fans not turning, I replaced a Fan Relay and the Fans came on, but now after a few days (ago with a new relay), I see that the Cooling Fans in the Mercedes are not turning on again. Do you think that it may be a wire issue with the fans?
Was this
answer
helpful?
Yes
No
Tuesday, September 14th, 2021 AT 5:30 AM
Tiny
KASEKENNY
  • MECHANIC
  • 18,907 POSTS
This code is not telling you that it needs to be programmed. It is telling you that there is a circuit board issue and requires replacement if it does not clear.

As for the other question, we need to get a new post started for that. We need to keep each post to one vehicle and one question just so that when others come and search for a similar issue they will find it. They will not find that answer under this vehicle and title. So let's get a new one started and we will get back to you for that as well.

https://www.2carpros.com/questions/new

Thanks
Was this
answer
helpful?
Yes
No
+1
Tuesday, September 14th, 2021 AT 8:14 AM
Tiny
JEEPLYFE
  • MEMBER
  • 11 POSTS
Yes, I cleared the P1610 code last night and it came right back. So the ECM must be bad.
Was this
answer
helpful?
Yes
No
Wednesday, September 15th, 2021 AT 10:57 AM
Tiny
KASEKENNY
  • MECHANIC
  • 18,907 POSTS
Agreed. That is what the testing tells us but I like how they add the little bit at the end where they say to replace the PCM and then "check that the DTC does not reset."

If it were me I would have a PCM on order. Thanks for the update.
Was this
answer
helpful?
Yes
No
+1
Wednesday, September 15th, 2021 AT 4:34 PM

Please login or register to post a reply.