OBD 2 not communicating

Tiny
NICOLAJIE
  • MEMBER
  • 2004 NISSAN 350Z
  • 3.5L
  • V6
  • 2WD
  • MANUAL
  • 74,564 MILES
The OBD 2 tool has an error stating there are no PID’s and that this could be due to the manufacturer or dealer disabling the connector. Could it be due to a faulty head unit installation? Yes, I have used two different OBD tools to make sure it was not the tool.
Regards, Nicolas
Thursday, July 5th, 2018 AT 9:55 PM

6 Replies

Tiny
STEVE W.
  • MECHANIC
  • 15,671 POSTS
Never seen one disabled on a street car by the dealer or maker as the connection is there by legal requirement for diagnostics, have seen it on race tuned versions though. What were the scan tools you used? What is the issue you are having, perhaps we can get around needing a scan tool, or was it that you do not have communication, that is the only issue?

Anything can happen during aftermarket devices are installed. Any of the power or communication lines for the ECM get cut or damaged and you lose communication.
Looking at the wiring it seems Nissan used a few colors for multiple items. The CAN-High line is a blue wire, so is the right rear speaker on the radio. The CAN-Low is pink as is the other right rear line. If either was mistaken for the other it could cause damage.

I would check the fuses to the ECM, Fuses 1, 14, 15, 81, 87, 77 all power parts of the ECM.

Also, use a meter or test light to verify that you have power and grounds at the OBD II port.
Fuses 34 and 89 provide the power.

Beyond that you would need to use either a break out box or a scope to view the data lines to see if they are operating properly. Then a factory level scan tool to verify that there is not an issue with the programming in the ECU itself.
Was this
answer
helpful?
Yes
No
+1
Thursday, July 5th, 2018 AT 11:22 PM
Tiny
NICOLAJIE
  • MEMBER
  • 5 POSTS
Thanks so much Steve, will look into it. The car was not running right when we first bought it. We changed many sensors and things until we finally changed the knock sensor and that seemed to fix it. However, the VDC and slip lights will not turn off, and trust me the TC is definitely not on. The check engine light is also on but that it the least of our worries. We pulled the entire dash out of the car because the radio that was installed was installed very poorly and after taking the one door panel off. I can clearly see why things are not great on the car, I will attach a few pictures. If anyone can help with that would be appreciated.
Was this
answer
helpful?
Yes
No
Sunday, July 8th, 2018 AT 12:21 AM
Tiny
NICOLAJIE
  • MEMBER
  • 5 POSTS
Here are the pictures. The last few pictures are from where the head unit is supposed to be. There is one connector that goes nowhere. I am pretty sure Nissan's engineers did not design it like that.
Was this
answer
helpful?
Yes
No
Sunday, July 8th, 2018 AT 12:30 AM
Tiny
STEVE W.
  • MECHANIC
  • 15,671 POSTS
VDC and TC use the same sensors that the ABS system uses, if your scan tool can talk to the ABS you might find an answer to that light, once you get the rest of the wiring figured out.

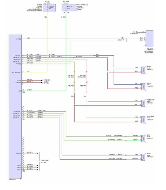
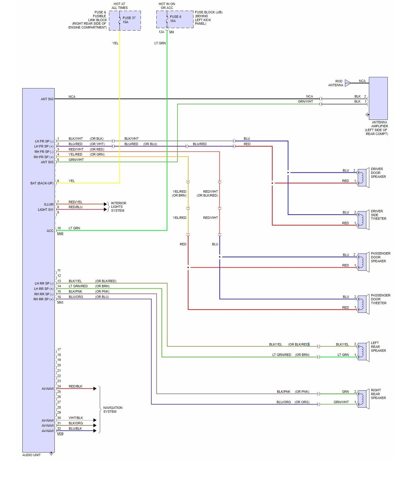
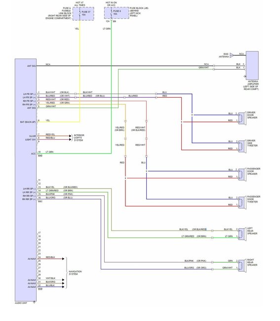
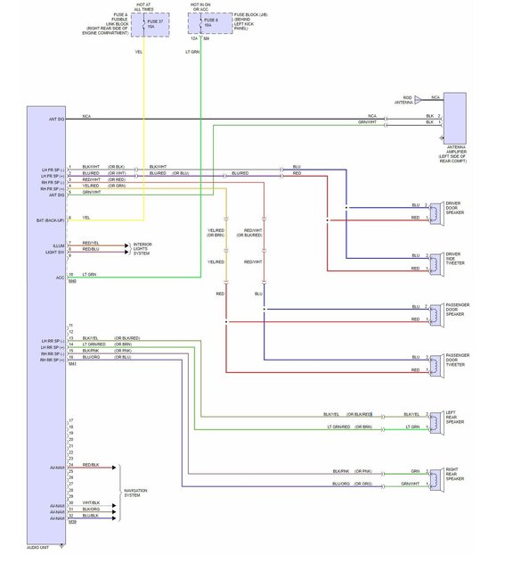
The wiring may have an extra connector because they used two different sound systems for that car. The base version and a Bose system. The Bose uses more wiring because it has an amp and the option of a navigation and satellite add on modules.
I attached the Bose version of the wiring as the first picture, the second is the base version. Might at least help you sort that out.
Then once you get that sorted you can see if the scan tool can talk to the ECU.
Was this
answer
helpful?
Yes
No
+1
Sunday, July 8th, 2018 AT 4:56 PM
Tiny
NICOLAJIE
  • MEMBER
  • 5 POSTS
Thanks again Steve, once I figure out all the OBD issues. I will then determine the ABS problems. Also, I estimated that the random wire that was hanging in the car was some sort of wire that goes from the driver side window winder to the passenger, clearly something in the passenger side broke and they did a make shift repair job. At least I know that is not a problem. Thanks again though Steve.
Was this
answer
helpful?
Yes
No
Tuesday, July 10th, 2018 AT 1:06 PM
Tiny
STEVE W.
  • MECHANIC
  • 15,671 POSTS
Good plan. If you want all of the OEM wiring diagrams you can visit http://www.bbbind.com/tsb-wiring-diagrams/
Enter the information they ask (does not have to be true/real name).
Select wiring and enter your vehicle information. You will find a lot of pages (70+) that are the wiring for your car. You can hit the links and download them as PDF files. After 3-4 you will get a message of "exceeding download limits" Just reload the page. If you open each one in a different tab it is easier.
Was this
answer
helpful?
Yes
No
+1
Tuesday, July 10th, 2018 AT 3:22 PM

Please login or register to post a reply.