How to bypass the Neutral Safety Switch?

Tiny
ROBERT JAMES TEMPLE
  • MEMBER
  • 2006 TOYOTA TACOMA
  • 4.0L
  • 6 CYL
  • 2WD
  • AUTOMATIC
  • 1,858,840 MILES
My truck broke down and I'm stuck in traffic. How do I bypass the switch so I can get home? Thanks
Tuesday, January 23rd, 2024 AT 9:39 AM

9 Replies

Tiny
KEN L
  • MASTER CERTIFIED MECHANIC
  • 55,361 POSTS
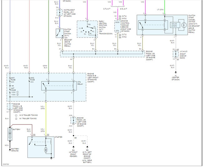
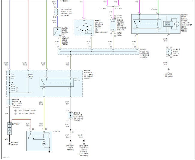
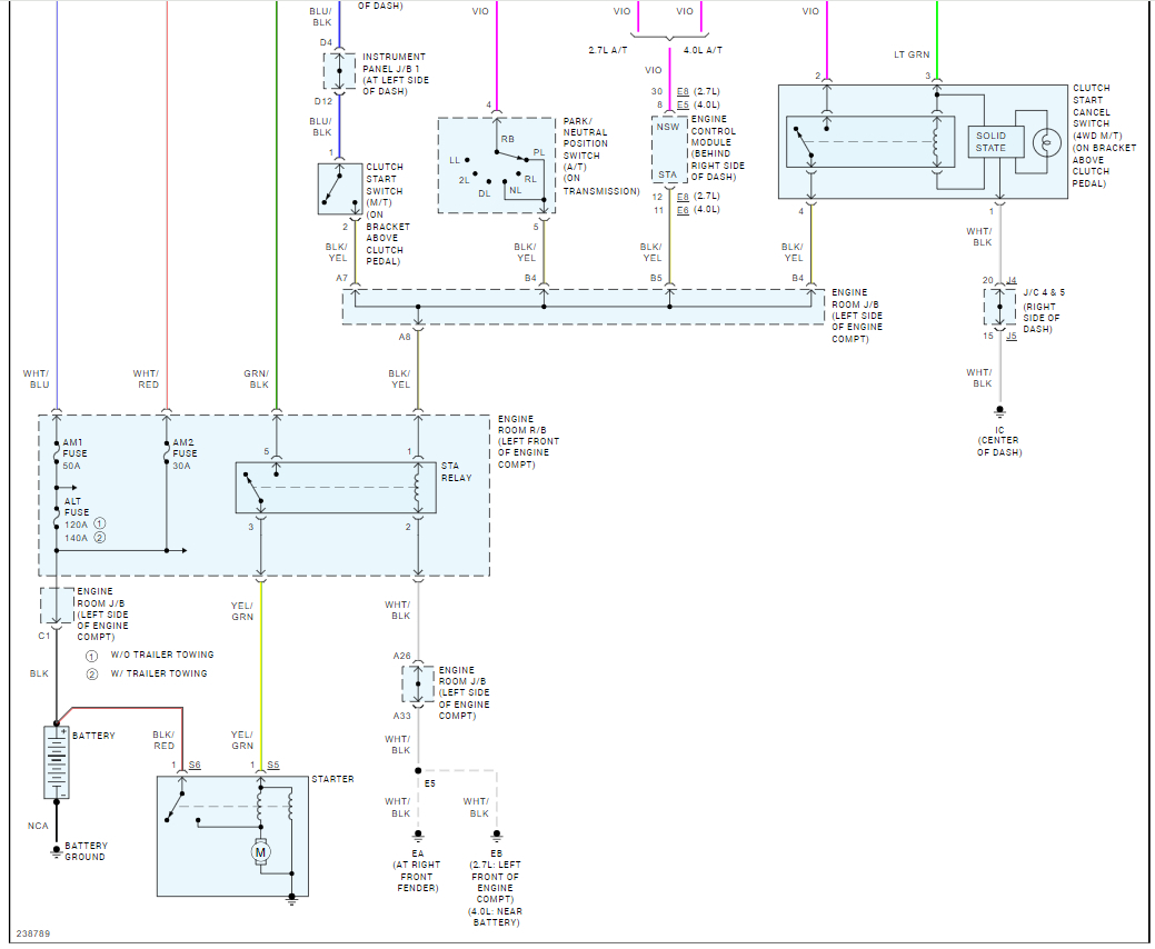
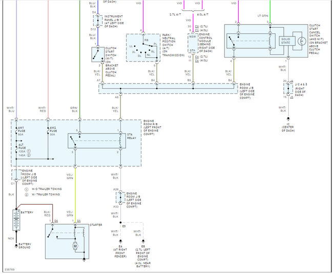
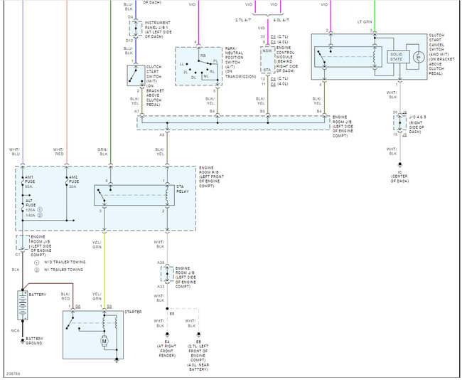
We can't tell you how to bypass the switch due to safety hazards, but you can look at these wiring diagrams to see how the system works. I would just replace the switch here is how. Check out the images (below). Let us know if you need anything else.
Was this
answer
helpful?
Yes
No
+1
Tuesday, January 23rd, 2024 AT 11:44 AM
Tiny
ROBERT JAMES TEMPLE
  • MEMBER
  • 15 POSTS
Thank you. I am going to fix it at the moment I'm stuck on the side of freeway, this is helpful.
Was this
answer
helpful?
Yes
No
Tuesday, January 23rd, 2024 AT 11:47 AM
Tiny
ROBERT JAMES TEMPLE
  • MEMBER
  • 15 POSTS
Thank you I am going to fix it at the moment I'm stuck on the side of freeway this is helpful
Was this
answer
helpful?
Yes
No
Tuesday, January 23rd, 2024 AT 11:47 AM
Tiny
KEN L
  • MASTER CERTIFIED MECHANIC
  • 55,361 POSTS
You are welcome, let me know if you need anything else.
Was this
answer
helpful?
Yes
No
+1
Tuesday, January 23rd, 2024 AT 12:14 PM
Tiny
ROBERT JAMES TEMPLE
  • MEMBER
  • 15 POSTS
One more thing, can I get the wire diagram for my harness there's wires and how do I put the new range sensor in where do I set dial on sensor?
Was this
answer
helpful?
Yes
No
Tuesday, January 23rd, 2024 AT 12:20 PM
Tiny
KEN L
  • MASTER CERTIFIED MECHANIC
  • 55,361 POSTS
You should be able to match it to the old one, they don't show me anything else. Can you upload an image of the problem you are having? That way I can see what's going on.
Was this
answer
helpful?
Yes
No
Wednesday, January 24th, 2024 AT 9:49 AM
Tiny
ROBERT JAMES TEMPLE
  • MEMBER
  • 15 POSTS
It only shows in and reverse but does not move forward or reverse there is a specific way I think how to put range sensor on. I had a po2174 pressure sensor d I replaced it. Do you think I messed something up? My old range sensor is in pieces really hard to get off.
Was this
answer
helpful?
Yes
No
Wednesday, January 24th, 2024 AT 10:17 AM
Tiny
ROBERT JAMES TEMPLE
  • MEMBER
  • 15 POSTS
I am able to start it using a jumper wire on relay but still moves nowhere.
Was this
answer
helpful?
Yes
No
Wednesday, January 24th, 2024 AT 10:18 AM
Tiny
KEN L
  • MASTER CERTIFIED MECHANIC
  • 55,361 POSTS
The engine computer needs to see what gear the truck is in for the transmission to work.
Was this
answer
helpful?
Yes
No
Wednesday, January 24th, 2024 AT 10:29 AM

Please login or register to post a reply.