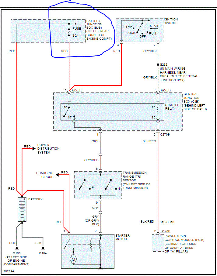
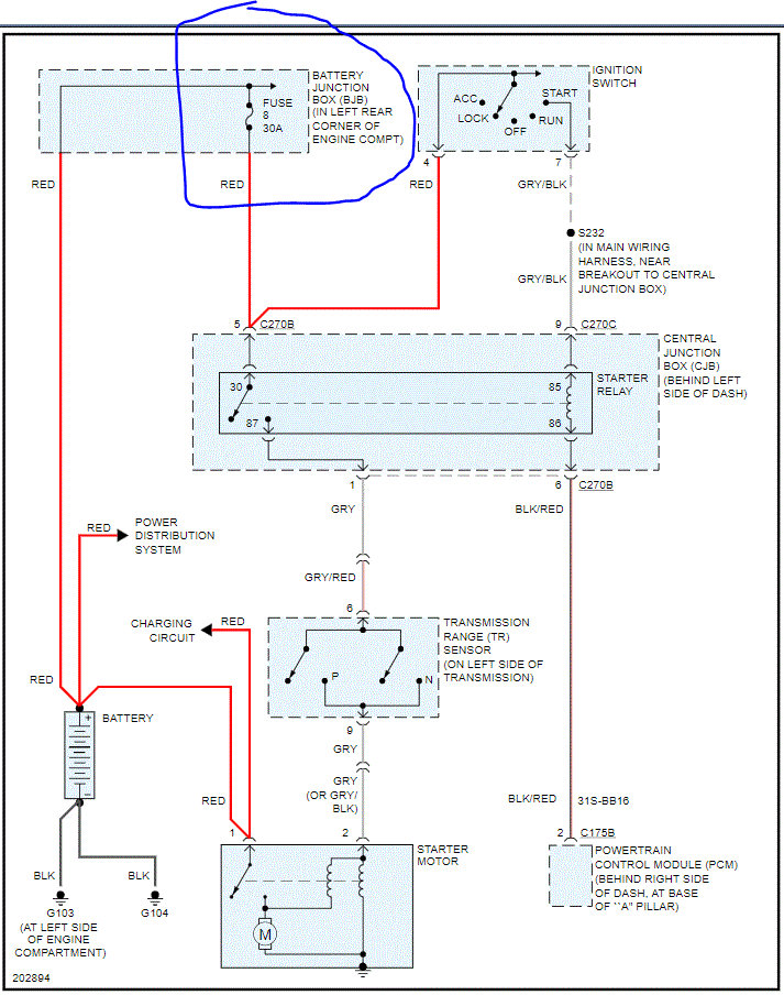
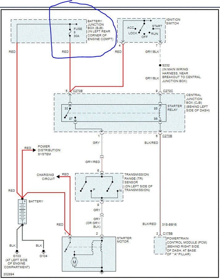
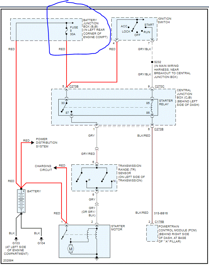
Thursday, November 19th, 2020 AT 5:19 PM
I replaced a new master switch on the driver side window and now the car won't start. It does click when I try to turn it over by the fuse box and the lights and everything turns on and battery is fully charged. Car won't start.




