Tuesday, October 15th, 2024 AT 8:51 AM
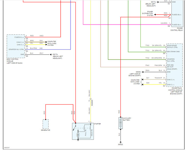
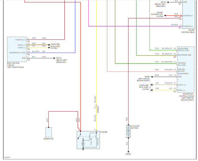
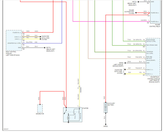
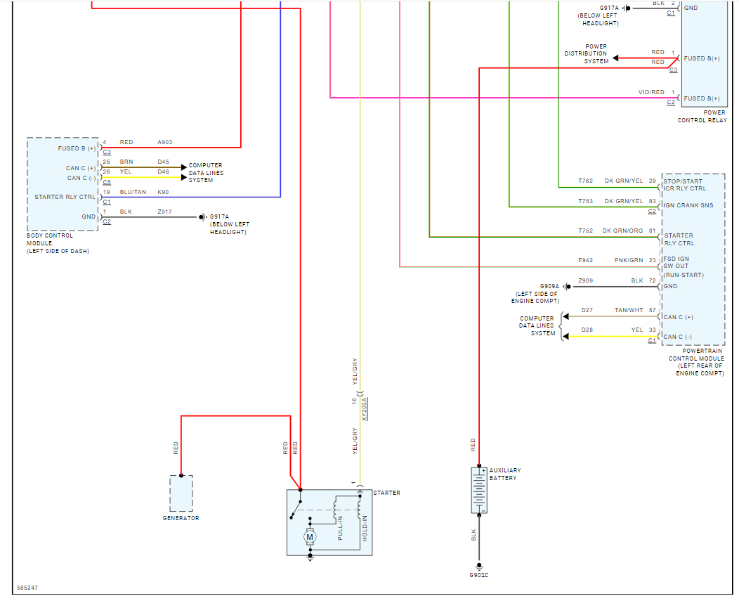
My van will not start, but we’ll go to run mode, and everything will turn on electronically. It is a push button start. I checked both batteries and they are good. I changed the starter thinking that was it and it did not fix it. There was a recent misfire code in cylinder one. I changed the spark plug and coil for cylinder one a week ago when it gave me that code.









