Monday, January 15th, 2024 AT 6:35 PM
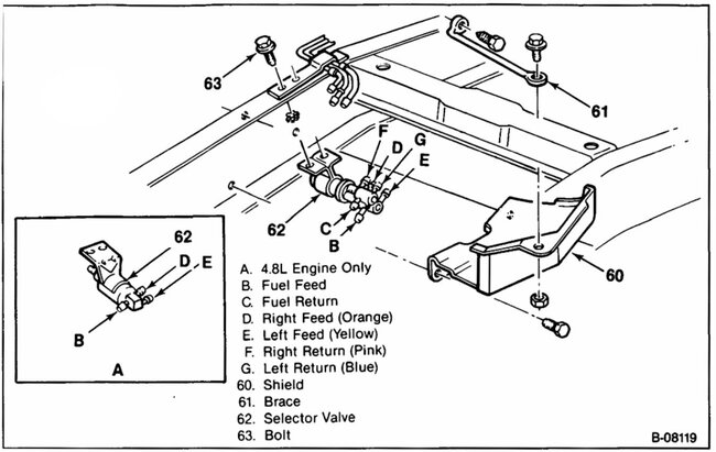
Installed new solenoid to switch tanks and now the truck won’t start even though it would run before on driver’s side tank both tanks and pumps and solenoid are new.



