Sunday, March 5th, 2023 AT 5:09 AM
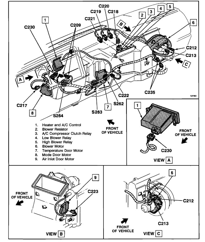
I hear a clicking noise under my dash on the passenger side of my truck inside the cab. I tried switching all my ac/heater controls but no such luck I think it might be an actuator but don't really know. How many are there under the dash? Thanks
