Friday, May 28th, 2021 AT 10:24 AM
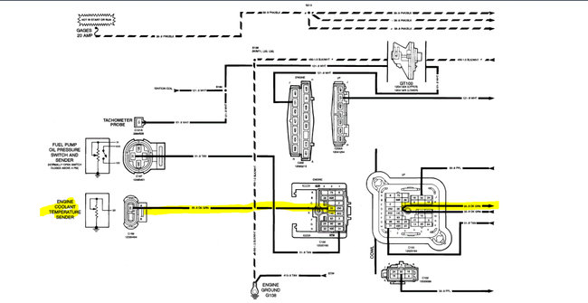
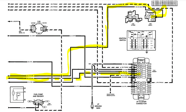
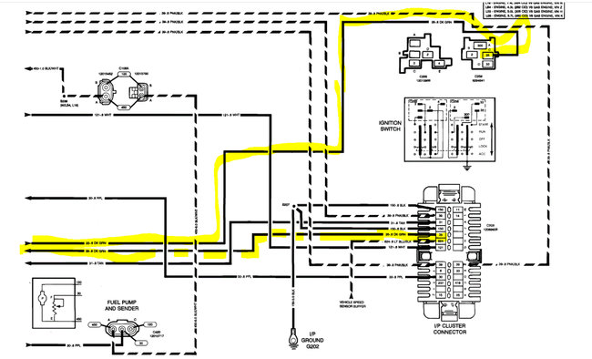
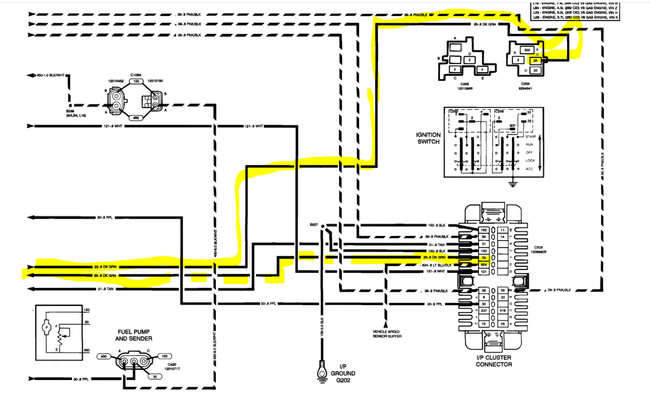
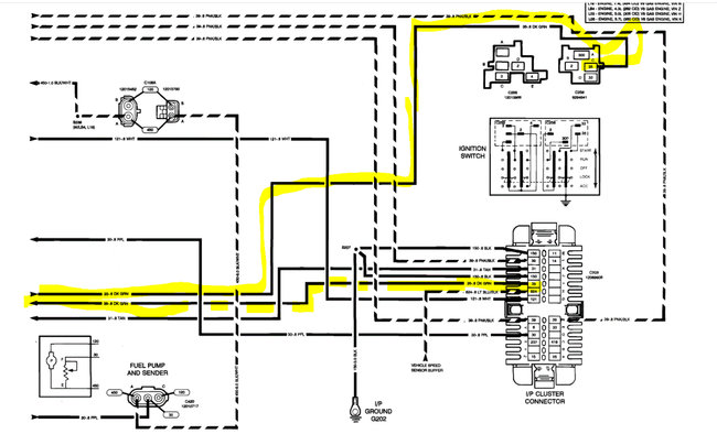
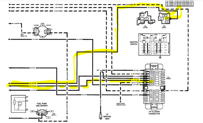
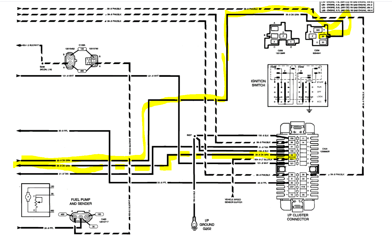
I grounded the pigtail and the gauge went to hot so I know everything going to the cluster is good. I tested the resistance on the temperature switch and it was around 2000 ohms cold and it dropped when I put it in hot water. Don't know where to go from here. Truck listed above is a C1500 350.





