Wednesday, May 30th, 2018 AT 5:21 AM
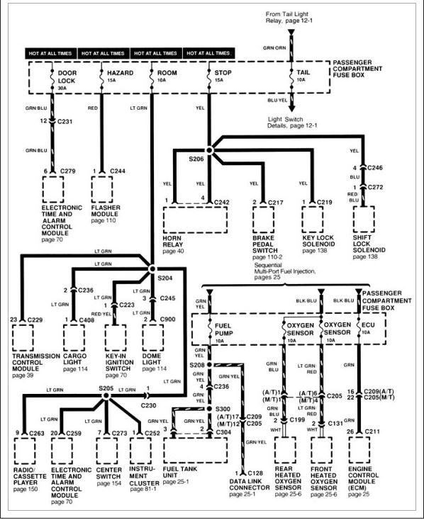
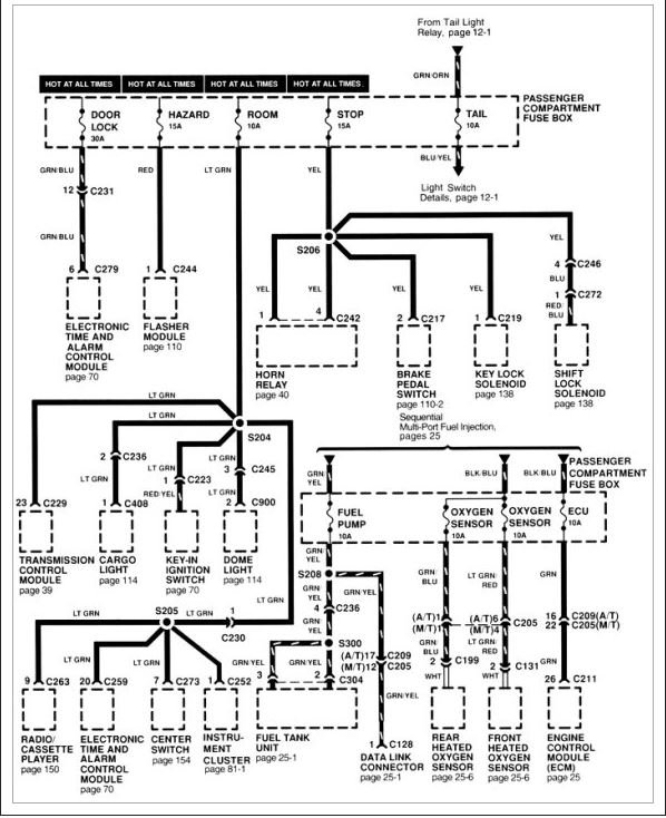
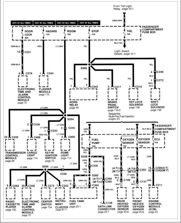
Have no tachometer, speedometer, no fuel gauge, no temperature gauge. Also, my hold button for the transmission will not work. The light does not even come on switch from econo to power light does not come on. Having to manually shift, it will not shift on its own. AC will not come on. Checked all my fuses. Everything seems to be in order. I am thinking maybe relay or something. I just noticed it yesterday when I was on my way home from work. If I just put it in drive it would not go anywhere hardly at all if I manually shift it runs fine.




