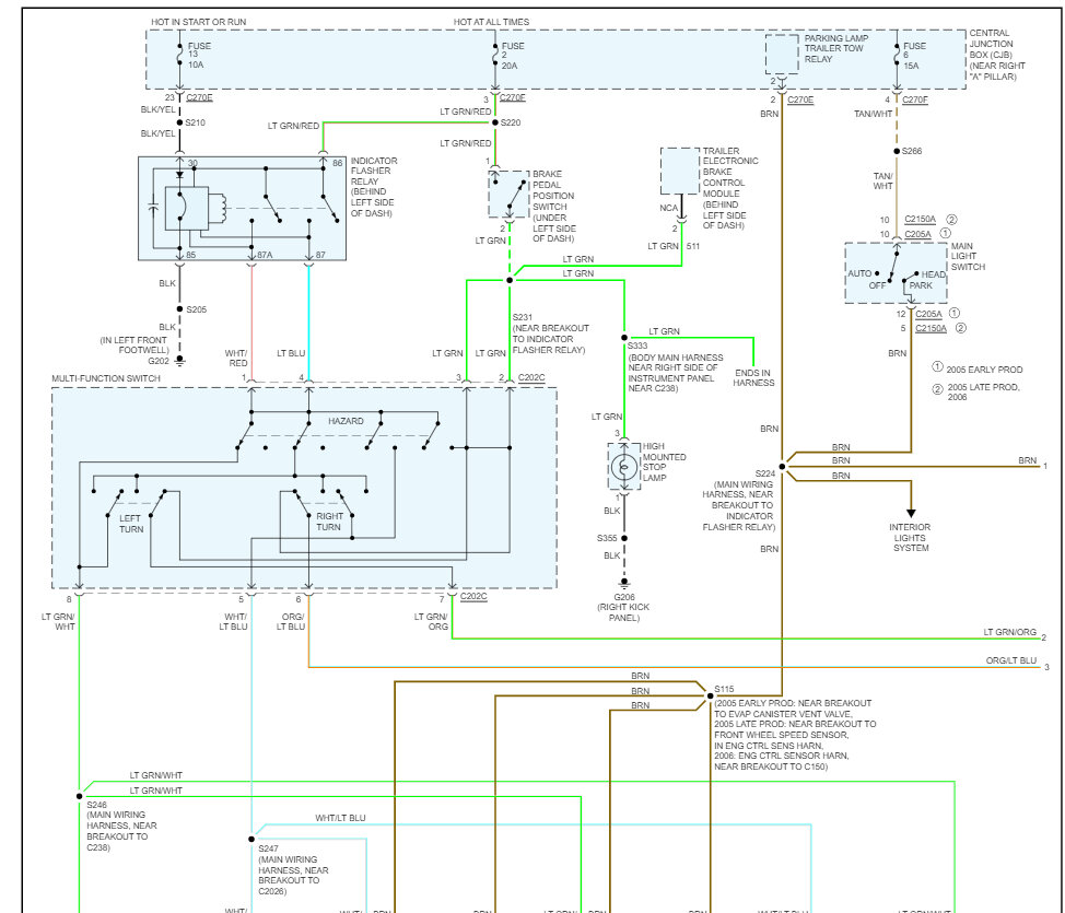
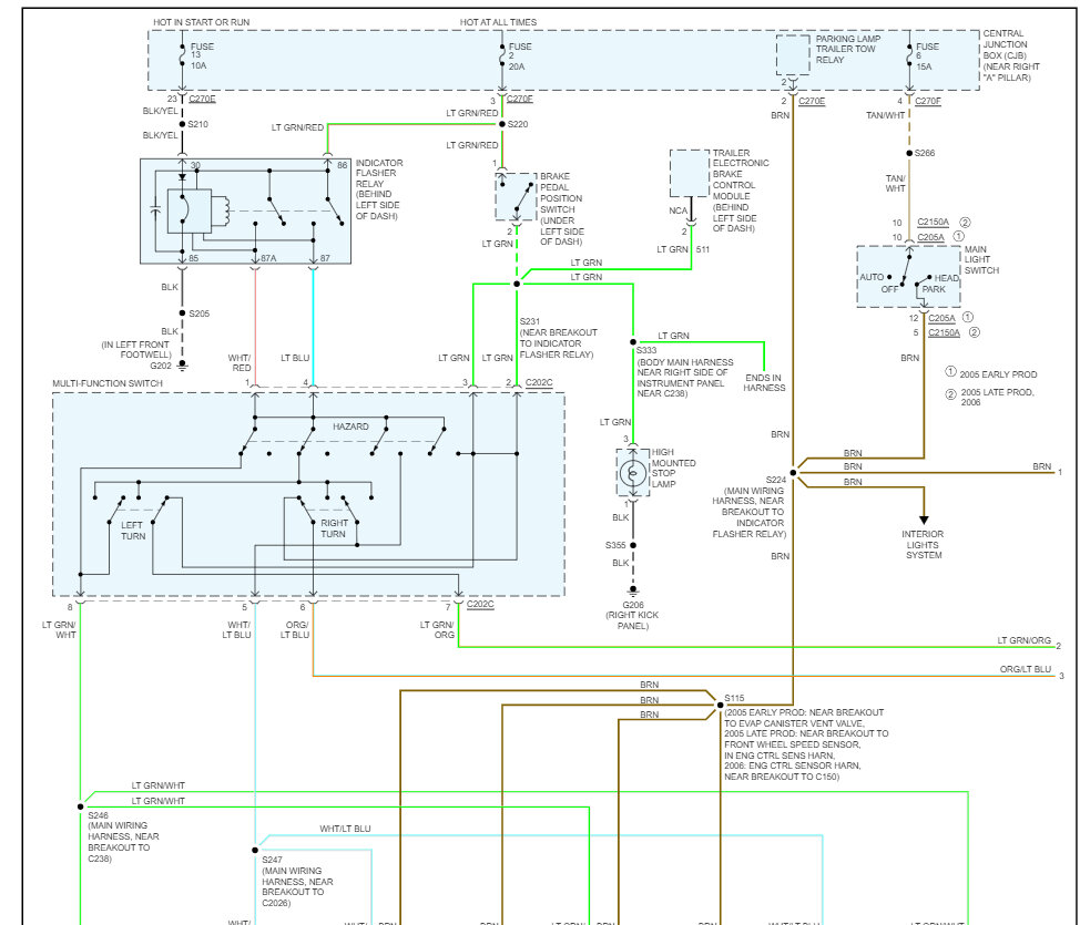
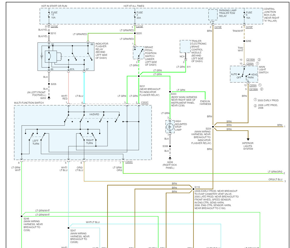
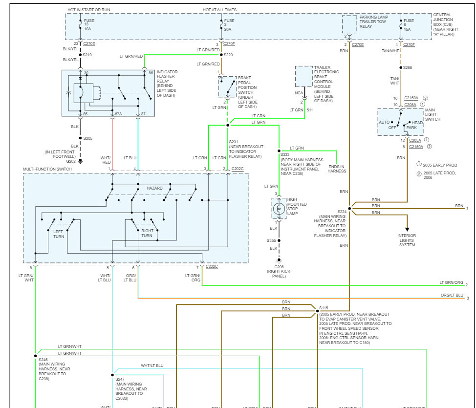
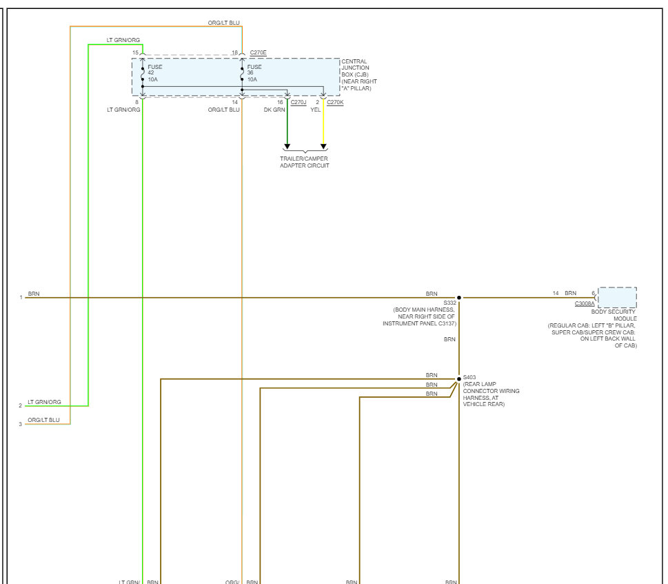
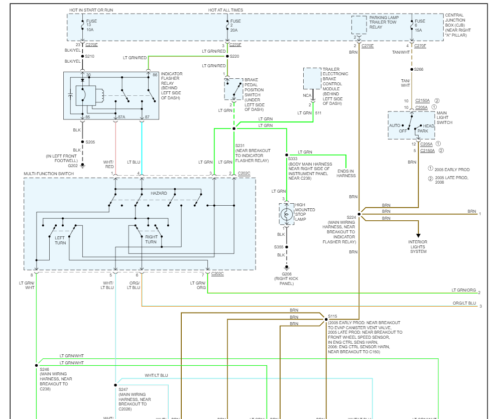
Hoping someone will be kind enough to help me with chasing electrical ghosts. I think it might be the brake switch, but I'm not 100% sure. I have checked fuses and bulbs but did not test connections with a circuit tester.
Headlights, running lights and front flashers work.
Taillights don't come on at all, rear flashers work but dim, and brake lights only come on if headlights are off.
The part that throws me through a loop is, the flashers speed up when the brake is engaged.
I do hear the brake switch click when the headlights are off, but do not hear the brake switch click when the headlights are on.
Thank you in advance.
Sunday, June 25th, 2023 AT 11:50 AM




