Tuesday, April 1st, 2014 AT 4:53 PM
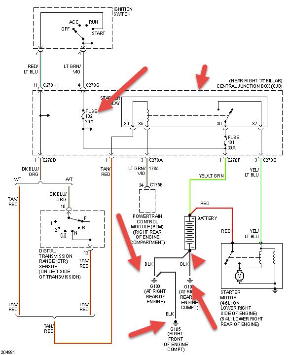
I put the key in the igniton and it wont even turn over. All the guages move like they are suppose to. When I take the key out the guages are still like the truck is on. The steering wheel doesnt lock in place and I can move the gear shifter without the key onthe gauges have even been on when I disconnected the battery. I have replaced the battery and at first it cranked. So I turned it off and a few minutes later it was back the same way. I NEED HELP


