Is this a bad alternator sign or a short?
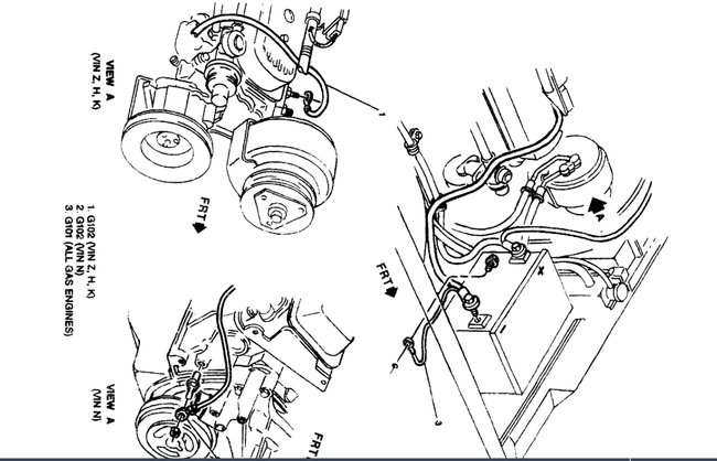
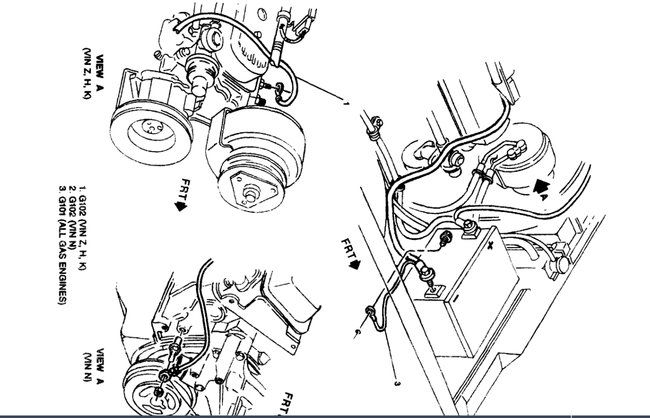
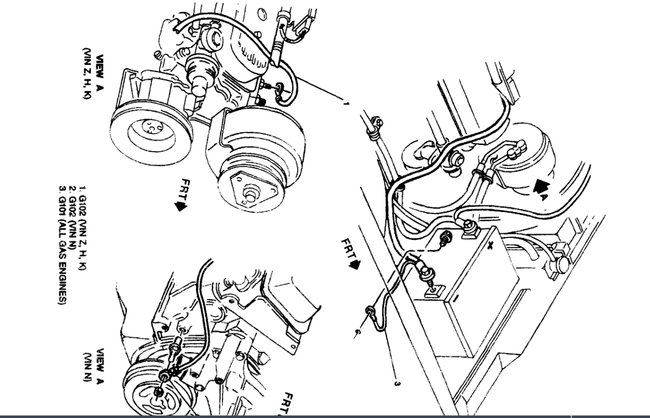
I did find what I think are ground wires for the starter (they're running down along with the "hot" starter wire) touching the heat shield. I can not see how damaged they are but could that be it?
Saturday, November 21st, 2020 AT 3:52 PM


