Hi
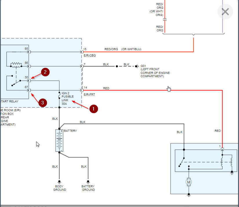
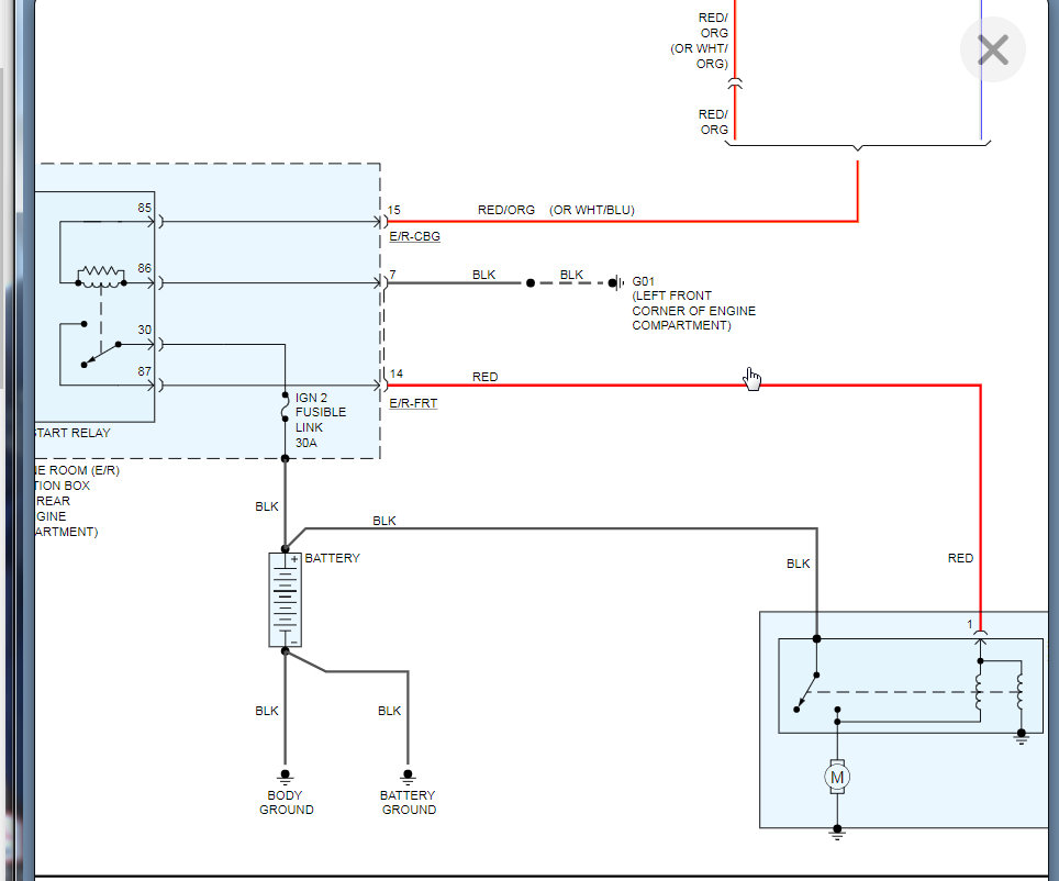
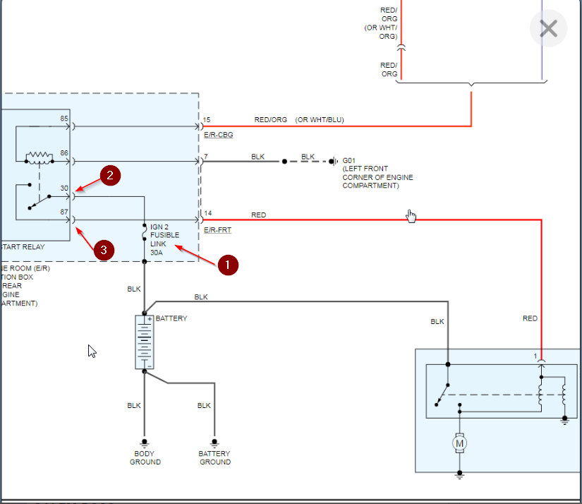
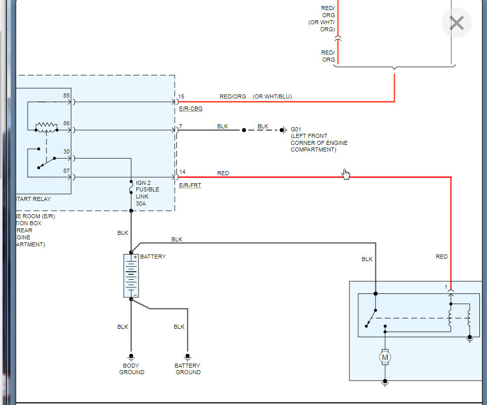
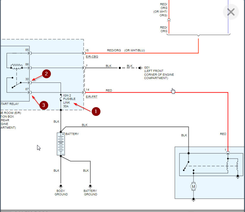
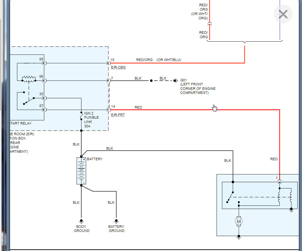
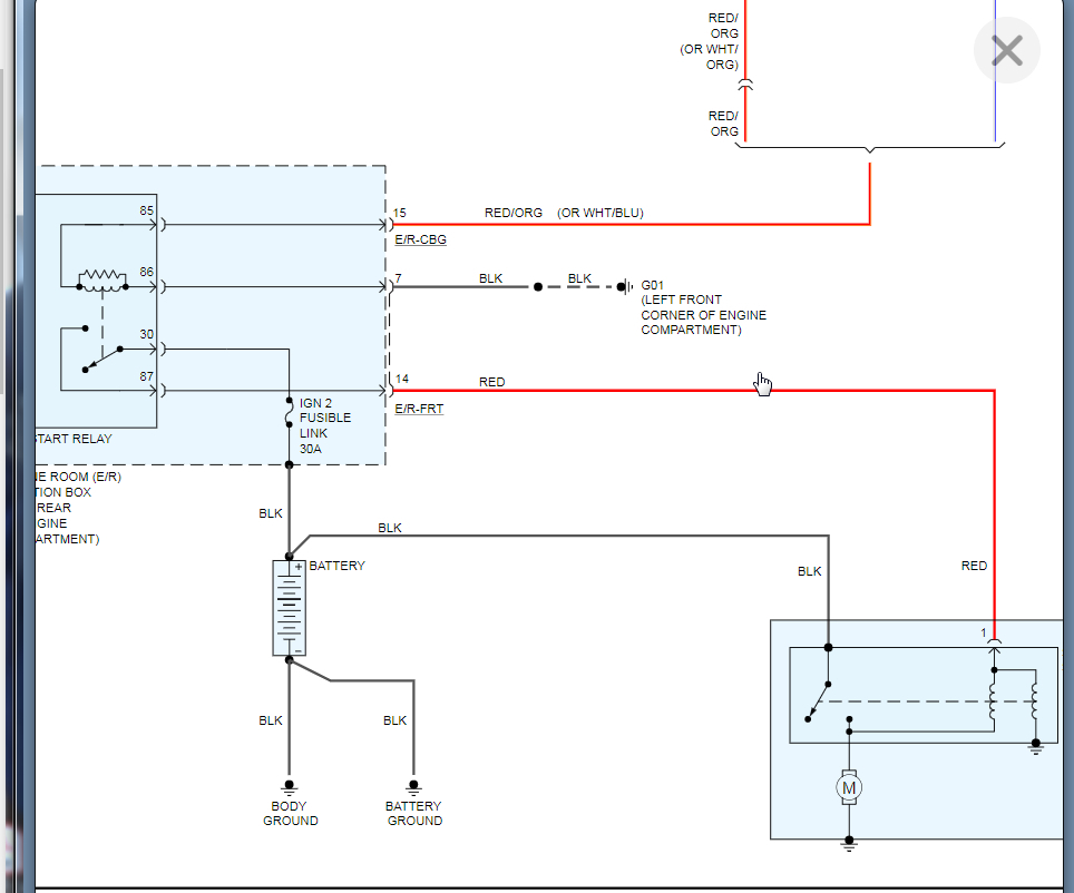
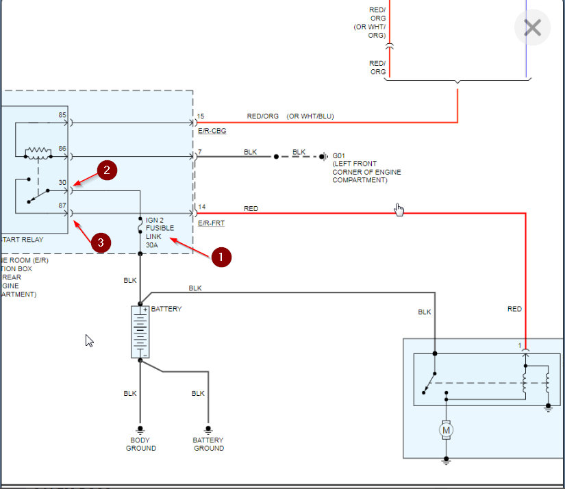
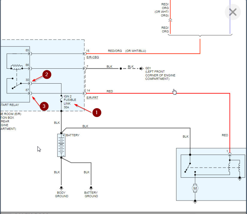
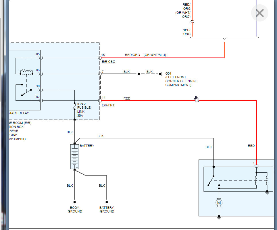
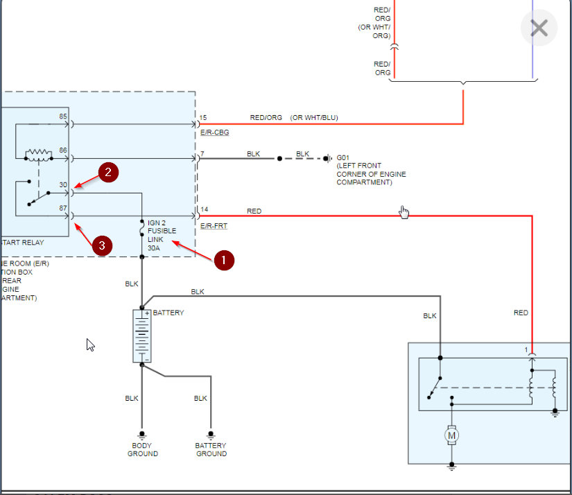
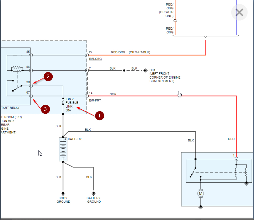
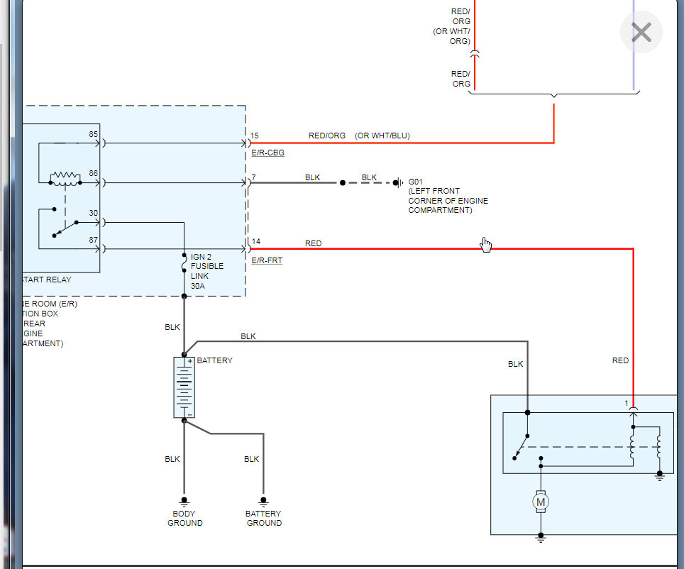
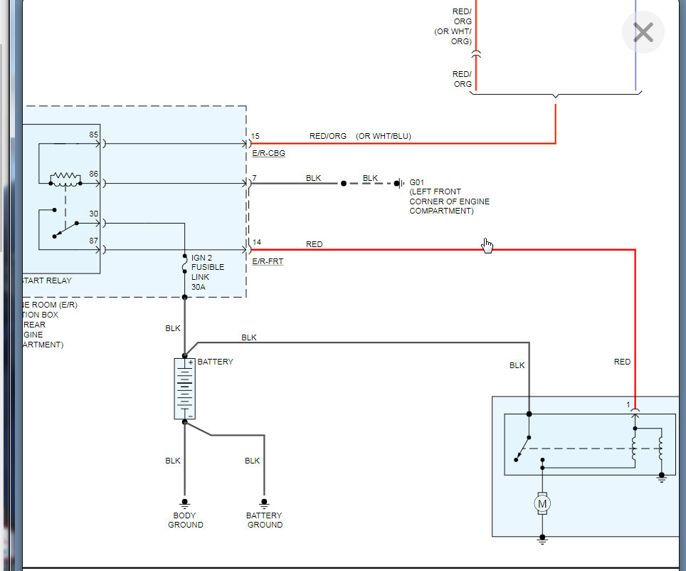
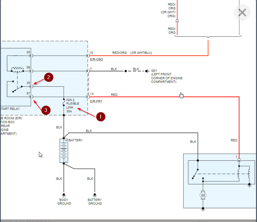
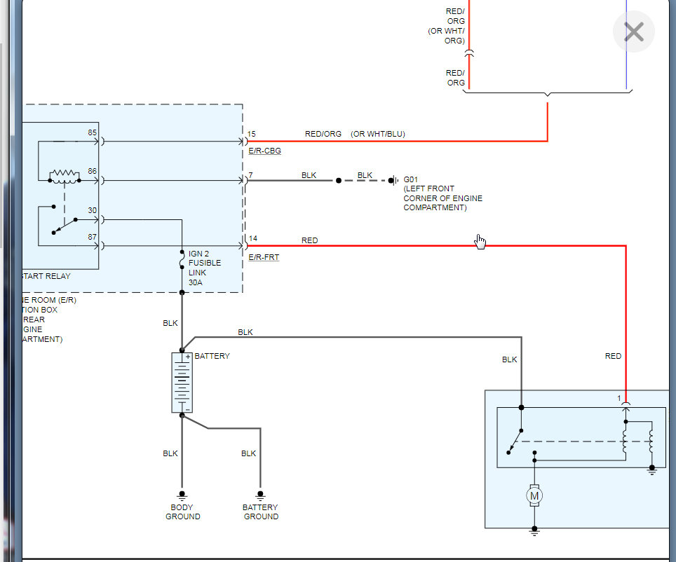
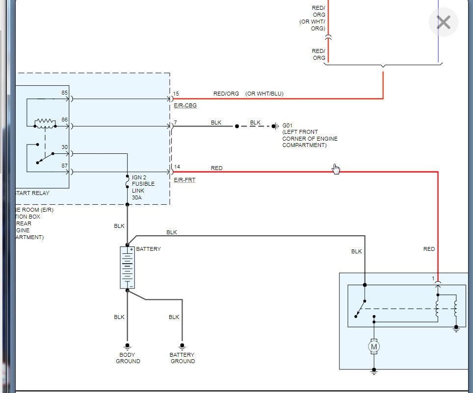
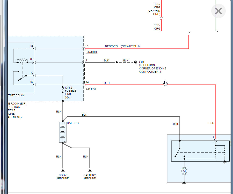
The car was stolen, ignition switch was damaged and replaced. The ignition switch clicks when attempting to start but nothing happens, fuse IGN 2 has power. The starter relay fuse has no power.
The car was stolen, ignition switch was damaged and replaced. The ignition switch clicks when attempting to start but nothing happens, fuse IGN 2 has power. The starter relay fuse has no power.
Apr 5, 2020 at 12:27 PM



