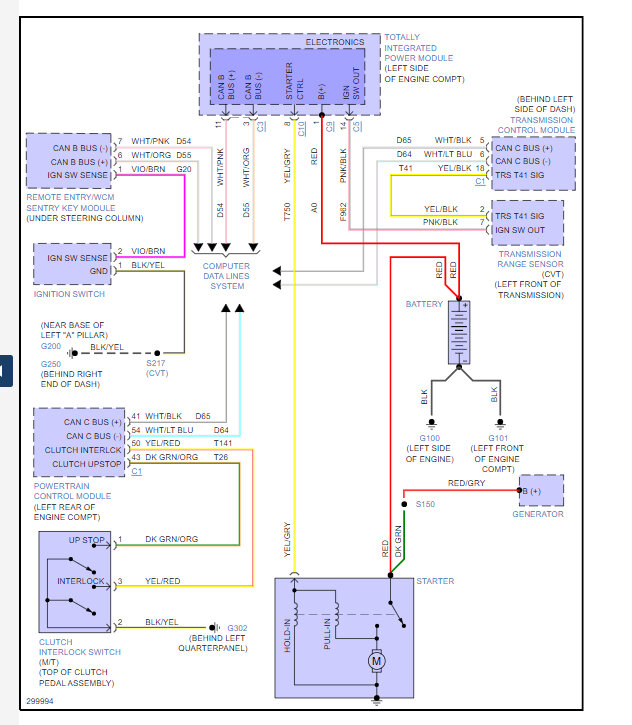
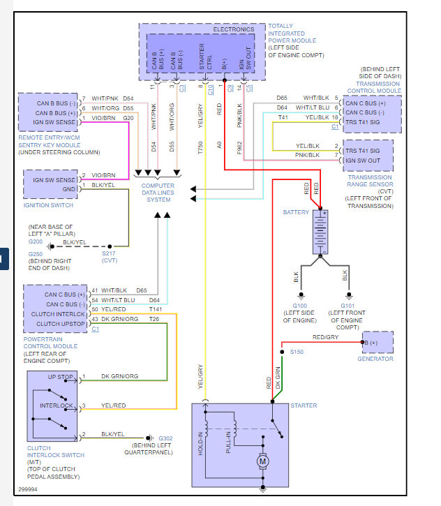
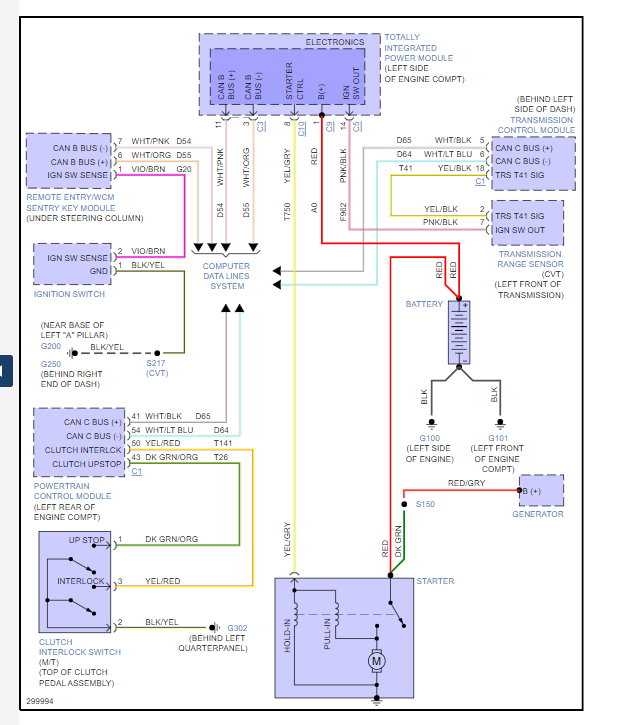
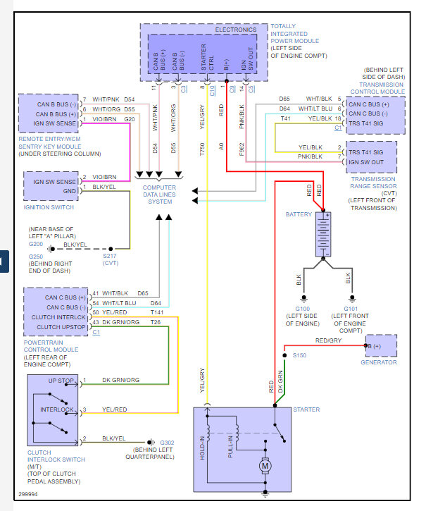
I replaced it, same no start. I changed TIPM, same thing, checked relays under head light same thing, no start. I'm at a loss. I'm going to check wires around the relay box next.
Jan 17, 2023 at 4:34 AM




