No start no communication to computer

Tiny
ALBROWER87
  • MEMBER
  • 2009 CHEVROLET AVEO
  • 1.6L
  • 4 CYL
  • 2WD
  • AUTOMATIC
  • 67 MILES
The car was in a deer hit. I bought it needing a headlight and fender through auction. The car will not turn over. No fuel pump or check engine light when the key is in the on position. I have changed the fuse box and the PCM. I am thinking there is no power to the PCM but I do not have a wiring diagram for it. I have been able to power the fuel pump through a power point and I have had the engine turn over the same way. Any help is greatly appreciated. Thank you
Thursday, September 13th, 2018 AT 1:47 PM

14 Replies

Tiny
DANNY L
  • MECHANIC
  • 5,648 POSTS
Hello, I am Danny.

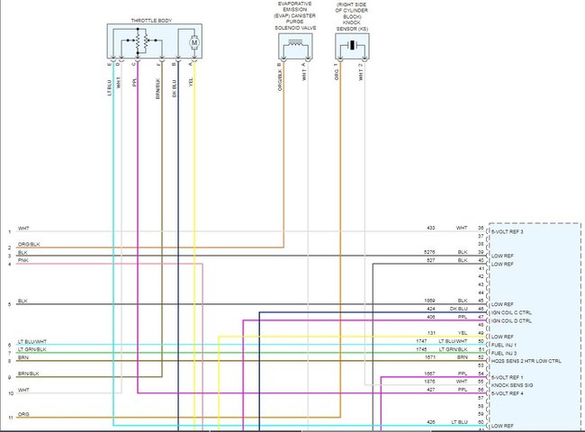
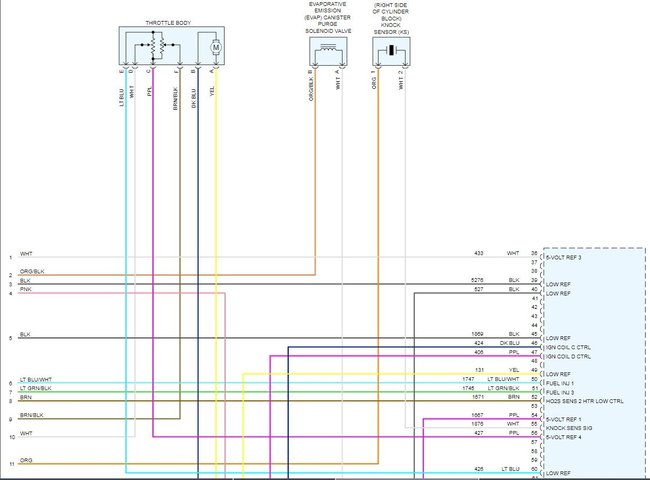
I have attached a wiring diagram for the ECM. Hope this helps and feel free to ask any questions. Thanks for using 2CarPros.

https://www.2carpros.com/articles/car-cranks-but-wont-start

Danny-
Was this
answer
helpful?
Yes
No
+4
Saturday, September 15th, 2018 AT 9:16 AM
Tiny
ALBROWER87
  • MEMBER
  • 2 POSTS
I have not had much luck it appears there is no communication from the OBD connector under the dash through the system. I was unable to get the picture to come up clear. I did a little more research and found it runs through a couple more modules before hitting the PCM/ECU.
Was this
answer
helpful?
Yes
No
+2
Saturday, September 15th, 2018 AT 12:07 PM
Tiny
DANNY L
  • MECHANIC
  • 5,648 POSTS
Hello again.

Let me know if you need any other wiring diagrams. We are here to help. Thanks again for using 2CarPros.
Danny-
Was this
answer
helpful?
Yes
No
Saturday, September 15th, 2018 AT 5:38 PM
Tiny
JAKES72
  • MEMBER
  • 2 POSTS
  • 2009 CHEVROLET AVEO
  • 2.4L
  • 4 CYL
  • AWD
  • MANUAL
  • 108,000 MILES
I’m in SA and I have a 2009 Chevrolet Captiva 2.4L petrol (4 cylinder) with 108000 km’s (Serviced at 107000kms). When I start the vehicle (if it has stood overnight or a few hrs) I have to turn the key on and off 2-3 times, cranking each time for a few secs before it starts.
Initially I would have to do this 4-5 times, but the agent upgraded its software which has now improved it a bit.
When it starts, it makes 1 or 2 †popping’ sounds from the engine and there is a smell of burning oil & petrol. It then runs rough for a few secs and then is fine.
If I kill the engine straight away and start again, it fires up easily on 1st turn and also if warm it starts easy.

A mechanic looked as I started it and says that it seems to be getting flooded. When I hold the throttle flat on the floor and start the vehicle it fires up 1st time.
Car also runs fine and has no other problems.

The dealer has also put a new battery in as well. What is peculiar though is that sometimes maybe 2/10 times the vehicle will start first time. The dealer who is located about 150km’s from me inland (I am right next to the sea), says that he starts the vehicle first time too.

Please I would really appreciate any advice from you as too what may be causing this problem?

Many thanks for your time,

Kind regards,
Jacques.
Was this
answer
helpful?
Yes
No
Monday, February 25th, 2019 AT 6:04 PM (Merged)
Tiny
HMAC300
  • MECHANIC
  • 48,601 POSTS
Have fuel pressure checked with a gauge may be a bad regulator or injectors need cleaning.
Was this
answer
helpful?
Yes
No
+2
Monday, February 25th, 2019 AT 6:04 PM (Merged)
Tiny
JAKES72
  • MEMBER
  • 2 POSTS
Thank you sir, I appreciate the advice.
Was this
answer
helpful?
Yes
No
Monday, February 25th, 2019 AT 6:04 PM (Merged)
Tiny
MOMZDREAMZ
  • MEMBER
  • 1 POST
  • 2010 CHEVROLET AVEO
  • 1.6L
  • 4 CYL
  • AUTOMATIC
  • 80,000 MILES
Car won't start. Tried jumping it. With cables connected it acts like it wants to start but, won't. When cables are disconnected, it just makes a clicking sound. Was told the codes on it were for an 02 sensor, multiple misfire and coolant low pressure. Replaced thermostat and added antifreeze, replaced spark plugs and air filter. All done in last 4 days.
Was this
answer
helpful?
Yes
No
Monday, February 25th, 2019 AT 6:04 PM (Merged)
Tiny
SATURNTECH9
  • MECHANIC
  • 30,869 POSTS
Has the battery been tested yet? Sounds like a bad battery atleast to start with I would have the battery charged and tested. I have seen batteries so bad you can't even jump start the car. Also make sure the battery cables are clean and tight. Let me know what happens when you get the battery charged and tested.
Was this
answer
helpful?
Yes
No
-1
Monday, February 25th, 2019 AT 6:04 PM (Merged)
Tiny
JAMESGALLOS
  • MEMBER
  • 1 POST
  • 2008 CHEVROLET AVEO
  • V12
  • FWD
  • MANUAL
  • 11,750 MILES
Few days ago my car won't start but if I push start the car its run normally. So I checked my battery and found out it needs to be replaced, and so I did. But after replacing the car battery the car still won't start but it has good battery power. I noticed in my panel board gauges are all down. I tried few times putting the engine ignition off and on but still the same problem. I ended up hiring a tow to bring my car to chevy service and left it there. After a day they told me it needs to replace the computer box that worth around US$1400. But I am in doubt of their diagnosis because before having battery problems the car runs great. Radio, Lights and all other works.
Was this
answer
helpful?
Yes
No
Monday, February 25th, 2019 AT 6:04 PM (Merged)
Tiny
RASMATAZ
  • MECHANIC
  • 75,992 POSTS
Few days ago my car won't start but if I push start the car its run normally

Your possibilites here could be the starter, starter relay, clutch switch and ignition switch
Was this
answer
helpful?
Yes
No
Monday, February 25th, 2019 AT 6:04 PM (Merged)
Tiny
NELSON11
  • MEMBER
  • 2 POSTS
  • 2004 CHEVROLET AVEO
  • 4 CYL
  • 2WD
  • AUTOMATIC
  • 70,000 MILES
The car had been running fine but then made a noise that sounded like a playing card in bicycle spokes, the engine revved higher and higher as the car lost all power, the check engine and oil lights came on as the car stalled. When I try to start it, the flywheel spins, but engine does not turn over. Timing chain/belt is on, serpentine belt is fine. A fluid was dripping near the front passenger wheel and it left a puddle, but the liquid was not oily and had no smell. Any ideas?
Was this
answer
helpful?
Yes
No
+1
Monday, February 25th, 2019 AT 6:04 PM (Merged)
Tiny
MATT97
  • MEMBER
  • 1 POST
My 2004 did the same thing I didn't hear any sound but was traveling in the 50's then I lost all power and now she won't turn over at all, I hear the fly wheel spin when I turn the key but no crank. I still have fuel pressure so I don't think its the fuel pump. The garage said it the starter but why would it stall if it was the starter?
Was this
answer
helpful?
Yes
No
Monday, February 25th, 2019 AT 6:04 PM (Merged)
Tiny
RASMATAZ
  • MECHANIC
  • 75,992 POSTS
Check engine light on
https://www.2carpros.com/articles/service-engine-soon-or-check-engine-light-on-or-flashing

Have the computer scanned for code/s-you have a problem within the engine management system that caused the CEL to turn on-This is your starting point of diagnosis,finding out what's going on.
Was this
answer
helpful?
Yes
No
Monday, February 25th, 2019 AT 6:04 PM (Merged)
Tiny
DRCRANKNWRENCH
  • MECHANIC
  • 3,380 POSTS
There are a few possibilites. It really depends on the source of the oil leak.

If the transmission is leaking, the torque converter, Flex Plate or Differential may have failed and blew out a seal or damaged the cases.

If the oil is coming from a strut, it will need to be replaced.

There are other possibilites, it all depends on the source of th eoil leak.

Here are some links to some walk through diagnosis'

https://www.2carpros.com/articles/checking-shocks-and-struts

https://www.2carpros.com/articles/clicking-sound

https://www.2carpros.com/articles/rattle-noise

Let me know if you have any further questions.
Was this
answer
helpful?
Yes
No
Monday, February 25th, 2019 AT 6:04 PM (Merged)

Please login or register to post a reply.