Will not engage the starter?

Tiny
ANDRIN ATEM
  • MEMBER
  • 2014 MITSUBISHI OUTLANDER
  • 2.7L
  • 4 CYL
  • 4WD
  • AUTOMATIC
  • 17,657 MILES
Hi Ken, I have the vehicle listed above and it won’t engage the kick starter when push button is pressed, rather it turns the dash off.

VIN: 4A4AR4AU0EE028967

I like to have Diagram of the push button to the kick stater relay and the kickstarter.
Monday, February 24th, 2025 AT 2:18 PM

9 Replies

Tiny
KEN L
  • MASTER CERTIFIED MECHANIC
  • 55,281 POSTS
It sounds like the battery is no good, have you had it load tested? Or you have a bad connection at the battery please go over this guide to help:

https://www.2carpros.com/articles/everything-goes-dead-when-engine-is-cranked

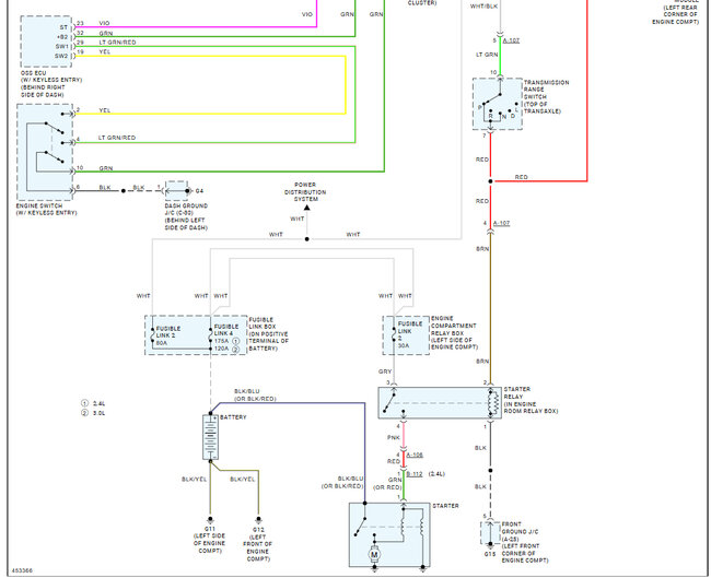
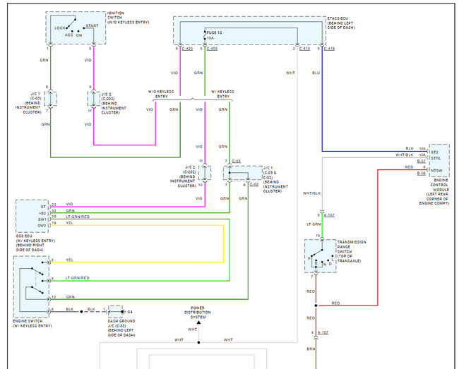
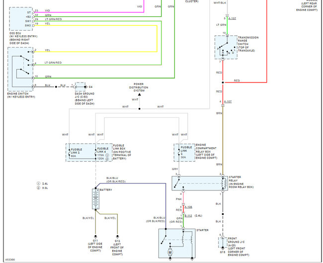
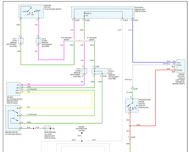
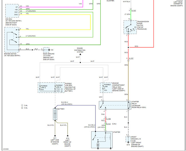
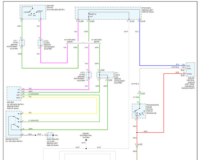
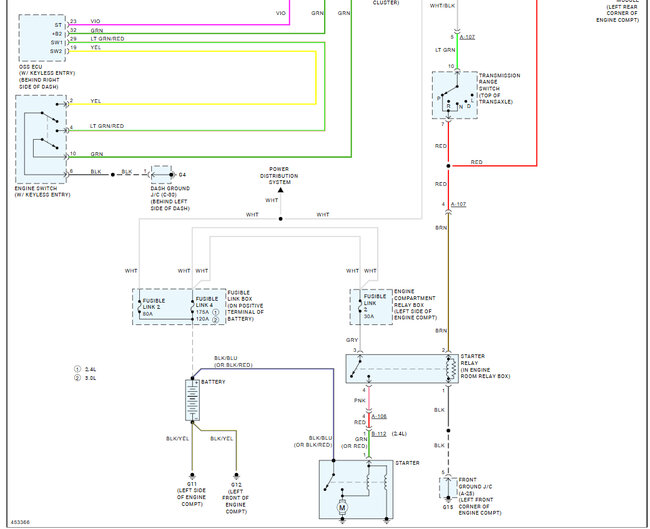
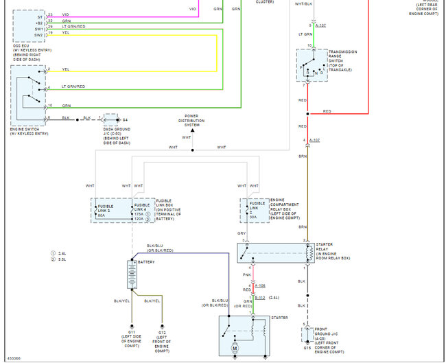
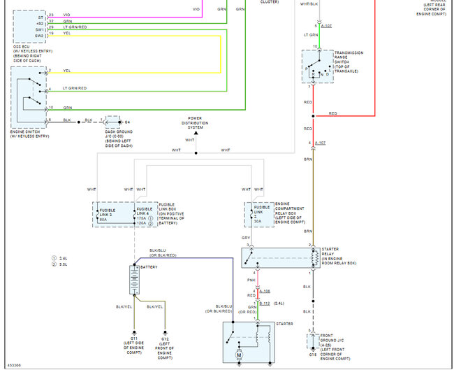
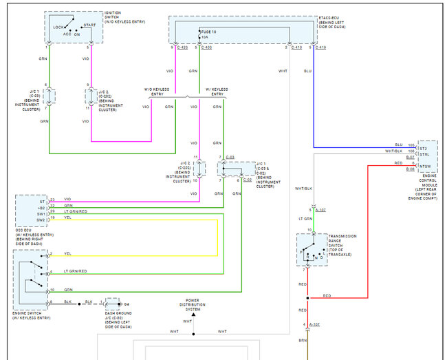
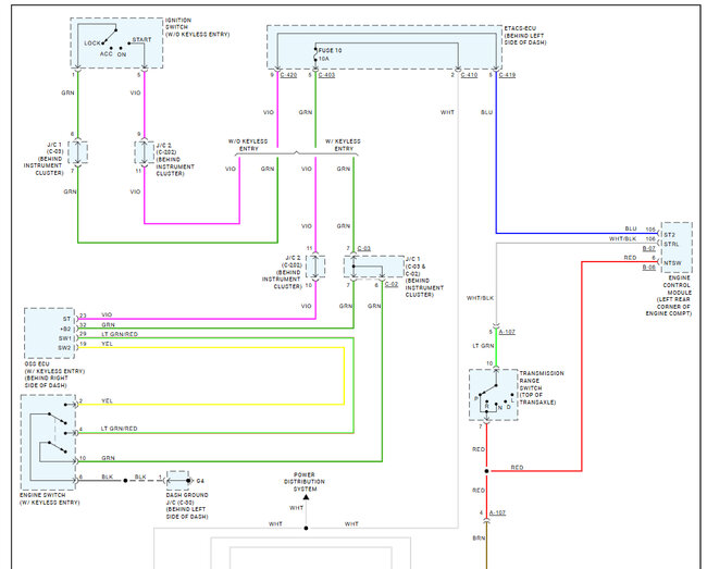
Here is the starter wiring diagrams as requested. Check out the images (below). Please upload pictures or videos in your response of any problems so we can see what to help you with.

Was this
answer
helpful?
Yes
No
+1
Monday, February 24th, 2025 AT 6:39 PM
Tiny
ANDRIN ATEM
  • MEMBER
  • 420 POSTS
Thank you, Ken.
Was this
answer
helpful?
Yes
No
Tuesday, February 25th, 2025 AT 4:51 AM
Tiny
KEN L
  • MASTER CERTIFIED MECHANIC
  • 55,281 POSTS
You are welcome Andrin. Let me know wat happens.
Was this
answer
helpful?
Yes
No
Tuesday, February 25th, 2025 AT 9:51 AM
Tiny
ANDRIN ATEM
  • MEMBER
  • 420 POSTS
Sure.
Was this
answer
helpful?
Yes
No
Wednesday, February 26th, 2025 AT 3:59 AM
Tiny
ANDRIN ATEM
  • MEMBER
  • 420 POSTS
I got the code.
Hi Ken, please may I have the Pinout for can bus network for the ECM and TCM? I am getting a no communication codes after. Also having the can bus area network wiring diagram will easily help.
Was this
answer
helpful?
Yes
No
Wednesday, March 5th, 2025 AT 8:24 AM
Tiny
ANDRIN ATEM
  • MEMBER
  • 420 POSTS
Thanks at least now with the push button the car can power the kickstarter.
Was this
answer
helpful?
Yes
No
Wednesday, March 5th, 2025 AT 8:25 AM
Tiny
KEN L
  • MASTER CERTIFIED MECHANIC
  • 55,281 POSTS
What fixed the starter operation?
Was this
answer
helpful?
Yes
No
Wednesday, March 5th, 2025 AT 9:35 AM
Tiny
ANDRIN ATEM
  • MEMBER
  • 420 POSTS
A broken wire leaving the fuse box relay to the starter. From the previous diagram you sent, we followed and saw a broken wire.
Was this
answer
helpful?
Yes
No
Wednesday, March 5th, 2025 AT 1:00 PM
Tiny
KEN L
  • MASTER CERTIFIED MECHANIC
  • 55,281 POSTS
Nice work! Please post your new question here, you must be logged in.

https://www.2carpros.com/questions/new

Cheers, Ken
Was this
answer
helpful?
Yes
No
Thursday, March 6th, 2025 AT 8:43 AM

Please login or register to post a reply.