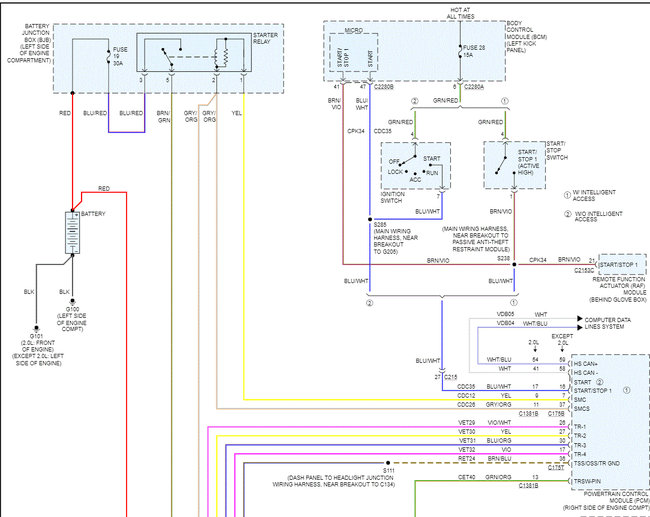
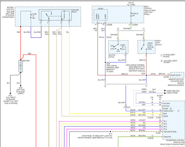
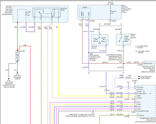
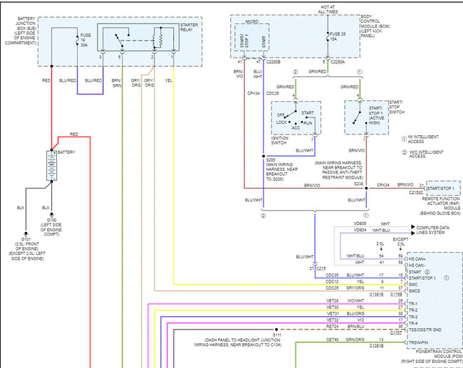
After thoroughly cleaning the battery terminal and post, I had to replace the terminal. The positive cable terminal was about $25 and the whole cable, with terminals at both ends, was about $140. Though 5-6 times more expensive than just the terminal, I decided to replace the entire cable because there just isn't enough slack in the cable to allow for snipping off the old terminal, stripping the cable for a new terminal (because of the way the wire harness is made, the cable can't be pulled out well enough to get enough slack) and reconnecting the terminal to the battery post. Also a contributing factor was nowhere does Ford publish any kind of specifications for the cable, like the gauge of the cable or its length. I could have tried to determine the gauge, but I figured, by the time I figure it out, I would have the OEM part by then. Besides, I probably would have had to buy about 5-10 feet of the wire, which I didn't need, and I probably would have had about the same cost as the OEM part, not to mention the trouble of having to try to splice the new cable to the old cable and attach the terminal or trying to make an all new cable with terminals at both ends. This presented another challenge in that the other terminal (at the starter) would have had to be reused because it can't be purchased separately. And, to top it off, I would have had to purchase a special crimper (an Open Barrel Crimping Tool, search for IWISS IWS-8200A or IWISS IWS-5100A, both about $46 from Amazon; not sure which is the right one because I don’t know the gauge and/or amperage I am working with). Again, all this is beside the point, but I wanted to explain the complete story of the decision to buy the OEM cable to help the widest audience.
So, I purchased the "Positive Battery Cable (Overlay Harness)", part number BT4Z-14A411-G and followed the instructions that came with it (see the attached instructions) to replace the cable.
I replaced the cable, with no problems, except that it probably took me about 10 times longer than a trained professional because, well, I am a DIYer. I don't have all the proper tools, training, workspace (shop), experience, etc, plus when I do a job on my own vehicle, I want I do an extra good job. I had to split the job up overnight because I didn't want to work into the wee hours of the morning, so I started Saturday afternoon and finished Sunday morning. I had the battery out of the vehicle overnight; I figure a total of about 17 hours.
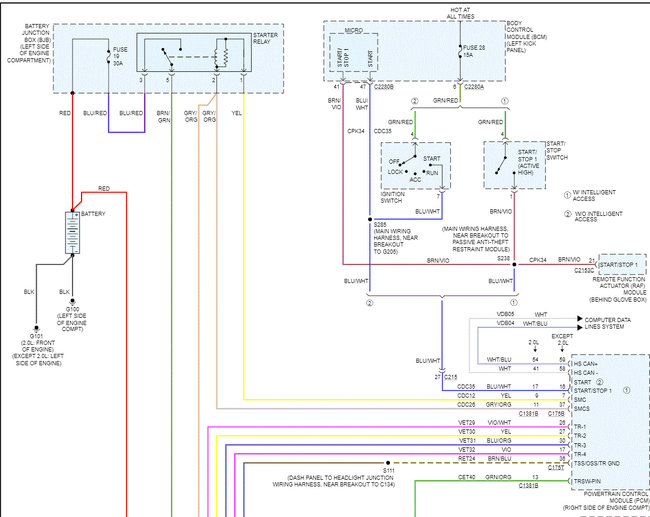
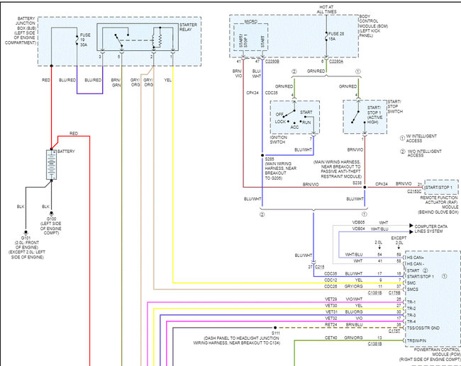
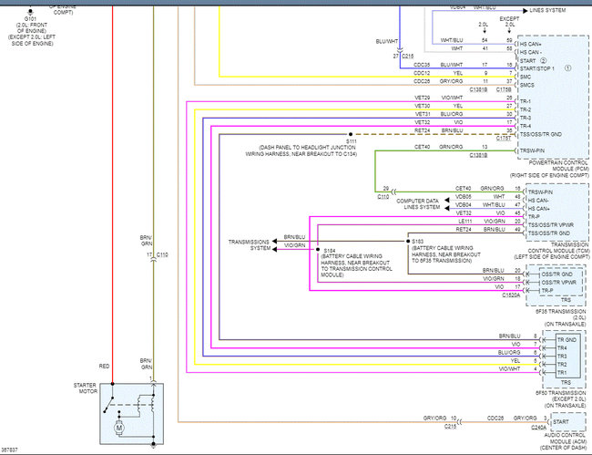
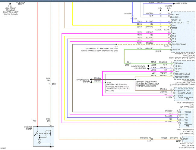
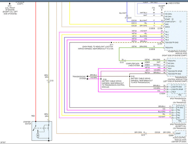
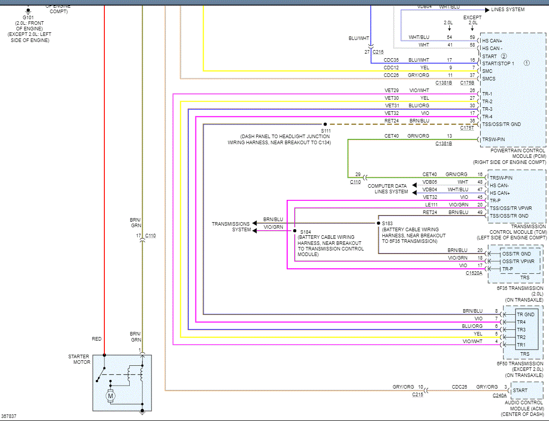
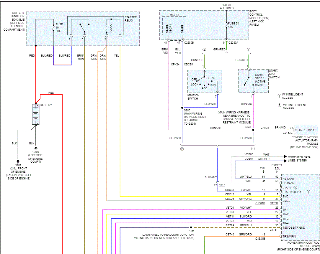
Here is where my current problem occurs. After replacing the cable, reinstalling the air cleaner box, reinstalling the battery and attaching the positive cable, then the negative cable to the battery, I figured I was done; I then jumped into the driver seat to start the car to make sure everything was okay, but it wouldn't start. I scratched my head for a while then tore out the air cleaner box and battery again to check to make sure I hadn't missed reconnecting a wire somewhere, which I found I hadn't.
So what could be wrong? When I open the door to the car, the interior lights come on. When I get in the car, I attach my seat belt (just to eliminate any possible problems there). I turn the key to on and shift to neutral, let it drift slightly, and then shift back to park just to ensure the shift lock is engaged. Also, while the key is on, all the gauges come to life, radio presets are still there, headlights and turn signals turn on and off, so I feel everything is okay. I press the brake pedal, again, just to eliminate any possible problems there. When I turn the key to start, there is nothing. No click, no turnover and the gauges go out but return after a few seconds. Do I need to reset something?
I know it’s rather wordy, but I wanted to present a complete picture. I hope I provided all the necessary information for a diagnosis. I just don’t know what to do next.
Friday, May 1st, 2020 AT 10:09 AM






