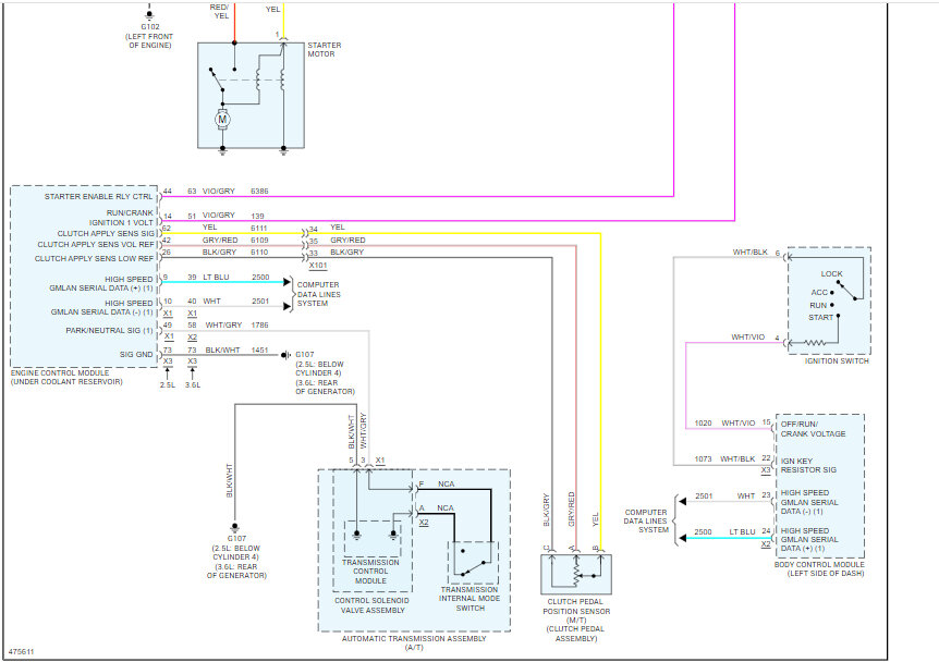
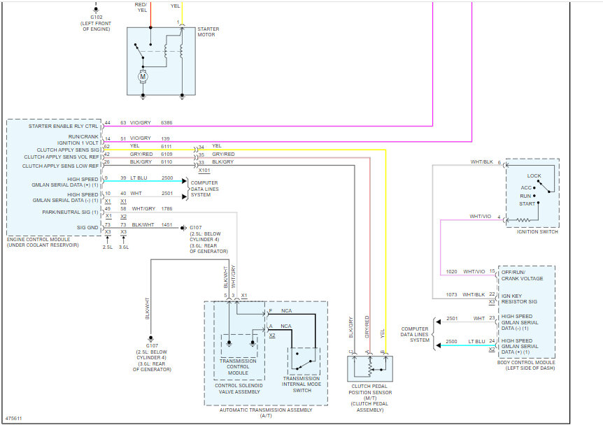
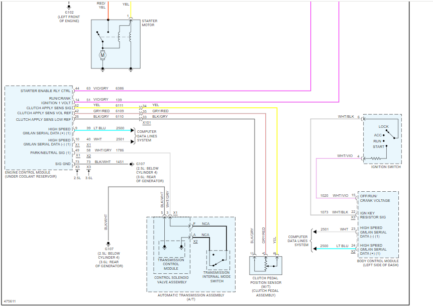
Tuesday, February 20th, 2024 AT 1:44 PM
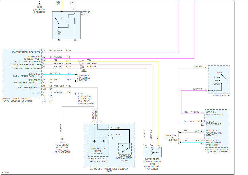
I replaced plugs coil packs and pulled injectors replaced injector on cylinder 4. Now no crank no start has p0300 p16a1 scanner will not turn those off. What could be issue and solution?



