New fuel pump, fuel pressure verified.
Battery new, tested and verified.
Ignition coils and plugs verified.
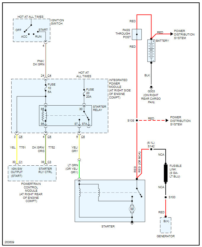
Starter, starter relays and all fuses checked and verified.
It was noticed that when the throttle body was disconnected and you attempt to start the car, the starter will engage and the engine will crank over but no start.
Plug the throttle body back in, no start no crank.
Manually push the butterfly on the TB open and closed and try to start the car it will crank but not start. Key off ignition and try again and no crank, no start.
I replaced the throttle body, same symptoms.
The new TB readout via a simple code scanner shows the TB at rest at 8.7%.
Again, no codes other then from connecting and disconnecting harness and sensors during the diagnosis procedure.
Tuesday, February 23rd, 2021 AT 2:30 PM



