No Spark to the spark plugs?

2007 TOYOTA CAMRY
300,000 MILES • 2.4L • 4 CYL • 2WD • AUTOMATIC
Avatar
JOE1953
  • MEMBER
  • 776 POSTS
engine crank but want start no spark to the spark plugs no spark from all the coils what all can cause no spark from the coils?
Oct 7, 2025 at 5:23 PM
Advertisement
Repair Safety Notice: This information is for general instructional purposes only. Vehicle repair can be dangerous. Verify all information, follow manufacturer service procedures, use proper tools and safety equipment, and consult a qualified repair shop when needed.
Avatar
STEVE W.
  • AUTOMOTIVE REPAIR CONTRIBUTOR
  • 15,145 POSTS
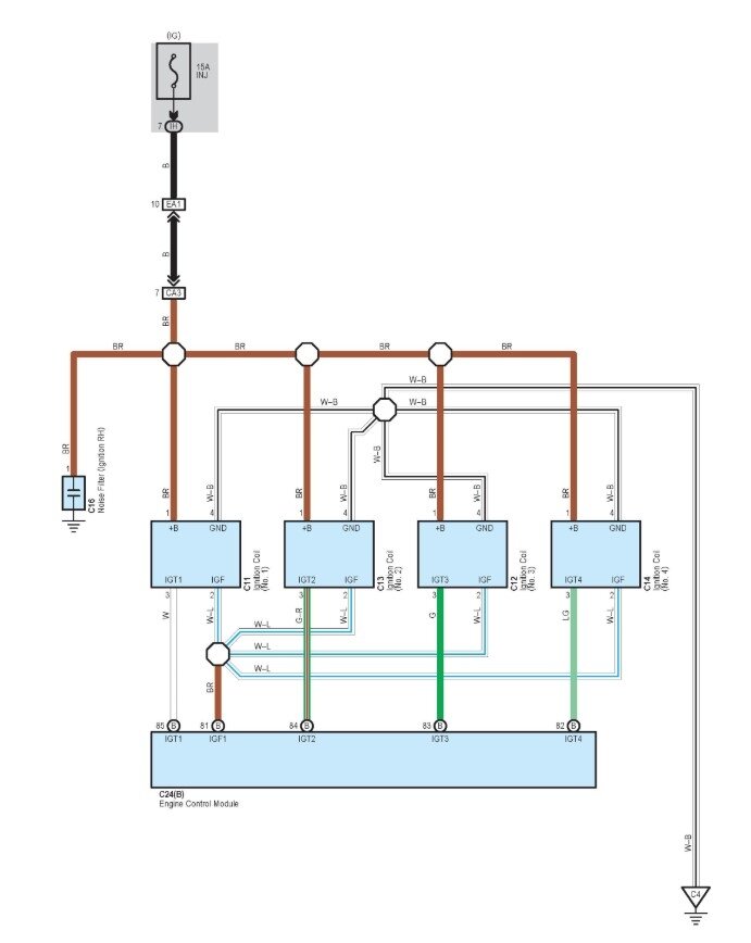
No spark from all the coils can be caused by a bad ground, bad power or no signal from the ECU. Refer to the attached for the powers and grounds. To test for power you can use a test light. Connect it to battery negative, then turn the key on and probe the Brown wire, if there is power then connect the light to battery positive and test the White wire with black to see if there is a ground. If you have both the power and ground then the next thing would be to test the ECU for it's powers and grounds to see if it failed in some way.
Oct 8, 2025 at 8:58 PM
Avatar
JOE1953
  • MEMBER
  • 776 POSTS
there is no power at the brown wire when I connect my test light to it. this is what I did I disconnect the wire connector from the coil and turn the key on and connect my test light to the brown wire at the coil my test light didn't light up.
Oct 10, 2025 at 6:05 PM
Advertisement
Avatar
STEVE W.
  • AUTOMOTIVE REPAIR CONTRIBUTOR
  • 15,145 POSTS
Okay, take the light and test the 15 amp injector fuse in the left side dash fuse box. Key on it should have power to both sides. If it does go to the noise filter at the top rear of the engine and unplug it, do you have voltage at that plug? If yes, check at a couple injectors. If not and the fuse was good you have a break in the brown wire.
Oct 10, 2025 at 7:53 PM
Avatar
STRAILER
  • AUTOMOTIVE REPAIR CONTRIBUTOR
  • 54,144 POSTS
Please respond
Oct 14, 2025 at 12:54 PM
Advertisement
Avatar
JOE1953
  • MEMBER
  • 776 POSTS
I don't under what you mean about noise filter? what does it look like? I really do need a book with the engine control wiring diagram that will show me where the wires run to from the coils, fuel Injectors, crankshaft position sensor, camshaft sensor and more.
Oct 17, 2025 at 6:02 PM
Avatar
STEVE W.
  • AUTOMOTIVE REPAIR CONTRIBUTOR
  • 15,145 POSTS
The noise filter is a capacitor that absorbs the electrical noise created as the coils fire. They can short internally and normally cause the fuse to blow. The nice thing about this vehicle is that is the entire power system for the coils and injectors and it should have power with the key on. Do you have any type of aftermarket alarm or kill switch installed? If not and key on you have no power there but the fuse is OK you could try running a bypass wire for testing. Just use a wire with a 15 amp inline fuse and connect it between the battery positive and the brown wire and see if it now starts. If so then the wiring has an issue. They don't really tell you where the wires run, just that they are in the harness. Attached is an example of the engine harness.
Oct 17, 2025 at 10:33 PM
Avatar
JOE1953
  • MEMBER
  • 776 POSTS
does the brown wire from the coils run to the computer or the Ignition switch? what do it tie into? no I havn't installed any type of aftermarket alarm or kill switch.
Oct 18, 2025 at 7:18 AM
Avatar
STEVE W.
  • AUTOMOTIVE REPAIR CONTRIBUTOR
  • 15,145 POSTS
It runs to the injector fuse in the dash fuse box. There are a couple connectors in the line as well and it feeds power to a couple items, but the power to the coils is a single circuit that is fed from the fuse without going through anything else.
Oct 18, 2025 at 9:28 AM
Avatar
JOE1953
  • MEMBER
  • 776 POSTS
how do I check the power wire from the fuse to the coils for breakage?
Nov 7, 2025 at 10:52 AM
Avatar
STEVE W.
  • AUTOMOTIVE REPAIR CONTRIBUTOR
  • 15,145 POSTS
You would need to open the harness and trace the wire. However a faster way to verify it as being the problem is simple, take a chunk of wire, add a 15 amp inline fuse and connect it to one of the coil brown wire at the connection near the coils, preferably by taping the wire inside the connector, or you can just open the insulation and connect to it. Try to start it, got spark and it runs, you know that wire is bad. If that is the case run a bypass wire from the fuse box down to the coils and just bypass any broken wire.
Nov 7, 2025 at 12:21 PM
Avatar
JOE1953
  • MEMBER
  • 776 POSTS
before I did take a regular 15 amp fuse an a piece of wire and connect it to one of the coil brown wire from the battery and it melt the fuse and that coil start smoking, I didn't know about the inline fuse then, what the inline fuse look like and where do I buy it from?
Nov 7, 2025 at 6:05 PM
Avatar
STEVE W.
  • AUTOMOTIVE REPAIR CONTRIBUTOR
  • 15,145 POSTS
OK, if that happened there must be a short in the system. That is the only way it would start to melt. I would also suspect that the coil is probably bad, smoke is not a good sign. That would stop the power if it shorted and melted the wiring in the harness. Unplug all the coils, now take a test light and connect it to battery positive, now with the coils unplugged touch the brown wire in any of the coil connectors. The light shouldn't light up. If it does you have a shorted wire in the harness. Then you disconnect the fuse in the box, does the short go away? If not then you are going to need to strip the harness open and examine it as the hot wire likely bridged to others. It might actually be easier to find a front harness and replace it if there is a short like that.
Nov 7, 2025 at 8:53 PM
Avatar
JOE1953
  • MEMBER
  • 776 POSTS
where do i connect the wire at the fuse box to what fuse?
Nov 14, 2025 at 9:45 PM
Avatar
STEVE W.
  • AUTOMOTIVE REPAIR CONTRIBUTOR
  • 15,145 POSTS
Which wire? If you mean for testing you just use a fused wire directly to the battery positive. If you are running an overlay wire then you need to test at each connector going back to the fuse box to eliminate the shorted section.
Nov 15, 2025 at 12:02 PM
Avatar
JOE1953
  • MEMBER
  • 776 POSTS
what I was asking do I run the bypass wire from the Injector fuse in the fuse box to the brown wires on the coils?
Nov 16, 2025 at 7:31 AM
Avatar
STEVE W.
  • AUTOMOTIVE REPAIR CONTRIBUTOR
  • 15,145 POSTS
You can, but you need to find the area that is shorted or you risk damaging other items that could be shorted to the wire in the harness.
Nov 16, 2025 at 1:27 PM
Avatar
JOE1953
  • MEMBER
  • 776 POSTS
If the brown wire running from the coils to the Injector fuses what do I do rip the wire harness to find the shorted?
Nov 16, 2025 at 1:48 PM
Avatar
STEVE W.
  • AUTOMOTIVE REPAIR CONTRIBUTOR
  • 15,145 POSTS
Go to the first of the two connections in the harness and disconnect it. Test to see if the wire is shorted, If you no longer have the short on the then attach the bypass there. The idea is to not feed power into the section that is bad.
Nov 16, 2025 at 3:57 PM
Avatar
JOE1953
  • MEMBER
  • 776 POSTS
I check for volts at the connector at the coils wires, I'm not getting any volts or power to any of the coils brown wire.
Nov 17, 2025 at 9:45 AM
Avatar
JOE1953
  • MEMBER
  • 776 POSTS


I Unplug all the coils and use my test light and connect it to battery positive, with the coils unplugged I touch the test light to the brown wire on the coil connectors the test light didn't light up. I replace a 15 amp Injector fuse in the fuse box inside the car and turn the key to run and took my test light and connect the alligators clip to the negative battery post and the other end to the brown wire at the coil connector and my test light came on and I also connect my test light to the white wire with a light blue stripe next to the brown wire in the connector and the test light came on do power suppose to be in those two wires when key in in the run position? a few minutes later the coil and connector start smoking.
Nov 17, 2025 at 6:35 PM
Avatar
STEVE W.
  • AUTOMOTIVE REPAIR CONTRIBUTOR
  • 15,145 POSTS
OK the brown wire having power with them all unplugged shows that you have at least one bad coil, The blue/white wire is ground. From those tests I would say you have two problems, the smoking coil(s) are bad and the driver for the smoking coil is bad. That is inside the power control module. With it stuck on it holds the power on full time to that col and has burnt it out, OR the coil failed and took out the driver transistor, either way is possible. So you need a PCM and I would replace the coils as well.
Nov 17, 2025 at 7:31 PM
Avatar
JOE1953
  • MEMBER
  • 776 POSTS
OK the brown wire having power with them all unplugged shows that you have at least one bad coil, The blue/white wire is ground. From those tests I would say you have two problems, the smoking coil(s) are bad and the driver for the smoking coil is bad. That is inside the power control module. With it stuck on it holds the power on full time to that col and has burnt it out, OR the coil failed and took out the driver transistor, either way is possible. So you need a PCM and I would replace the coils as well.

can the PCM be tested for a bad driver transistor how can I do this test? getting back to the beginning when the problem first started, the car was run a day before car park overnight and the next day the car would start and cut of and I scan for codes and they was PO351-PO352-PO353-PO354.
Nov 18, 2025 at 6:21 AM
Avatar
JOE1953
  • MEMBER
  • 776 POSTS


can the PCM be tested for a bad driver transistor how can I do this test? getting back to the beginning when the problem first started, the car was run a day before car park overnight and the next day the car would start and cut of and I scan for codes and they was PO351-PO352-PO353-PO354.
Nov 18, 2025 at 6:22 AM
Avatar
STRAILER
  • AUTOMOTIVE REPAIR CONTRIBUTOR
  • 54,144 POSTS
It is best to send the PCM for testing, it sounds like it is bad, especially with the codes numbers in a row like that.
Nov 18, 2025 at 10:32 AM
Avatar
JOE1953
  • MEMBER
  • 776 POSTS
do you know where i can send the PCM for testing?
Nov 18, 2025 at 11:31 AM
Avatar
STEVE W.
  • AUTOMOTIVE REPAIR CONTRIBUTOR
  • 15,145 POSTS
I would suggest contacting Maic Salazar, he does PCM testing and repairs and stands behind his work. https://www.maicsalazardiagnostics.com He is on youtube as well if you want to see what is involved in the work. However you can do limited testing yourself. Go to the coil that was smoking, unplug it, now connect your test light to ground and to the uncommon wire on terminal 3 in the connector. Turn on the key, does the light come on steady? Switch the test light to battery positive and try again, does the light come on steady. That is the control wire and should only flash as the ECM fires the cylinder. Steady light with either of the two tests means the driver is bad.
Nov 18, 2025 at 12:44 PM