Monday, November 4th, 2024 AT 4:12 AM
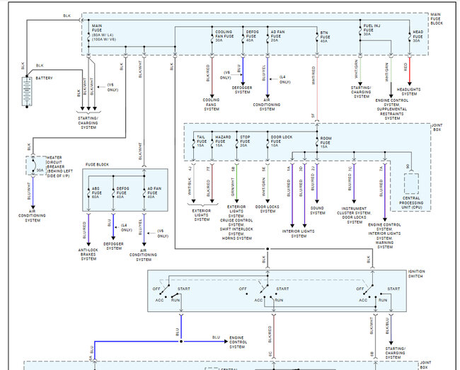
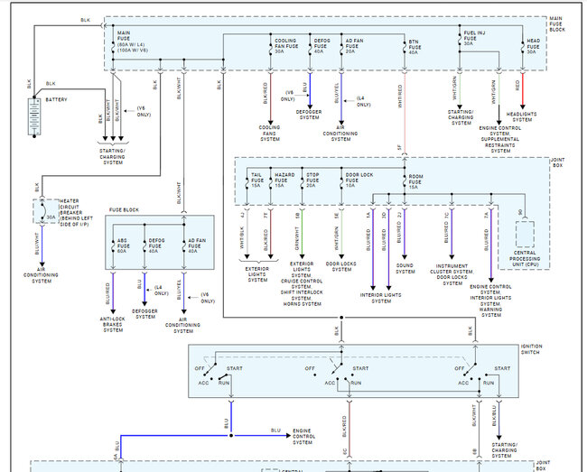
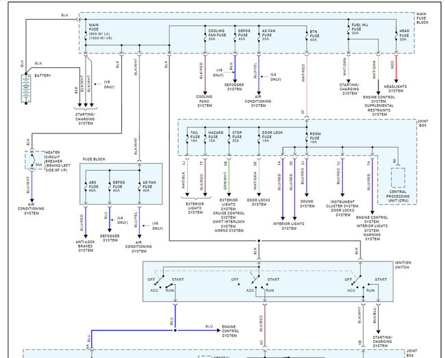
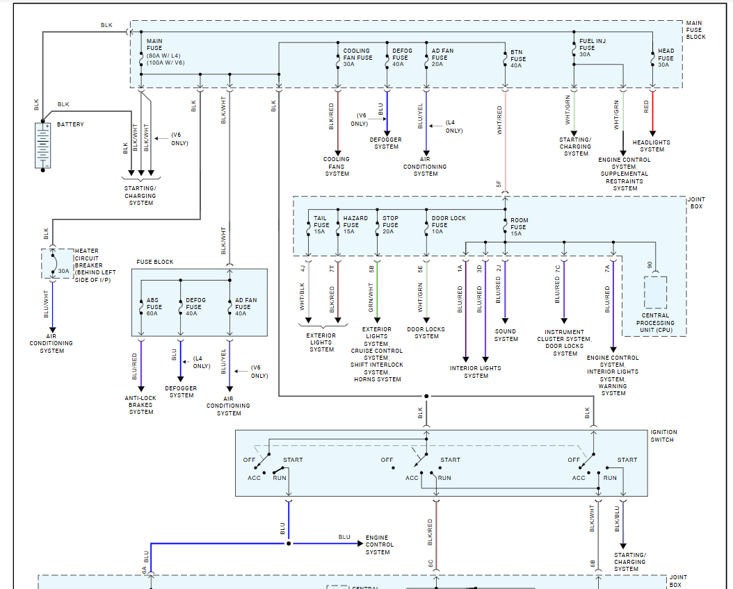
Good day, I need assistance please. Have the vehicle listed above 1600 no spark only fuel. Replace the distributor still no spark. Any advice or wiring diagram to check if all is ok. Do you have the 6 and 3 pin diagrams on dizzy.












