No sound no start?

Tiny
STEPHENB87
  • MEMBER
  • 1997 CHEVROLET CAMARO
  • 3.8L
  • 6 CYL
  • 2WD
  • AUTOMATIC
  • 150,768 MILES
Okay, so, when I turn the key all the lights come on and everything, but there is no sound at all and it's like there is no power going to the starter at all.
Thursday, March 30th, 2023 AT 7:22 PM

1 Reply

Tiny
JACOBANDNICKOLAS
  • MECHANIC
  • 110,194 POSTS
Hi,

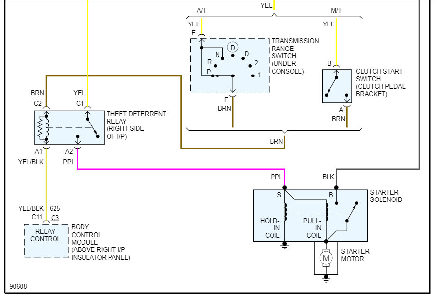
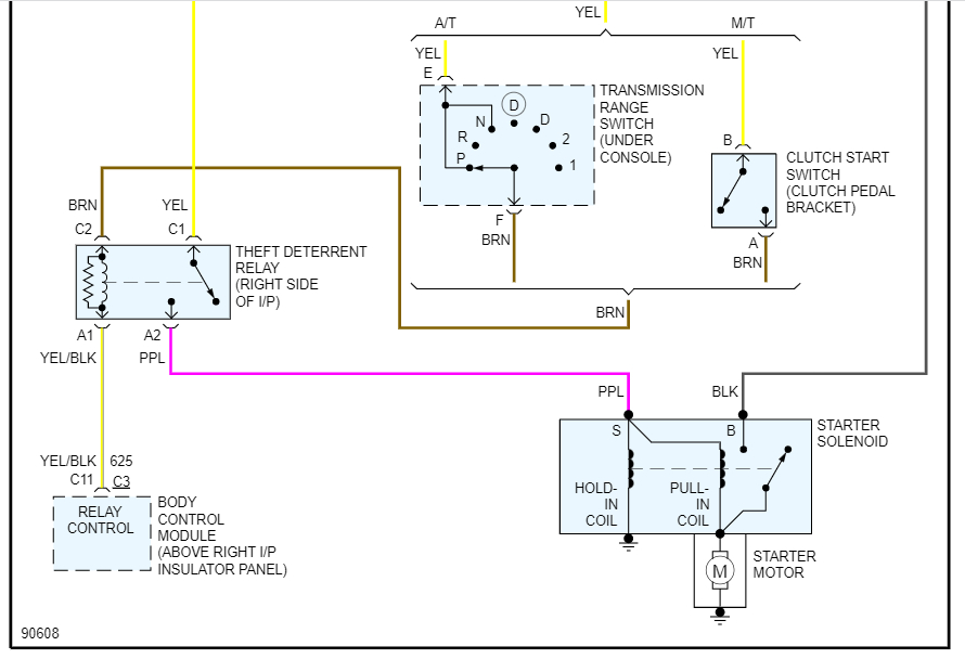
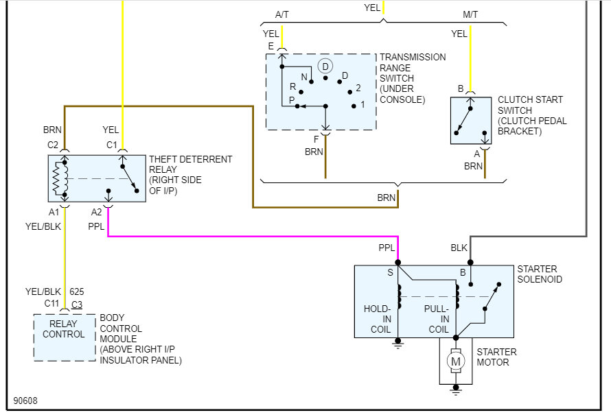
First, check to see if it starts in neutral rather than park. If there is no change, I need you to check if power is getting to the starter motor.

On the starter itself, there will be a heavy gauge black wire. That is direct from the battery and has 12v at all times.

There is also a smaller gauge purple wire that has no power to it until the key is in the start position. So, have a helper turn the key to the start position while you check for power to the purple wire.

I attached the starter circuit wiring schematic below so that you have a reference.

If there is power, the starter is bad. If there is no power, let me know, and we will need to work backward to see where power is lost.

As always, make sure the battery terminals are clean and tight and the battery is fully charged.

Let me know what you find.

Take care,

Joe

See pics below.
Was this
answer
helpful?
Yes
No
Thursday, March 30th, 2023 AT 8:23 PM

Please login or register to post a reply.