Monday, April 11th, 2022 AT 8:18 PM
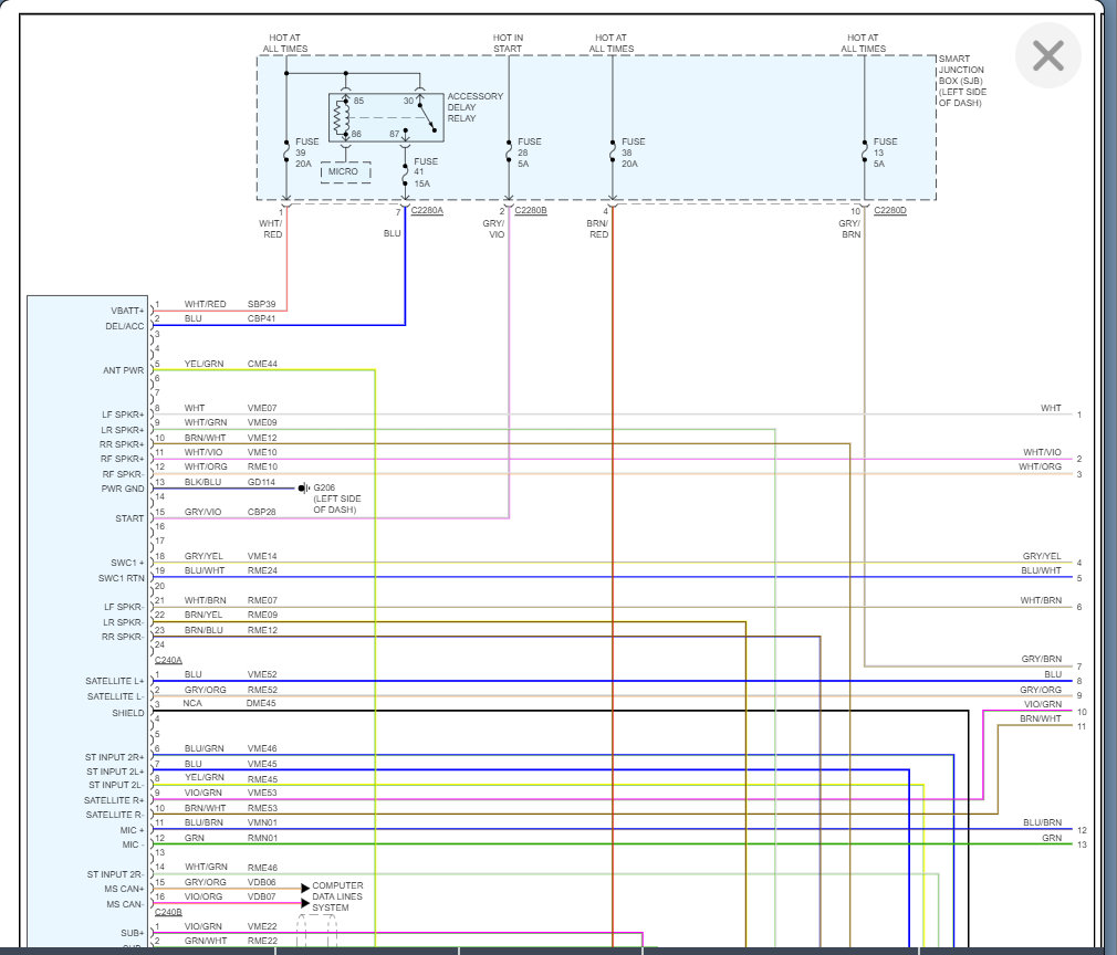
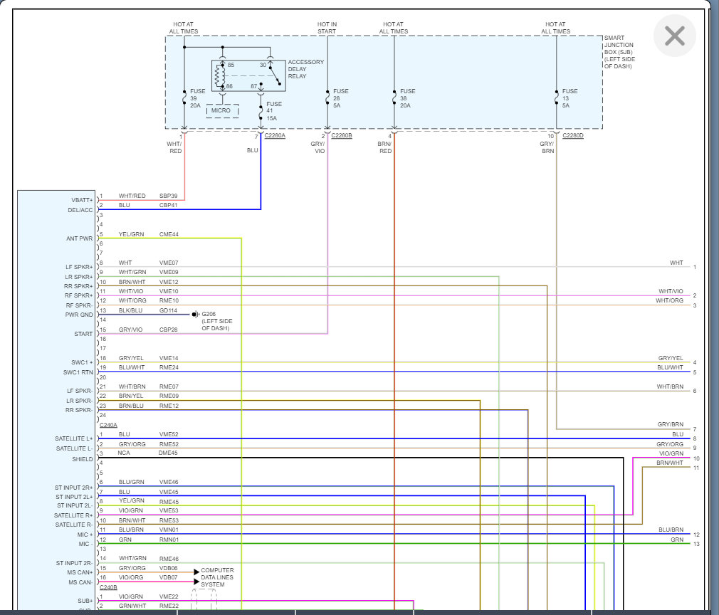
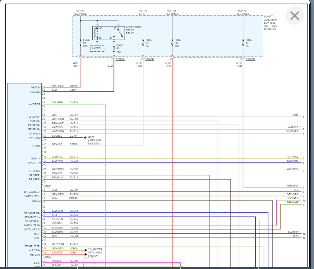
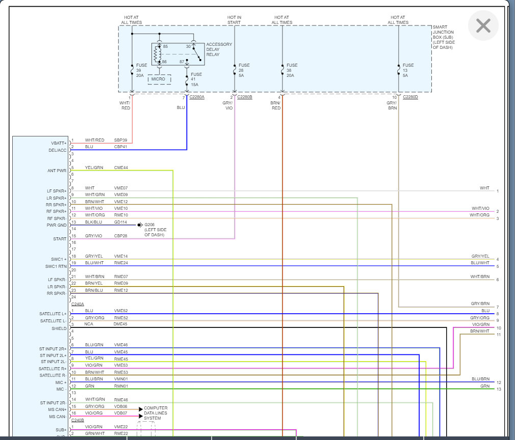
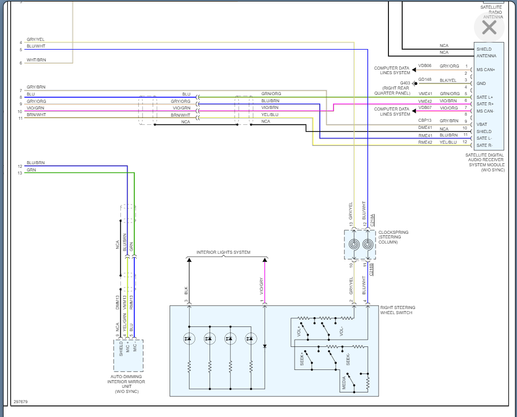
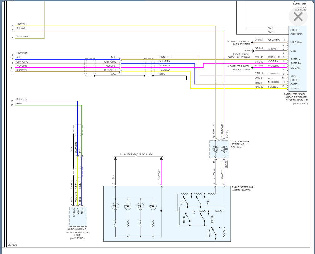
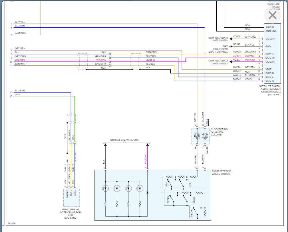
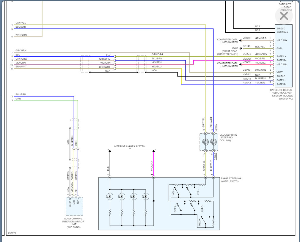
We got a new radio unit it's the "Dual multimedia DVD receiver with Bluetooth featuring a 7-inch digital TFT LCD XDVD179BT" for our car but after installing it there is no sound, not even static coming from the speakers even though the radio turns on in all the functions work perfectly fine. I checked the fuses and none of them seem blown and I even replaced most of them anyways just to be safe and still no sound. I read online that it may be a fire, that's the problem into disconnect the amplifier and see if any sound will occur then but I'm not sure how or where to disconnect the amplifier from.



