Tuesday, January 7th, 2020 AT 7:04 AM
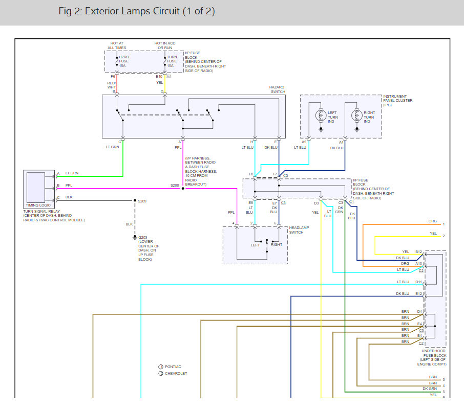
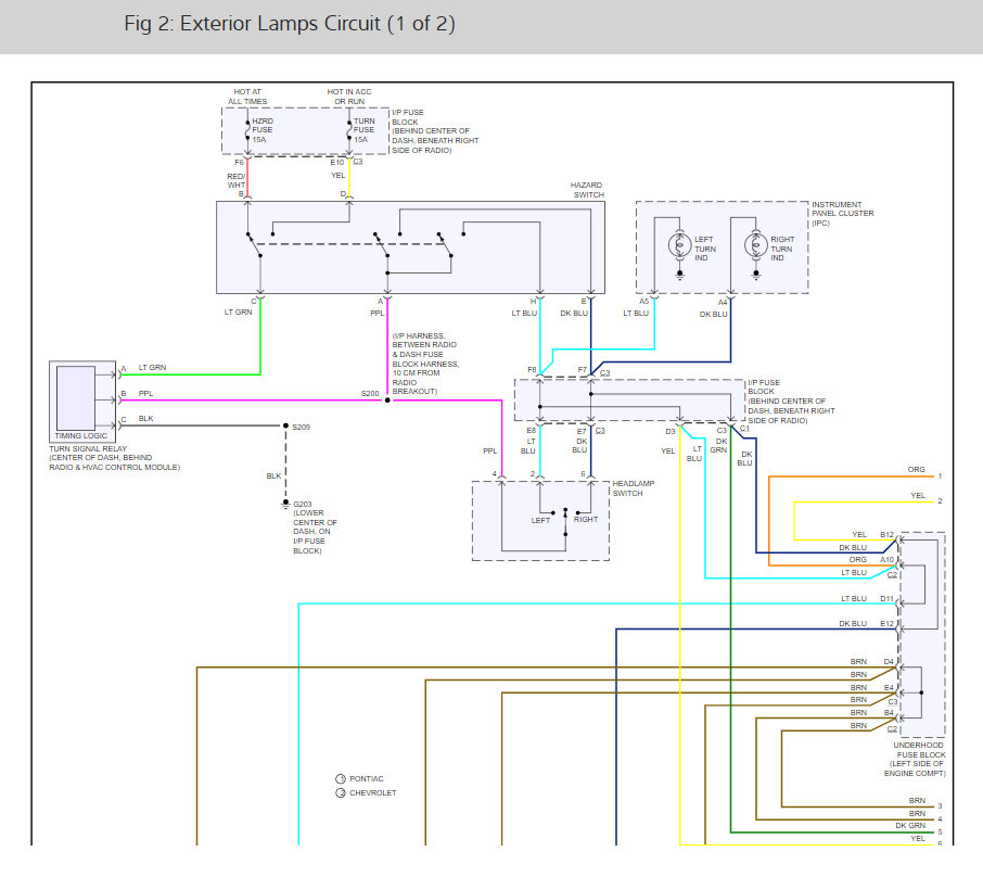
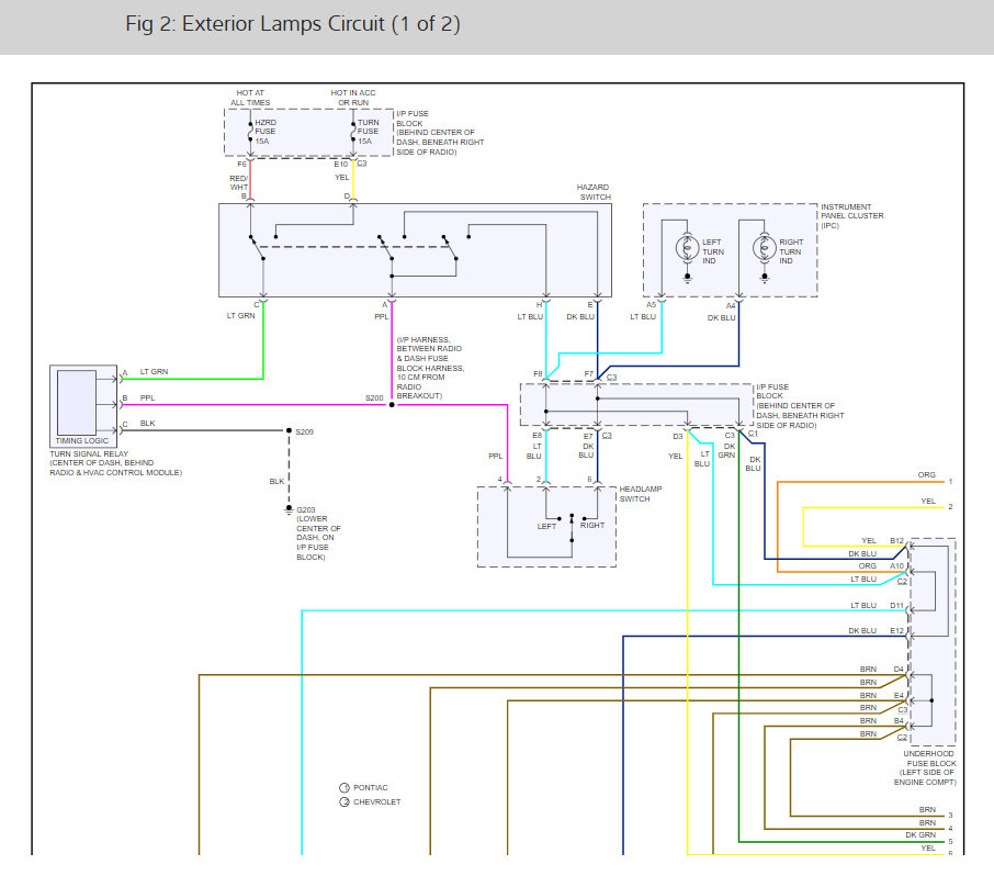
So I had to replace my heater core. Which required me to remove the entire dash everything else is working just fine but my signal lights and hazard lights. I'm just trying to figure out what I I need to do to get them working again. Thanks in advance for any information you can provide. Also it's not showing on the dash panel at all if that helps any in narrowing it down.






