No signal from crankshaft position sensor?

Tiny
JOE1953
  • MEMBER
  • 2007 TOYOTA CAMRY
  • 2.4L
  • 4 CYL
  • 2WD
  • AUTOMATIC
  • 300,000 MILES
The crankshaft position sensor is not sending a signal to the computer. I replaced a new sensor what could be the cause?
Friday, December 5th, 2025 AT 8:11 PM

15 Replies

Tiny
AL514
  • MECHANIC
  • 5,595 POSTS
Hello, what is directing you to the crankshaft position sensor? Are you getting a specific diagnostic trouble code stored in the engine computer(ECM)? This engine uses a variable reluctance 2 wire sensor, so as engine rpm increases, the amplitude of the crank signal should elevate. Without knowing if there is a code stored in the ECM and if it is a circuit code versus a performance code for the sensor can also give use direction, knowing how you got to where you are now helps very much.
Was this
answer
helpful?
Yes
No
+1
Saturday, December 6th, 2025 AT 2:44 PM
Tiny
AL514
  • MECHANIC
  • 5,595 POSTS
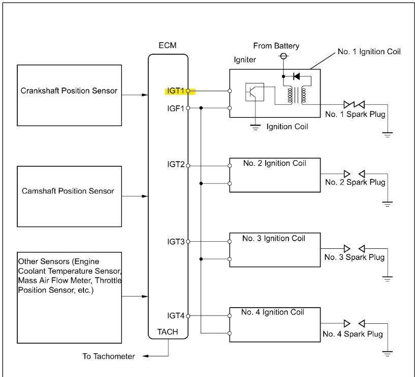
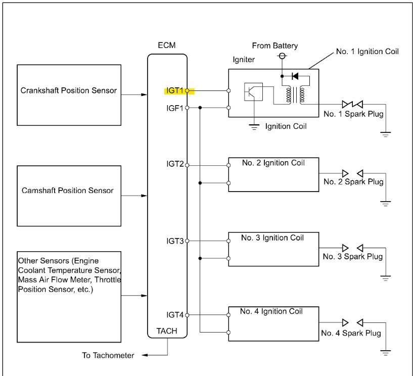
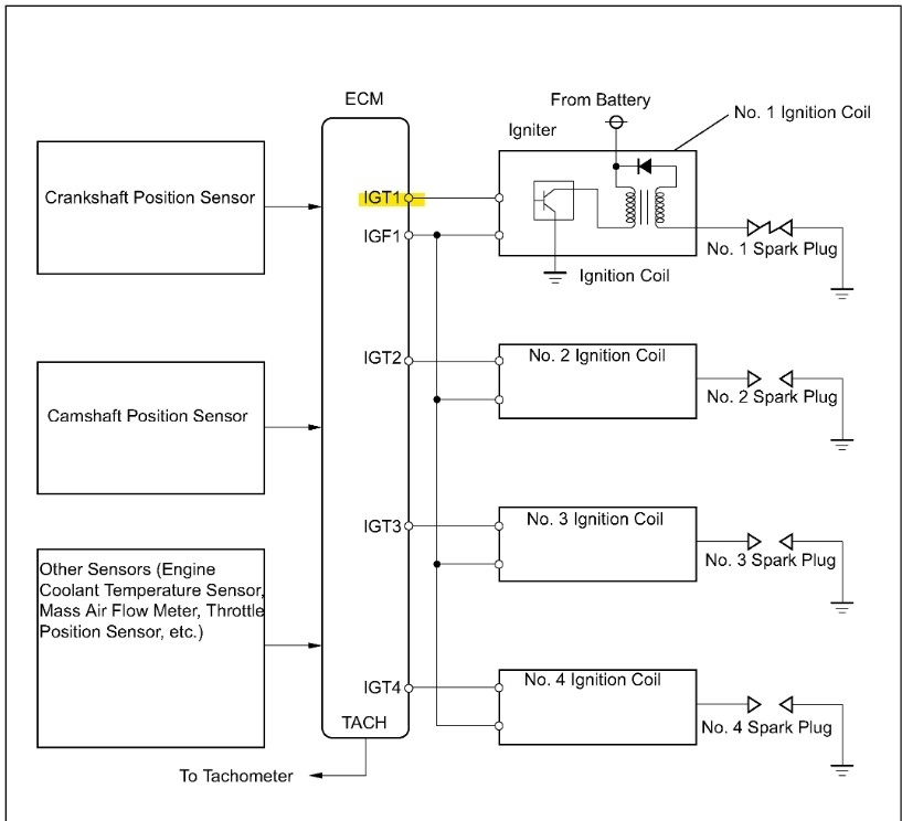
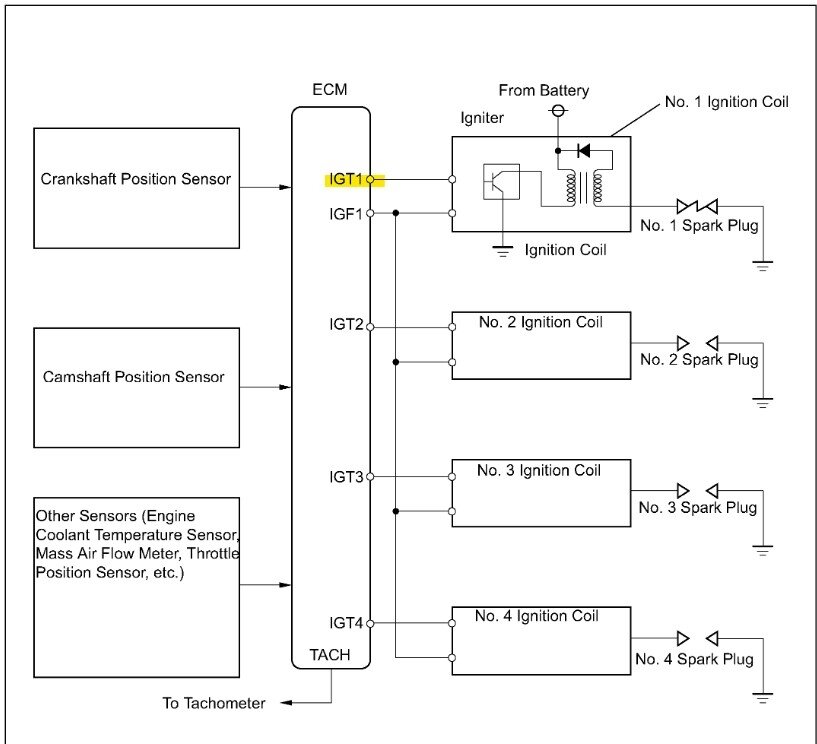
This is the crankshaft position sensor circuit. If you have access to a scan tool, I would see if there is an RPM (or engine speed) signal while cranking the engine and looking at live engine data.
Was this
answer
helpful?
Yes
No
+1
Saturday, December 6th, 2025 AT 3:08 PM
Tiny
JOE1953
  • MEMBER
  • 822 POSTS
(what directed me to the crankshaft position sensor the engine crank but no start and no spark from any of the coils the trouble code stored in the engine computer (ECM) is PO351-PO352-PO353-PO354. With my scan tool connected there is no RPM while cranking the engine.
Was this
answer
helpful?
Yes
No
Saturday, December 6th, 2025 AT 5:00 PM
Tiny
AL514
  • MECHANIC
  • 5,595 POSTS
Ok the code list helps. I assume you have gone through and checked for any blown fuses in both fuse boxes. Do you have access to an oscilloscope? Toyota actually provides some voltage waveforms in service information of the coil IGT and IGF control circuits and what to expect. And where did you get the crank sensor that is currently in the vehicle?

I will post all this info for you since you are getting Ignition coil primary trouble codes for every cylinder. The coil IGT or trigger to the coils I believe is a 0-4volt signal to activate the igniter inside each coil. The IGF is a coil feedback circuit to the ECM. Let me get this service info together for you here, give me a minute.
Was this
answer
helpful?
Yes
No
+1
Saturday, December 6th, 2025 AT 5:18 PM
Tiny
AL514
  • MECHANIC
  • 5,595 POSTS
You havent had any codes set for the crank or cam sensors prior to this?
Was this
answer
helpful?
Yes
No
Saturday, December 6th, 2025 AT 5:20 PM
Tiny
AL514
  • MECHANIC
  • 5,595 POSTS
So according to service info, a missing feedback signal(IGF) from the coils can set these codes. Its also a shared wire between all 4 coils, so a short to ground or power 'or a lack of power/ground at the coils will also cause the same.
Was this
answer
helpful?
Yes
No
+1
Saturday, December 6th, 2025 AT 5:50 PM
Tiny
JOE1953
  • MEMBER
  • 822 POSTS
Yes I check the fuses in both fuse boxes I didn't find any blown fuse under the hood but I did find a fuse blown in the fuse box inside the car but I don't remember which one it was now is the fuel Injector fuse located inside the car fuse box? I think it was the fuel Injector fuse or he Ignition fuse I'm not sure I have to check again I do know at one time there was know power at the brown wire from the coils. No I don't have access to an oscilloscope but I do have sensor tester and a test light to check for signal or pulse. I got the crank sensor from o'reilly auto parts. What is a initer and what it look like?
Was this
answer
helpful?
Yes
No
Saturday, December 6th, 2025 AT 8:08 PM
Tiny
AL514
  • MECHANIC
  • 5,595 POSTS
This INJ Fuse 15Amp feeds all 4 coils and all 4 injectors on the two wires running downward on the diagram. The Igniters is built into each coil, thats why they are 4 wire. 1 wire is power, another is ground, then the trigger to the igniter inside the coil (IGT) and the 4th wire is a response signal to the ECM that the coil fired.
The igniter is just a power transistor that is turned on and off, instead of having it inside the ECM, this protects the ECM from being damaged if a coil shorts out or something else happens to the circuit.
I would go over each wire for the coils and make sure theres good power and ground to each coil and injector. Also check any bulk connectors for corrosion or pin fitment issues, that feedback wire being a shared wire between all the coils is one Id check for a short to ground with the key off, just make sure theres no continuity to ground. You might see a very dim pulse on the trigger wire with a test light, but it may be low 4 volt pulses.
Is that fuse is blown again.
Was this
answer
helpful?
Yes
No
+1
Saturday, December 6th, 2025 AT 9:35 PM
Tiny
JOE1953
  • MEMBER
  • 822 POSTS
I took #1 coil out and test for spark with a spark tester the type that ground to a bolt look like a spark plug. But I didn't see no spark and when I was doing the test smoke came from the top of the coil what cause the coil to smoke? I scan the computer for engine codes and I have P0351, P0352, P0353, P0354.
Was this
answer
helpful?
Yes
No
Sunday, December 7th, 2025 AT 12:53 AM
Tiny
AL514
  • MECHANIC
  • 5,595 POSTS
Ahh ok, this is starting to make a little more sense now, The ignition coil was smoking because there was high resistance somewhere in the Secondary ignition circuit or a short circuit internally to the coil. Ignition coils are controlled on their ground side. On most more modern vehicles the ECM will intentionally shut down fuel injectors if there is a cylinder misfire, it does this to protect the Catalytic Converter, some vehicles are now also starting to shut down ignition coils too if there is a code set.
You have replaced the coil that started to smoke already?
Was this
answer
helpful?
Yes
No
+1
Sunday, December 7th, 2025 AT 9:33 AM
Tiny
JOE1953
  • MEMBER
  • 822 POSTS
I replaced four new coils after the trouble code stored in the engine computer (ECM) so now how do I find the short in the circuit?
Was this
answer
helpful?
Yes
No
Sunday, December 7th, 2025 AT 1:48 PM
Tiny
AL514
  • MECHANIC
  • 5,595 POSTS
Yes but you are still getting trouble codes for the IGF circuit of each coil. This circuit I highlighted in Red you can see is shared between all 4 coils then inputs into the ECM on only one wire. It looks for the 4 pulses from the 4 coils in a row, you can put you multimeter on this wire and while cranking you should get an average voltage signal. Since you dont have a scope to look at each signal, at least see if theres any voltage on those trigger and feedback wire, also check each coil for power and ground. Its possible to have a bad cam sensor, another bad crank sensor, the coil that was smoking could have shorted voltage through the ECM. Pins 2 and 3 (the trigger & feedback circuits) of each coil connector, I would think that these 2 wires, inside the ECM, run in-series with a 5 or 10k resistor or higher to protect them, but if the coil was smoking, it was burning inside.
Diagrams 4, 5 are to test the Coil and ECM connectors for shorts to ground. It does say it should be 10k ohms of resistance to ground at least, but follow the flow chart and see what you come up with.
Was this
answer
helpful?
Yes
No
+1
Sunday, December 7th, 2025 AT 3:49 PM
Tiny
JOE1953
  • MEMBER
  • 822 POSTS
  • 2007 TOYOTA CAMRY
  • 2.4L
  • 4 CYL
  • 2WD
  • AUTOMATIC
  • 228,000 MILES
Cranking No Spark, No Fuel, No Fuel Pump Sound When Turn Key On, No Start, No Power to the Ecu Fuse inside the car fuse box the fuse are good. It was a fuse blown but I'm not sure is it the INJ fuse or H-LP LVL fuse.
Was this
answer
helpful?
Yes
No
Thursday, March 19th, 2026 AT 10:04 AM (Merged)
Tiny
AL514
  • MECHANIC
  • 5,595 POSTS
So you found the issue, or is it still popping fuses?
Was this
answer
helpful?
Yes
No
Thursday, March 19th, 2026 AT 4:48 PM
Tiny
AL514
  • MECHANIC
  • 5,595 POSTS
The INJ Fuse 15Amp powers the ignition coils and the fuel injectors. Heres the INJ Fuse circuit, top and bottom.
Was this
answer
helpful?
Yes
No
+1
Thursday, March 19th, 2026 AT 5:02 PM

Please login or register to post a reply.