Monday, February 25th, 2019 AT 10:43 PM
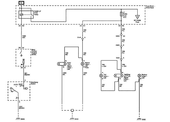
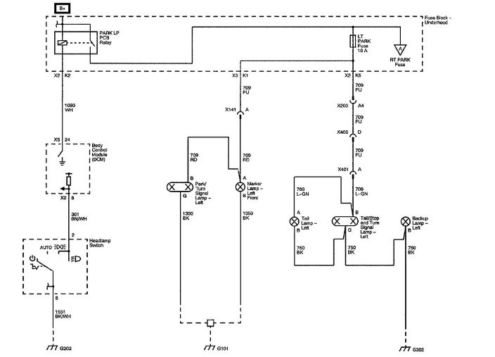
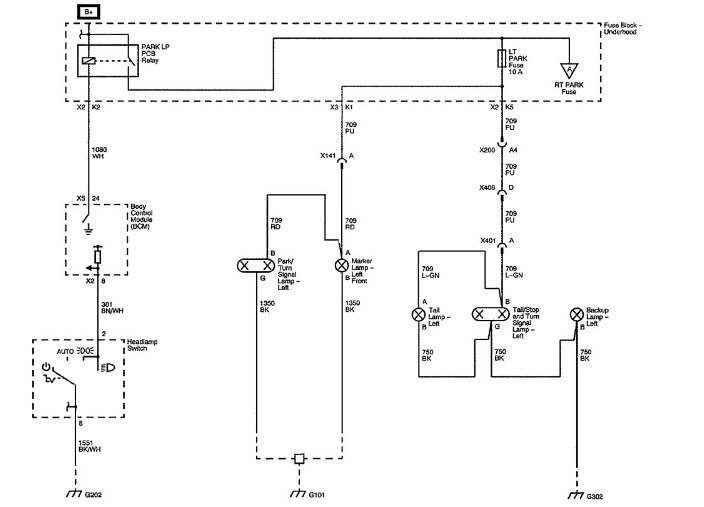
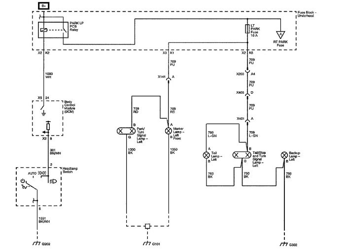
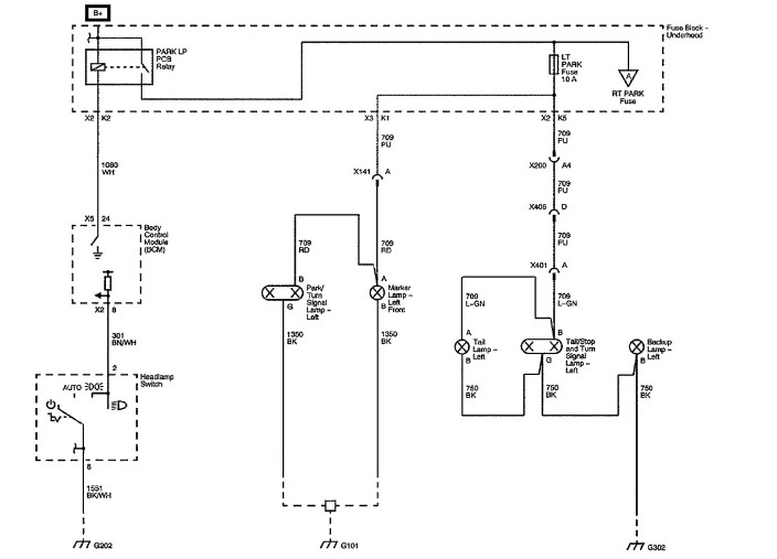
The running rear taillights do not work. I have dash lights, brake lights, turn signals and reverse lights, but no running taillights, or even side marker lights. I am wondering what is causing this issue. I've checked all fuses. Checked some wiring not all. The front side marker lights come on when I hit the unlock button on key fob but do not come on when parking light switch is on. I've also replaced the parking light switch. So just to clarify I have no parking lights in front or rear, rear running taillights, and no license plate lights. Not sure what to do. Any help would be great! There is a loose wiring harness connector under dash not sure what it is or where it gets connected.


