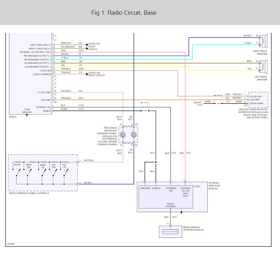
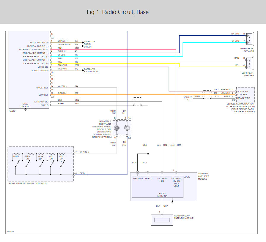
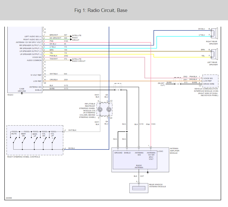
Tuesday, September 3rd, 2019 AT 5:22 AM
Radio comes on all channels and time works, can change channels but no sound. Also no sound from turn signals and warning chime is real low.








