Tuesday, May 12th, 2020 AT 3:19 PM
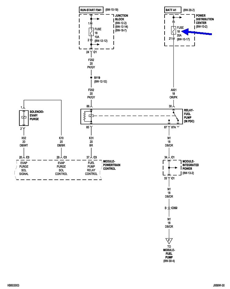
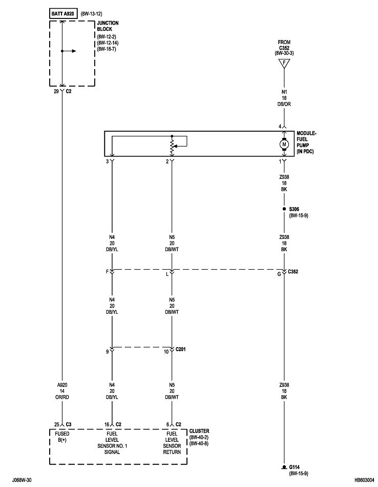
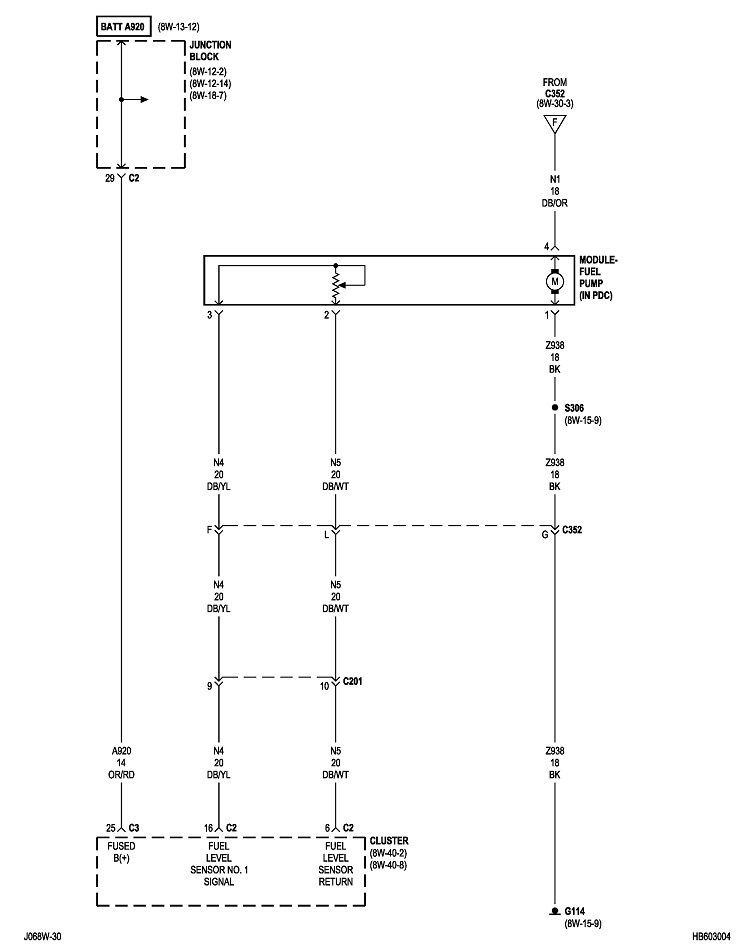
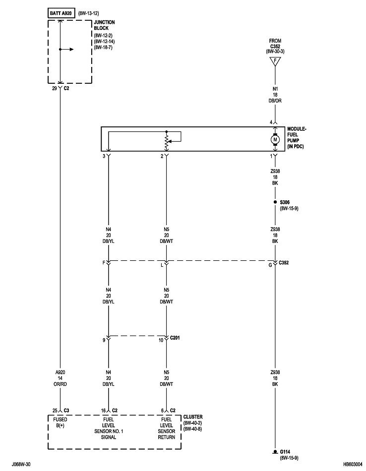
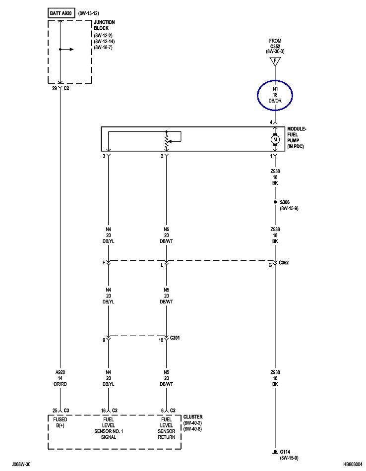
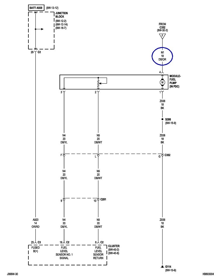
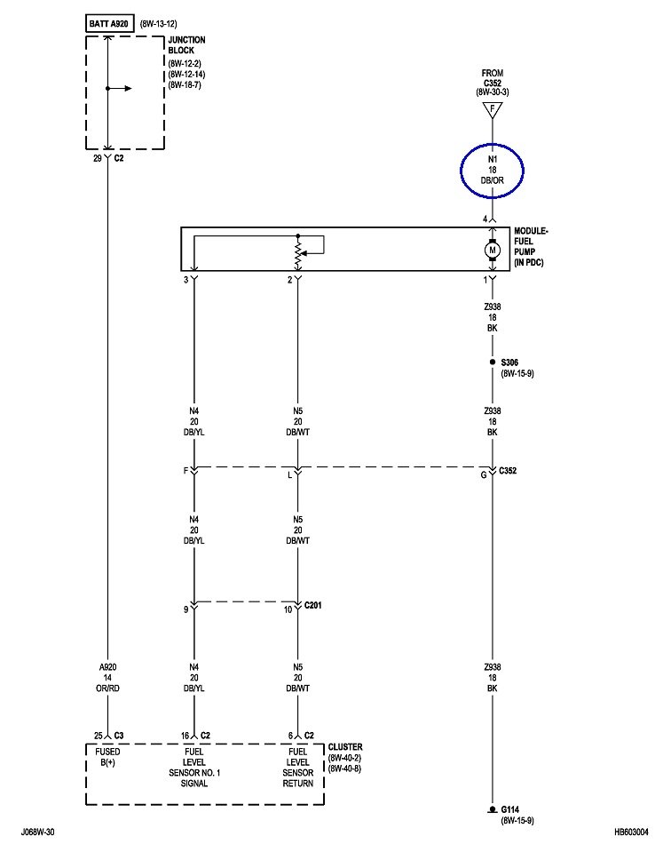
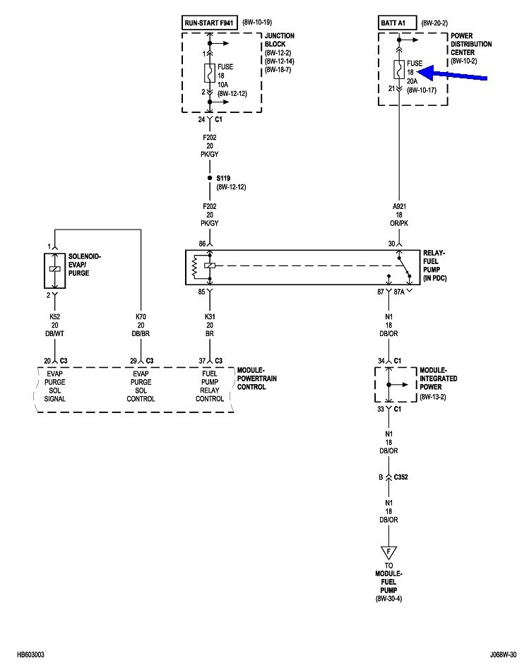
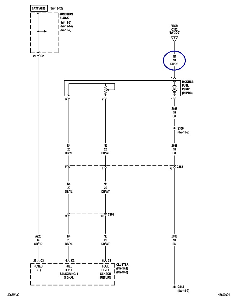
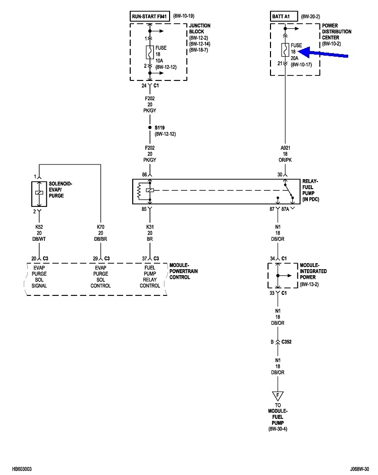
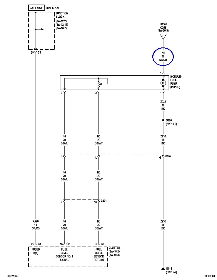
Vehicle was running fine. Went to start it, and it cranked over, but wouldn't run. Noticed I didn't hear the fuel pump when I turned key. The connector for the pump assembly has 4 terminals. Was getting power to 2. Assumed these were for the fuel level indicator. Checked the fuel pump relay for proper operation, okay. Checked fuses before relay, okay. Not getting power to fuel pump relay When initially turning key or when continuing to crank to start. Does some one have electrical diagram of circuit before the fuel pump relay?









