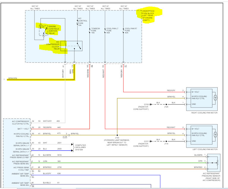
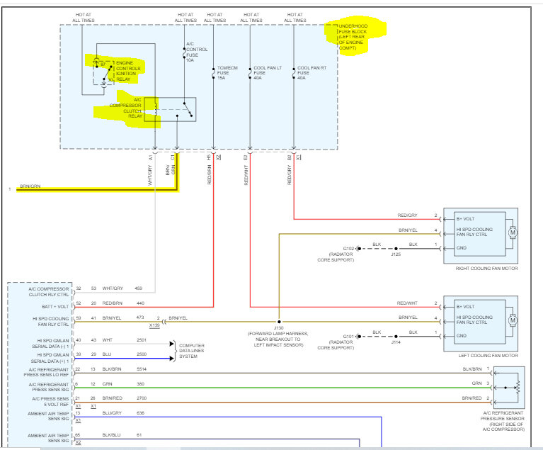
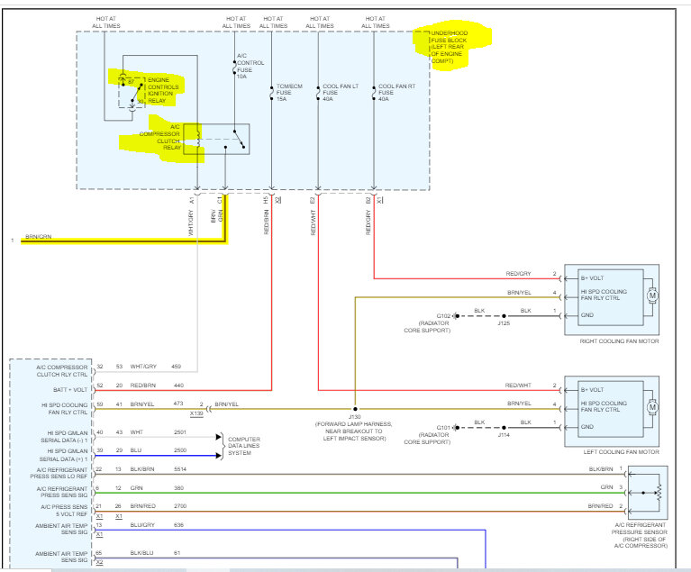
Thursday, April 13th, 2023 AT 11:18 AM
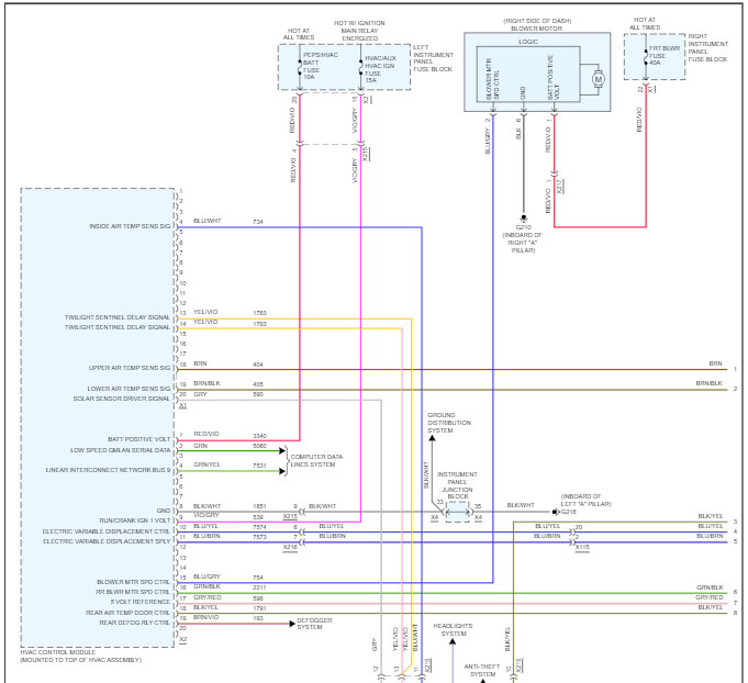
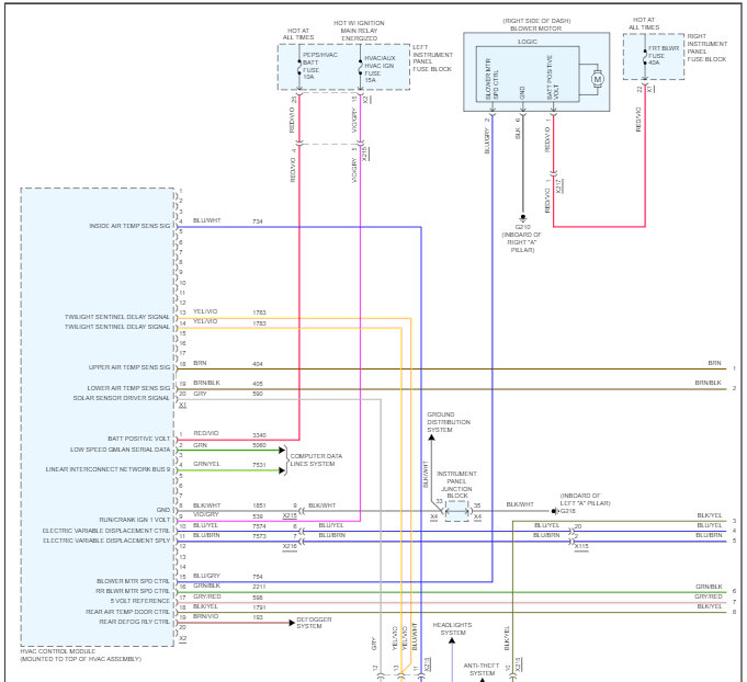
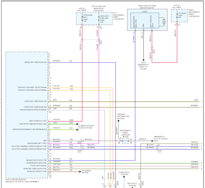
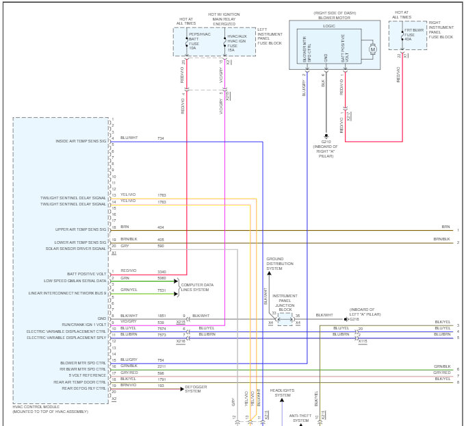
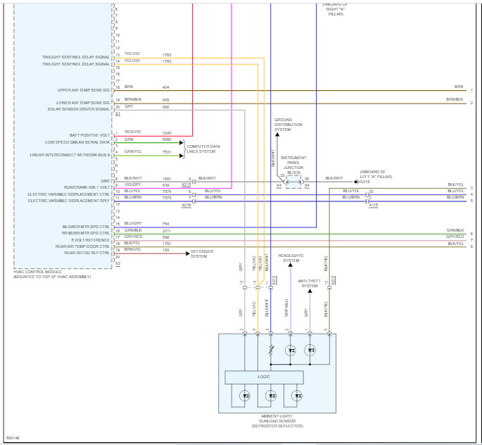
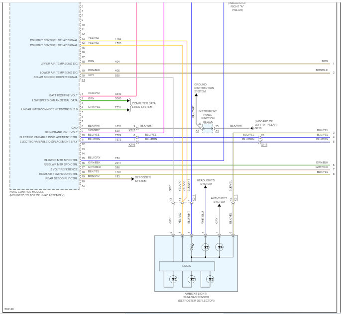
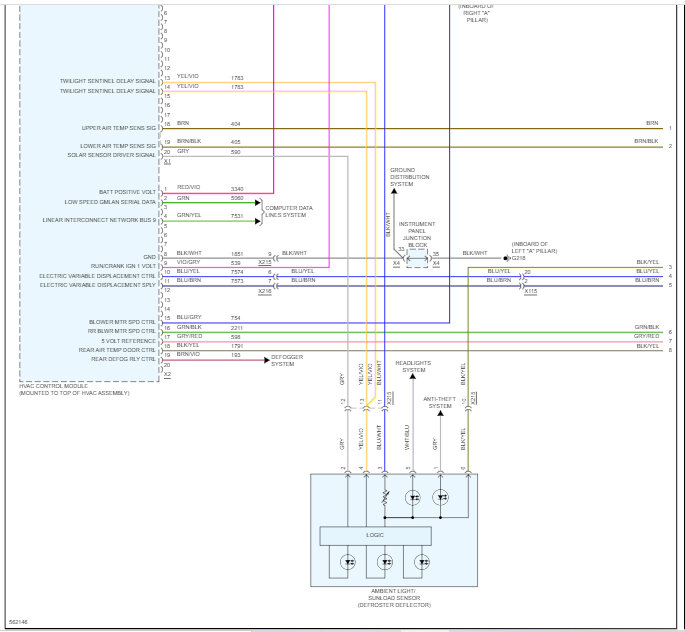
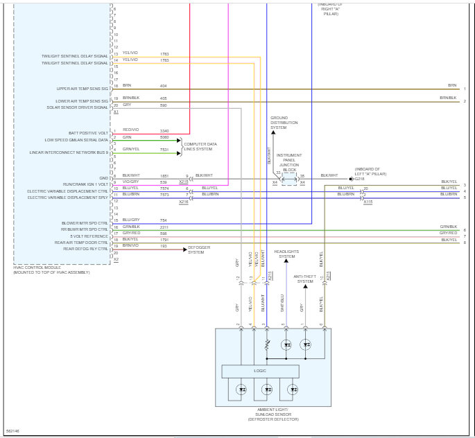
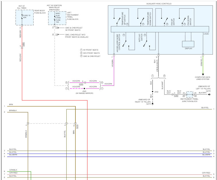
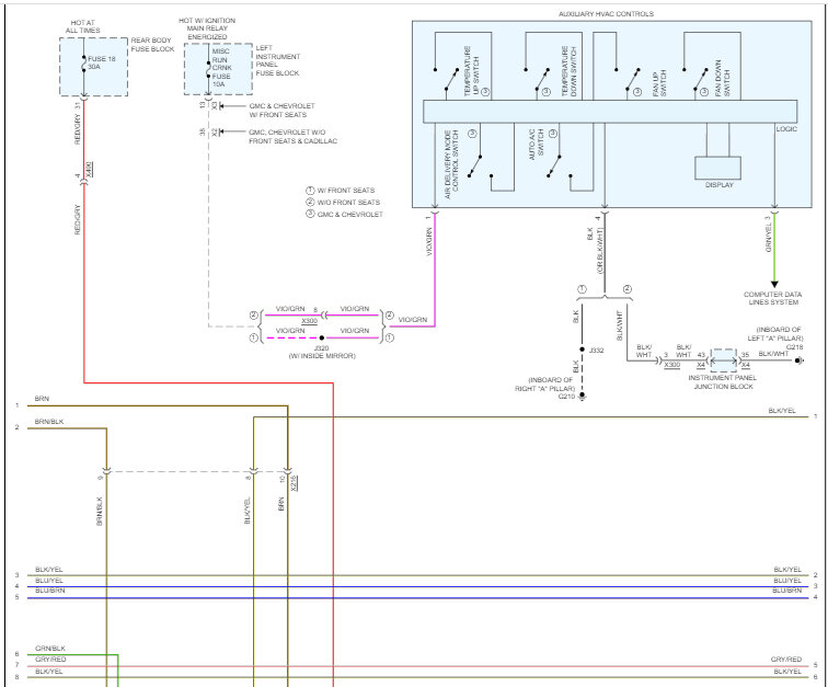
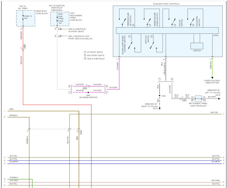
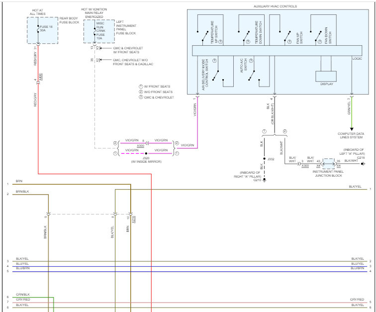
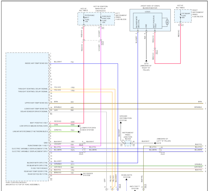
I am not getting power to the AC clutch. I can't find a wiring schematic to figure out if it's the temperature control module or something else. There is no relay for this year.























