No power to two fuses

Tiny
WILLIAM633040
  • MEMBER
  • 2007 DODGE CALIBER
  • 2.0L
  • 4 CYL
  • 2WD
  • AUTOMATIC
  • 120,000 MILES
I've tested the wiring harness up to the plug where it plugs into the bottom for the fuse box, but when I plug it in I get two dead fuses that won't get power, but all the other ones do.
The two fuses are for starting and running the car.
I can use a wire from that fuse to the battery and the car will start but then I won't get any throttle body with the gas pedal.
Tuesday, March 8th, 2022 AT 7:07 AM

1 Reply

Tiny
JACOBANDNICKOLAS
  • MECHANIC
  • 110,192 POSTS
Hi,

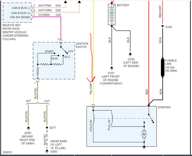
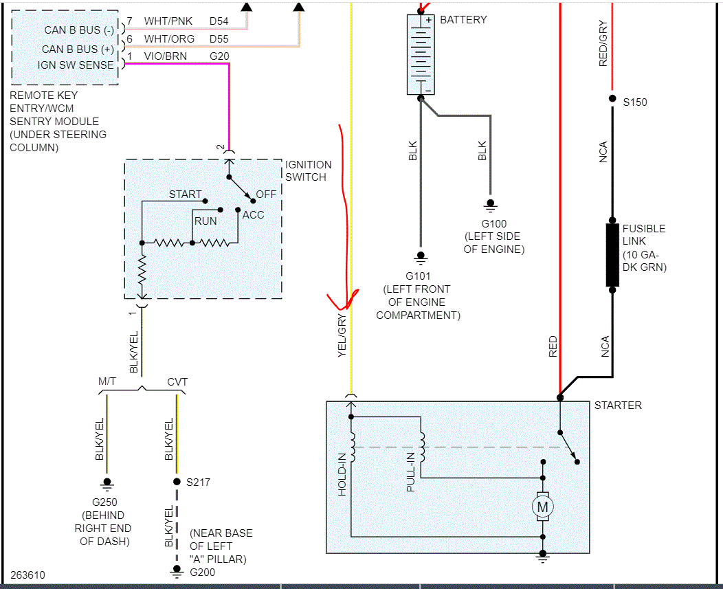
Which fuses are you not getting power to? Also, there should always be 12v at the larger wire on the starter. The smaller (yellow with a gray tracer) only gets power with the key in the start position.

The power comes from the totally integrated power module (TIPM). Is that where you are not getting power? I ask because the TIPM's are known for connector issues. Because they are small connectors with many pins, they end up breaking, corroding, or being pushed back in, as a result, you get no power, or the power supply fails when a load is placed on it.

Let me know if that is what you are referring to. Also, I attached the wiring schematic below for the starting circuit. I figured you could use it as a guide.

Take care,

Joe

See pics below.
Was this
answer
helpful?
Yes
No
Tuesday, March 8th, 2022 AT 3:45 PM

Please login or register to post a reply.