No power at some taillights bulbs?

Tiny
BLESSING EWOBOR
  • MEMBER
  • 2007 MERCEDES BENZ R350
  • V6
  • 2WD
  • AUTOMATIC
  • 58,567 MILES
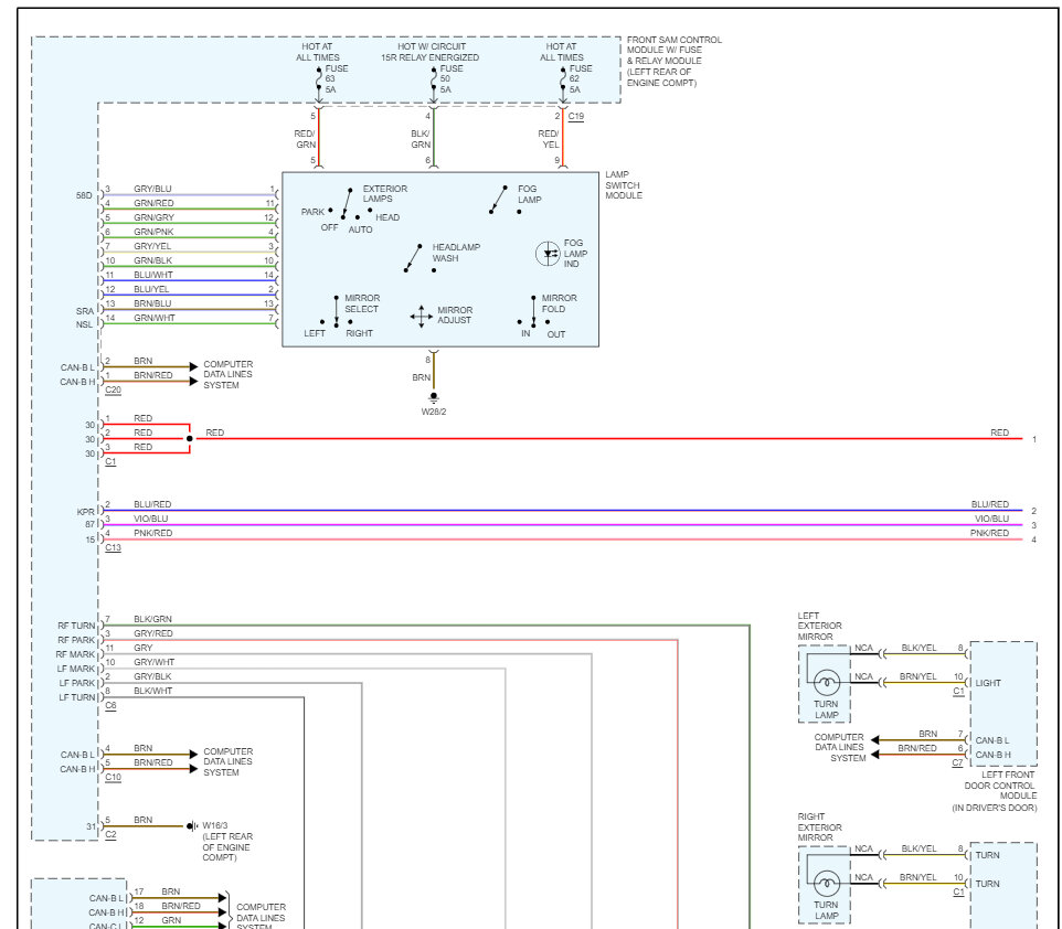
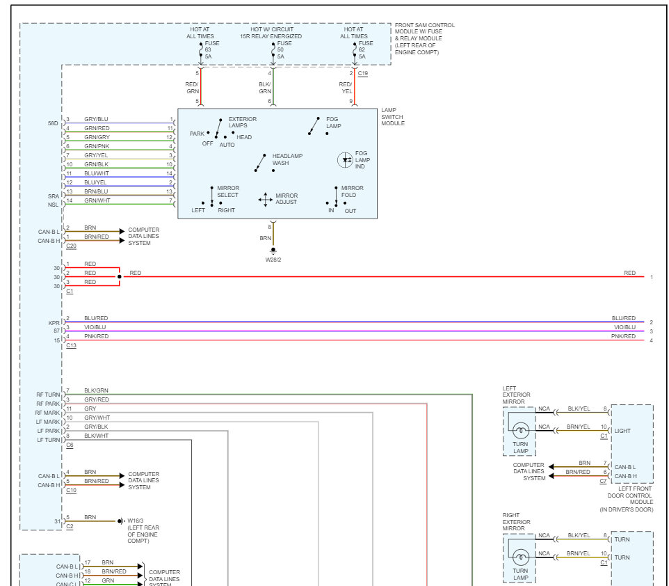
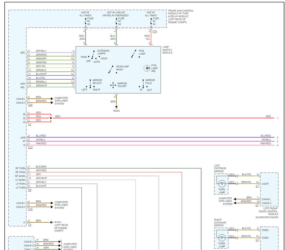
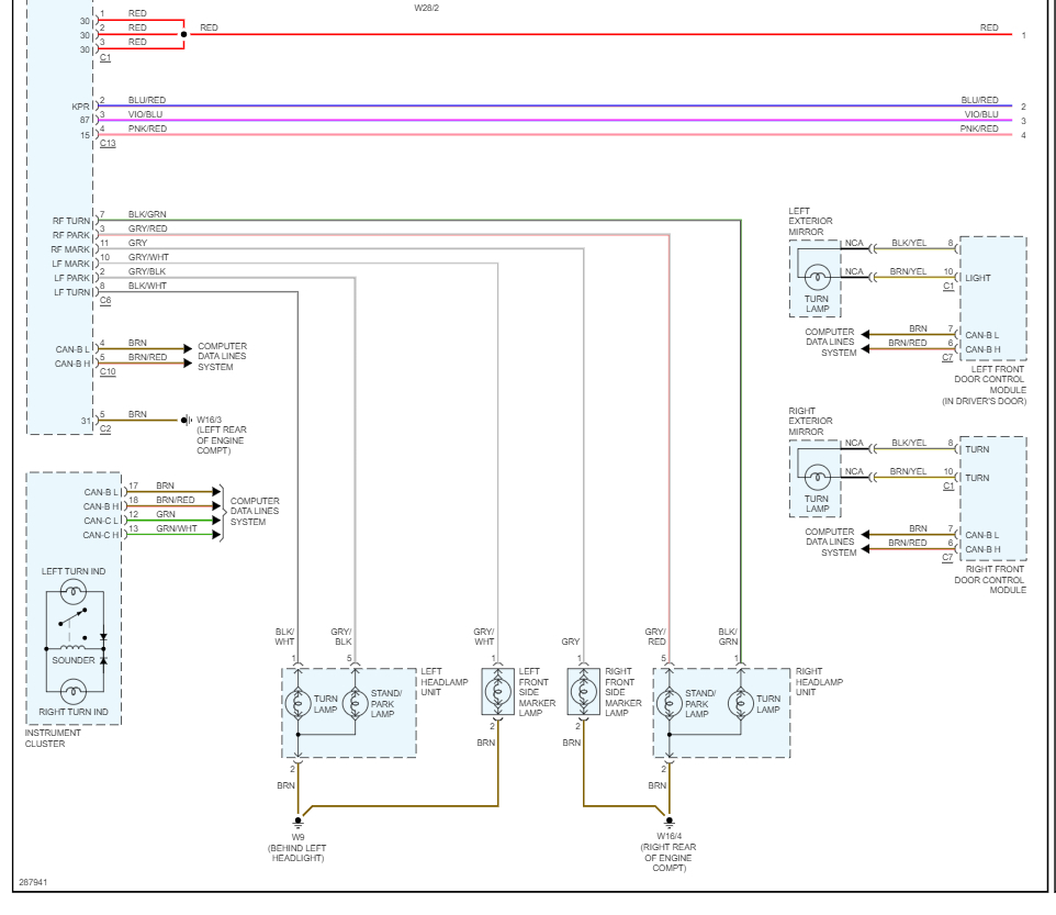
Hello, one reverse bulb and three other bulbs were not functioning, I replaced the bulb. The brake light and the reverse bulb came up but the two bulbs on the right and left indicated below did not light up. Testing with test light confirmed that there is no power at both sides for those particular bulbs.
Could I get a wire diagram?
And suggestions could be of help.
Thank you
Thursday, October 12th, 2023 AT 9:51 AM

1 Reply

Tiny
KEN L
  • MASTER CERTIFIED MECHANIC
  • 55,322 POSTS
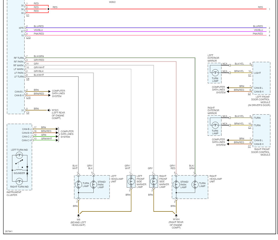
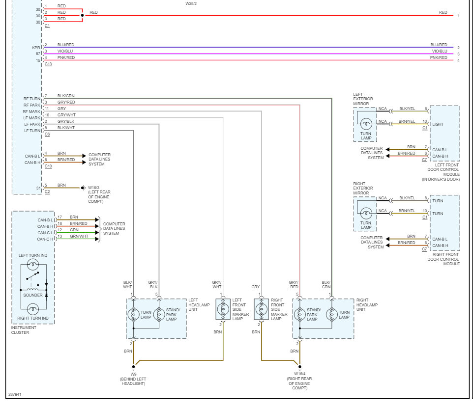
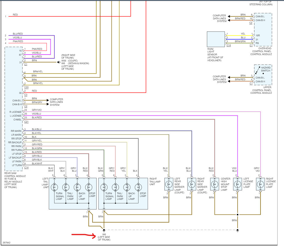
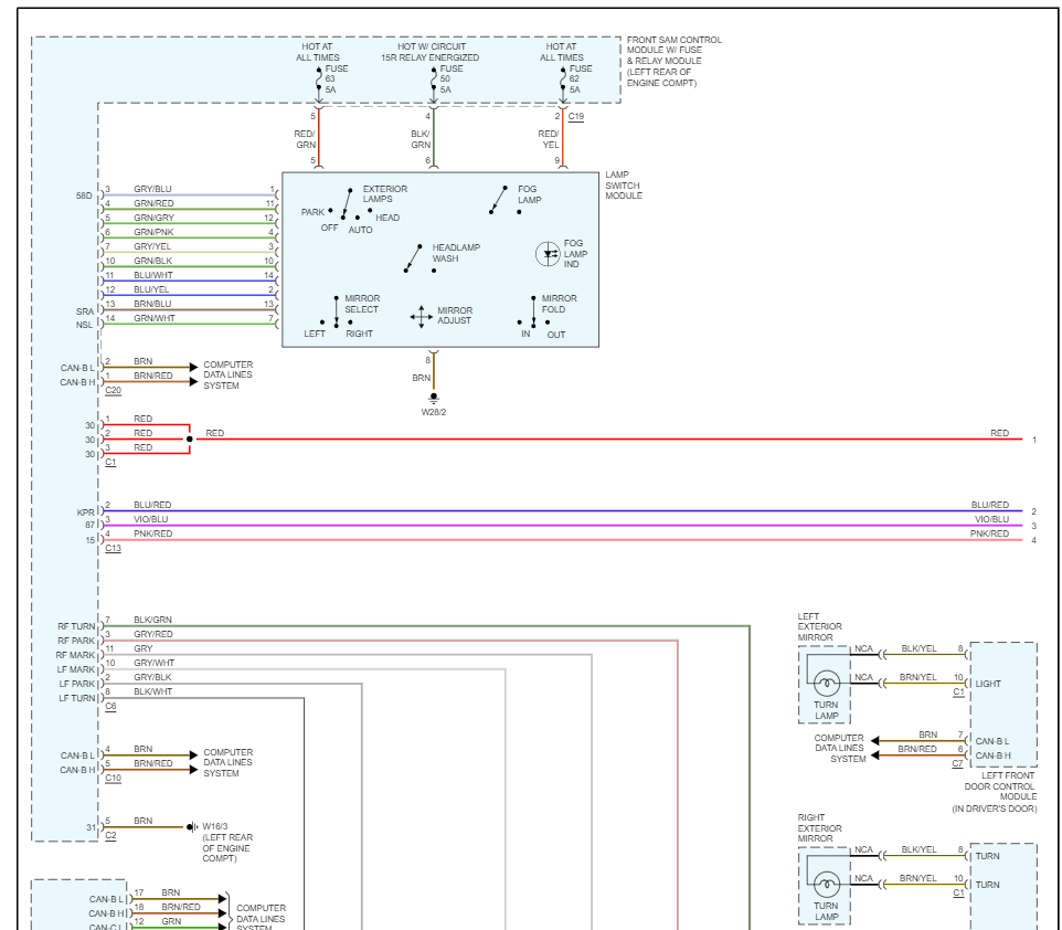
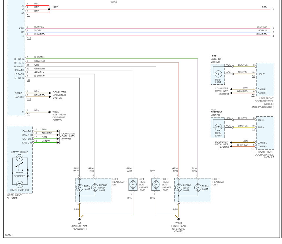
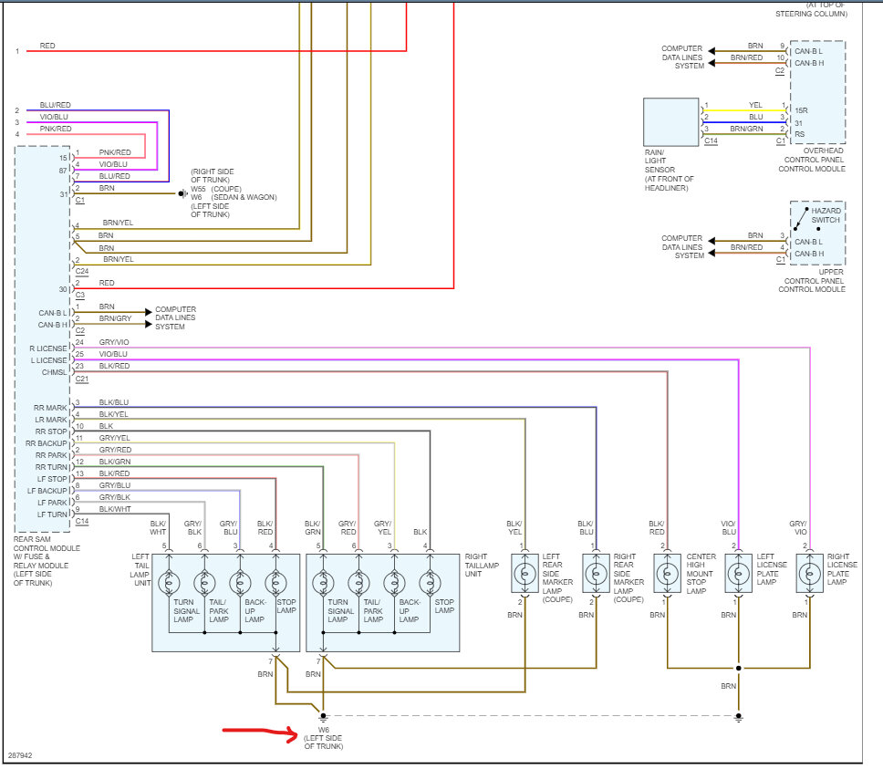
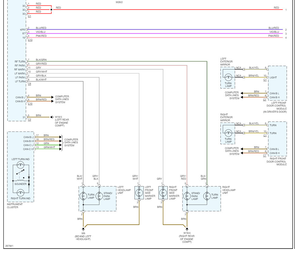
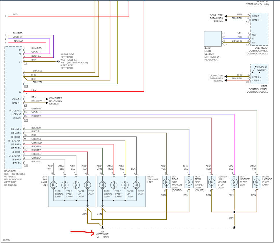
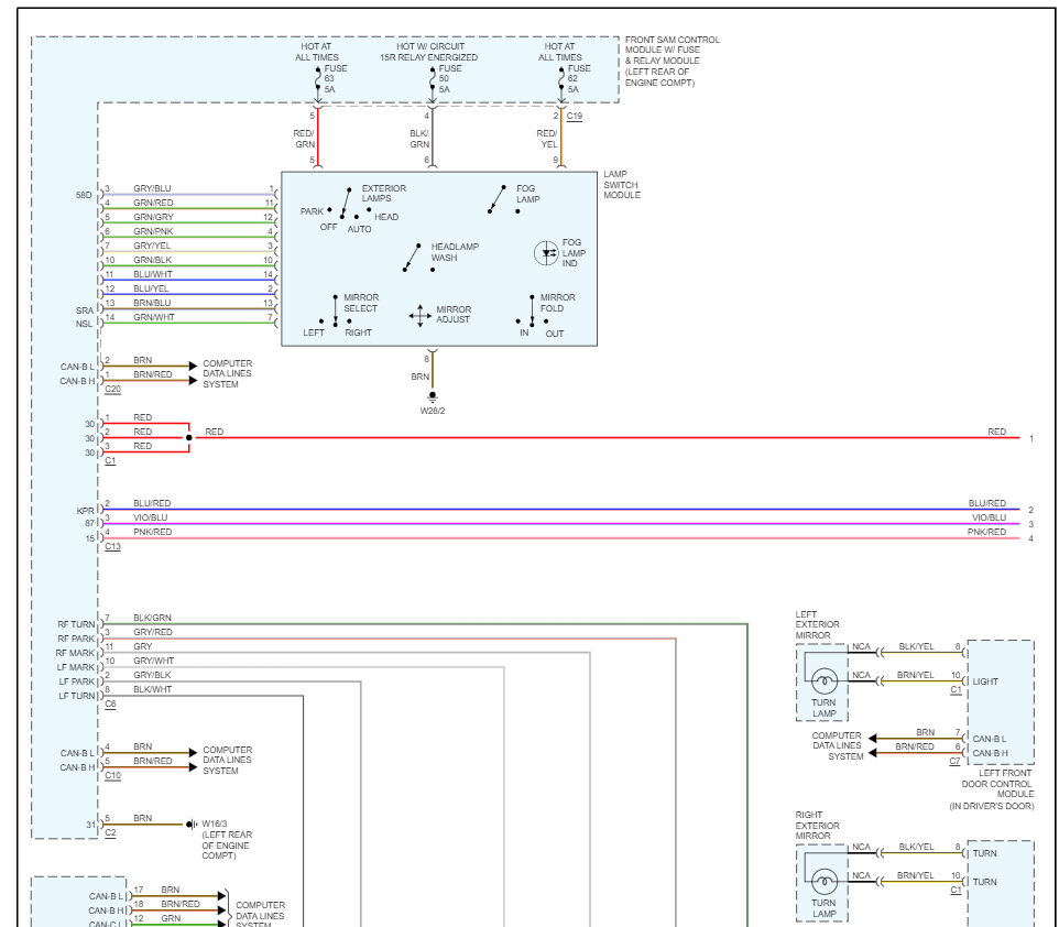
It sounds like the ground is bad, or the rear SAM module needs to be replaced. Here is the ground location and the rear light wiring diagrams as requested. Also, I have included how to change the rear SAM module out in case you need it. Check out the images (below). Let us know what happens and please upload pictures or videos of the problem so we can see what's going on.
Was this
answer
helpful?
Yes
No
Thursday, October 12th, 2023 AT 11:44 AM

Please login or register to post a reply.