Saturday, January 24th, 2026 AT 2:28 AM
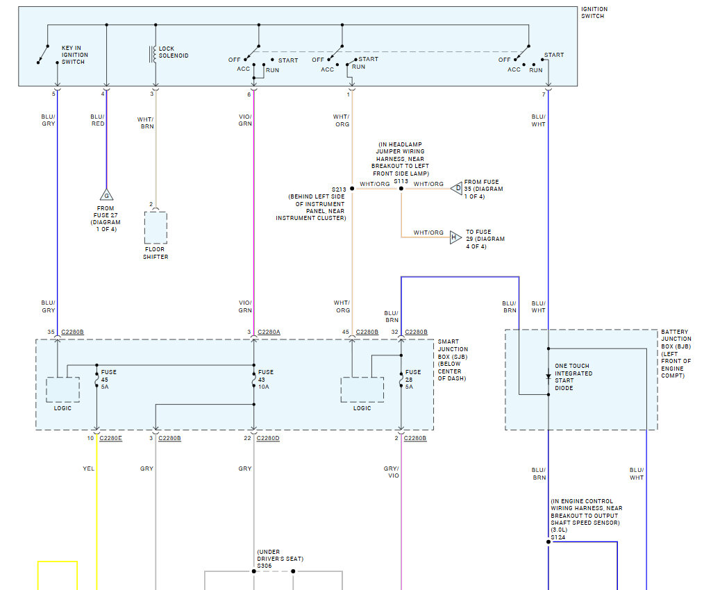
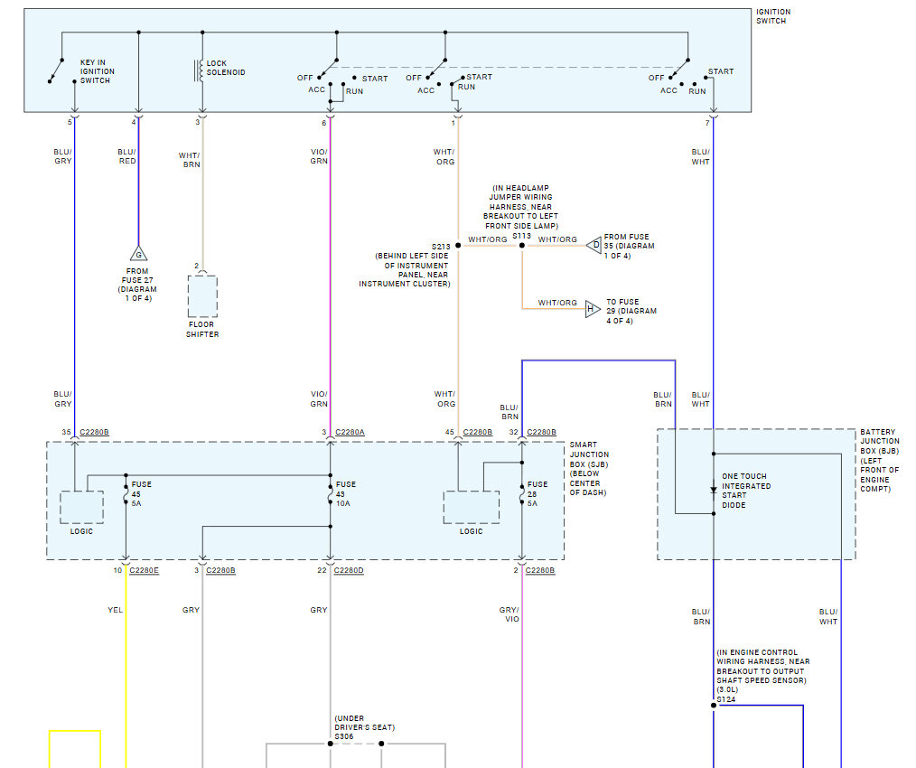
To break this scenario down buddy lost his keys tried putting a push button start in the 08 ford escape xlt V6 found his keys and I'm left with putting back to the way it normally would be starting it with the key and I can't seem to get the power to the ignition switch so what actually gives or gives the ignition power



