No power?

Tiny
EMMANUELNGANDU
  • MEMBER
  • 2021 HONDA CIVIC
  • 2.0L
  • 4 CYL
  • 2WD
  • AUTOMATIC
  • 9,213 MILES
Kindly asking for a wiring diagram for the car listed above engine (P10A) eleventh generation 2021.
Thursday, March 23rd, 2023 AT 2:29 PM

3 Replies

Tiny
JACOBANDNICKOLAS
  • MECHANIC
  • 110,194 POSTS
Hi,

I'm not sure why this isn't being repaired under warranty. It is still under full warranty. However, I will be happy to provide what I have.

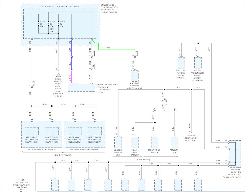
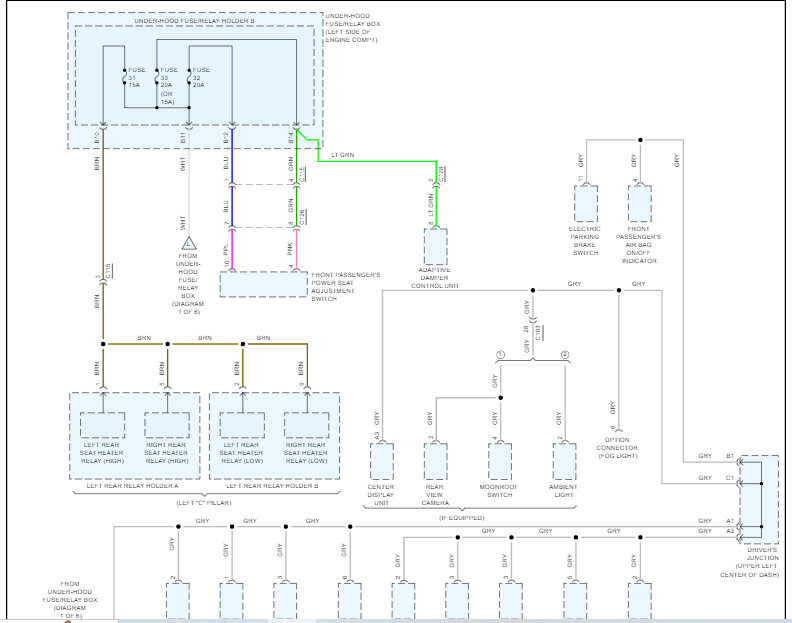
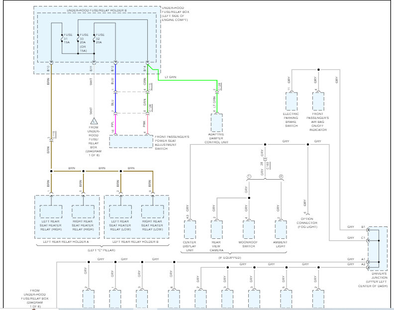
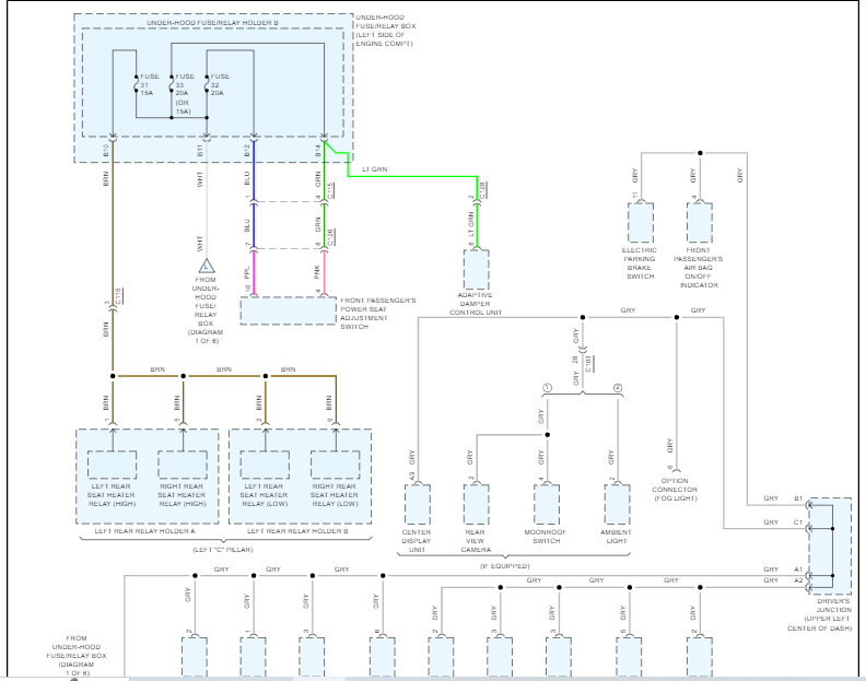
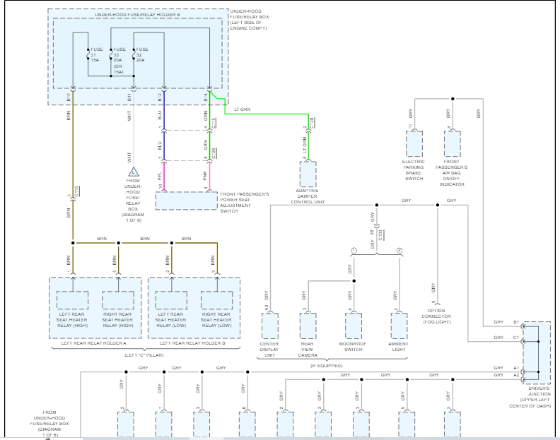
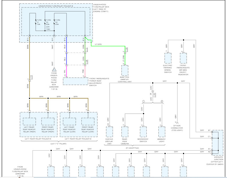
I attached the power distribution schematics below. However, I have to say that the only engine I am showing is the L4-2.0L (K20C2).

I checked through the different model civics, but that is the only one listed.

Let me know if this helps or if you have other questions.

Take care,

joe

See pics below.
Was this
answer
helpful?
Yes
No
Thursday, March 23rd, 2023 AT 6:35 PM
Tiny
EMMANUELNGANDU
  • MEMBER
  • 29 POSTS
Thank you.
At first, I wasn't given the full information but after asking the guy who sold it, he said that they changed the engine.
That's the root of the problem after checking the car I found out that even the rev counter and the speedometer aren't working
I couldn't see the engine number of the engine they fitted I will let you know when I see it, if at all its compatible.
Was this
answer
helpful?
Yes
No
Saturday, March 25th, 2023 AT 1:24 PM
Tiny
JACOBANDNICKOLAS
  • MECHANIC
  • 110,194 POSTS
Hi,

Let me know what you find as far as engine size is concerned. Also, did he explain why the engine was replaced on such a new vehicle?

Joe
Was this
answer
helpful?
Yes
No
Saturday, March 25th, 2023 AT 9:03 PM

Please login or register to post a reply.