Saturday, May 23rd, 2020 AT 6:04 PM
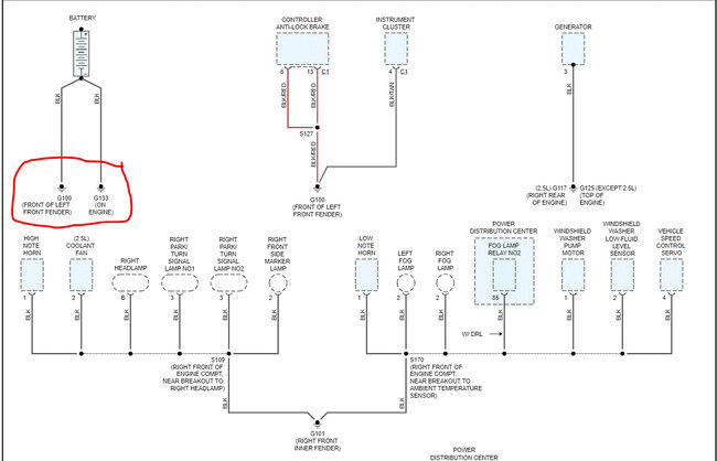
Battery has power 13.2 volts. The truck has no power; no lights, no warning lights on the dash except for the brake light oddly enough. Nothing happens when I turn the keys. All the fuses look good. There is a clicking sound from the dash under the glove box whenever the door is opened. I pulled one relay at a time and tried the ignition each time with no luck. The battery voltage doesn’t drop when trying to start it. I have voltage to the fuse box under the hood.

