No light on the dash

Tiny
AYEK5555
  • MEMBER
  • 2011 ACURA RL
  • 3.5L
  • 6 CYL
  • 4WD
  • AUTOMATIC
  • 115 MILES
No light on the dashboard
Tuesday, January 22nd, 2019 AT 9:39 PM

1 Reply

Tiny
KEN L
  • MASTER CERTIFIED MECHANIC
  • 55,522 POSTS
Hello,

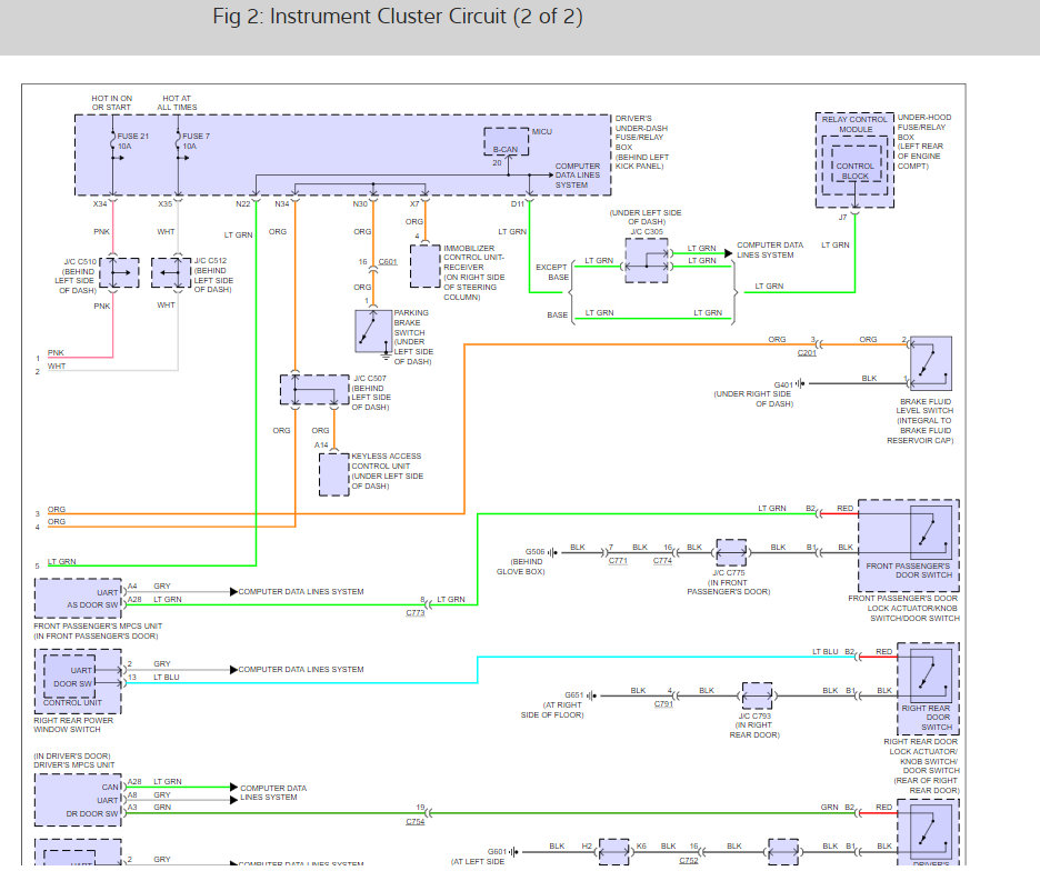
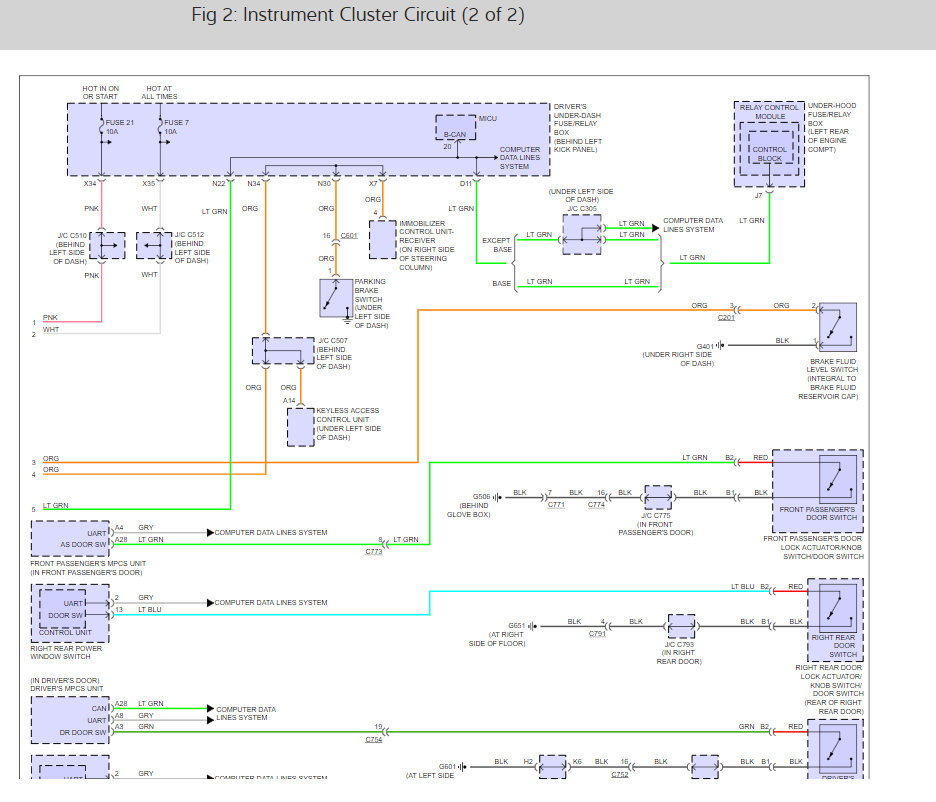
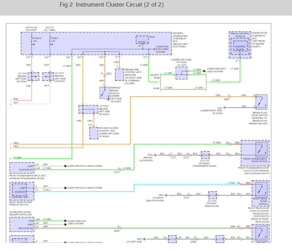
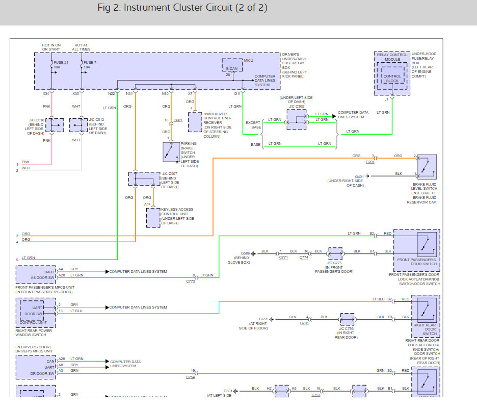
It sounds like you have a fuse out here is a guide that will help you check fuses # 7 and 21 and the fuse location as well with the cluster wiring diagrams so you can see how the system works.

https://www.2carpros.com/articles/how-to-check-a-car-fuse

Check out the diagrams (Below). Please let us know what you find. We are interested to see what it is.
Was this
answer
helpful?
Yes
No
Saturday, January 26th, 2019 AT 11:35 AM

Please login or register to post a reply.