Saturday, September 8th, 2018 AT 5:46 AM
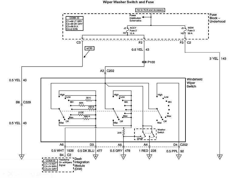
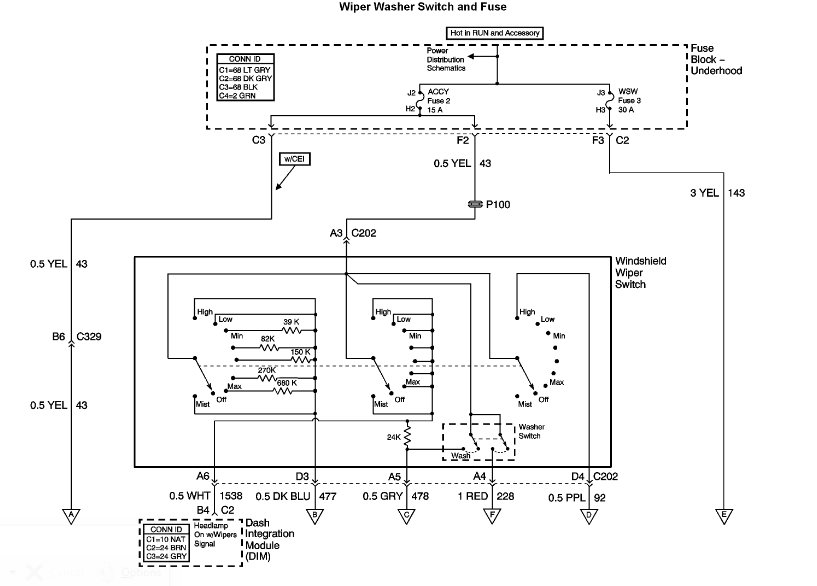
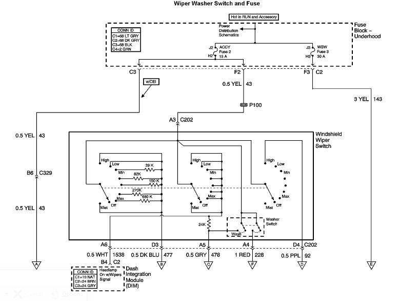
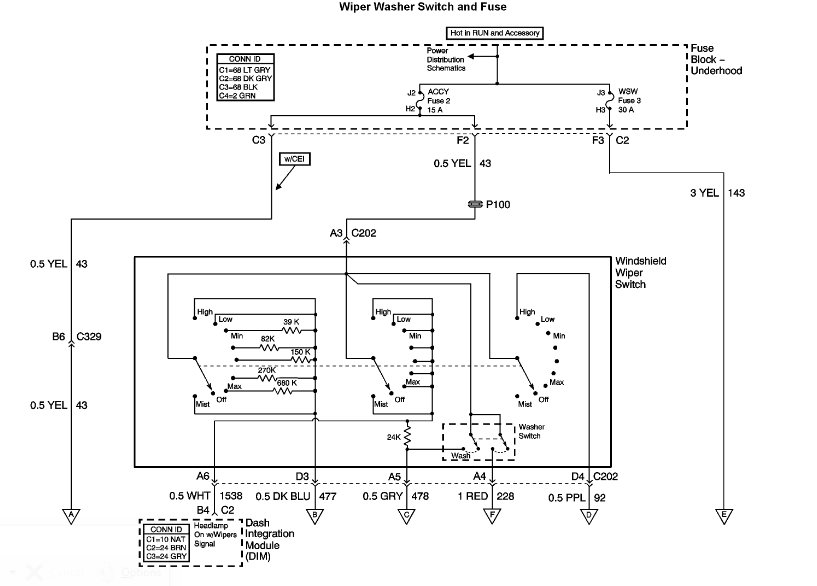
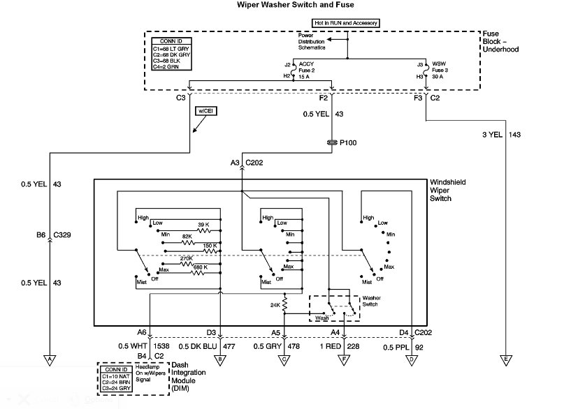
Wipers quit working so installed a used wiper motor from my local pull your own parts. Now my intermittent/mist wipers does not work at any speed. Wipers work on low and high and the mist one wipe and off. So tried a second wiper motor since both are still under warranty. I have read that a module is known to go bad in these GM car's to cause my problem I am having. But at my local part's place said he diagram does not show a module that it must be built inside the motor or to the side of it. Any ideas on how to fix this would be greatly appreciated! By the way, I also switched out the multi-function switch because I know they can cause many problems. Still no intermittent wipers. Was thinking it had something to do with the wire clip that sits on a (STUD) like where the motor mounts on its plate as reference to how it is mounted and bolted down. Cannot see where this clip about two inches long hits or even does anything myself. Thanks for any information or ideas on how to get my wipers working correctly in all positions. Again thanks!







