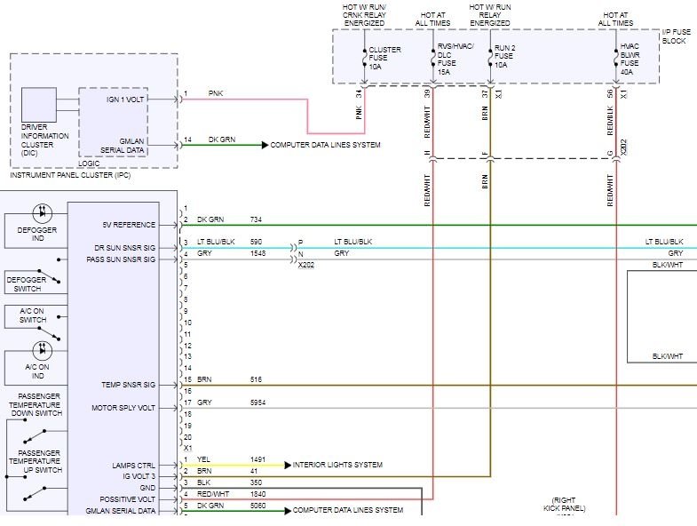
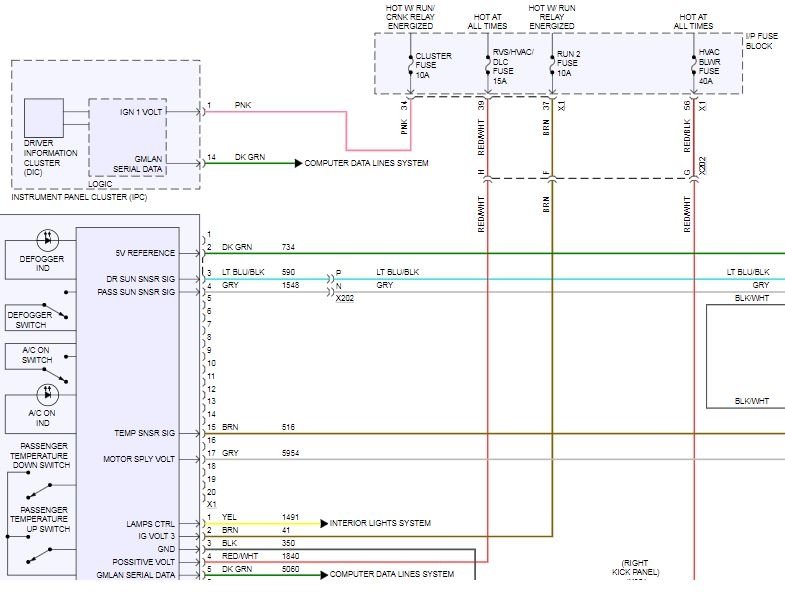
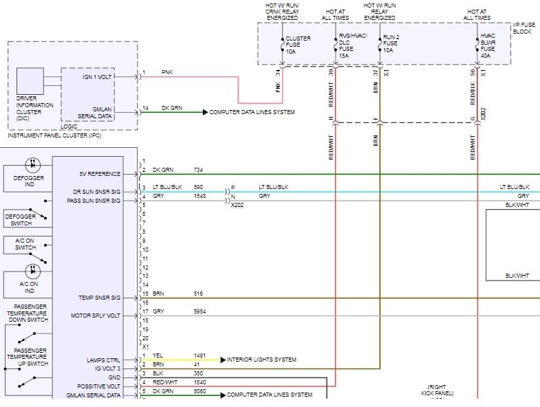
Tuesday, November 5th, 2019 AT 10:38 AM
My heat controls won't work neither will my heated seats or defrost and it won't tell me the outside air temperature. Worked fine shut car off drove it an hour later and nothing.




