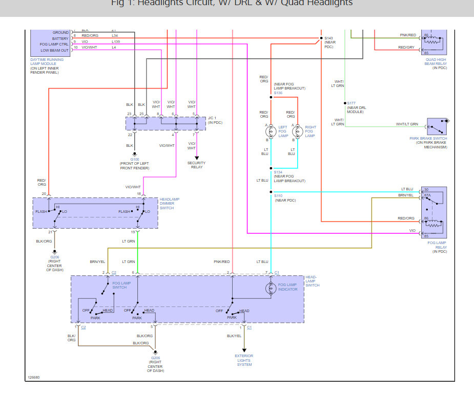
Saturday, October 29th, 2022 AT 4:01 PM
I could move my steering wheel to get my lights to come on and then nothing. I bought a new headlight and multi-switch. They didn't help, the new one wouldn't even work the turn signals. I replaced the new one with another new one, thought it might be bad. Same thing. The old one the blinkers work, but neither new/old I have no low wipers (just high) and no hazards, along with no headlights. I tore the dash apart, pulled the pur/wht wire out, touched the metal column and I get headlights. So, I know I have power. Could it be a ground short? Do hazards, wipers and headlights all run on the same ground?






